Добавление дескрипторов соединителей

Добавление значений описания для штыревой и гнездовой сторон соединителя.

AutoCAD Electrical toolset поддерживает две строки текста описания для каждого соединителя: одну для стороны штыря, другую для стороны гнезда соединителя.

Добавление описаний

  1. Щелкните правой кнопкой мыши на соединителе PJ1 и выберите из контекстного меню "Редактировать компонент".
  2. В диалоговом окне "Вставить/Редактировать компонент" в разделе "Выводы" нажмите "Список".
  3. В диалоговом окне "Используемые номера выводов соединителя", в сетке выводов соединителя нажмите кнопку мыши в столбце "Описание" для вывода 1.
  4. В разделе "Описания выводов" введите ПИТАНИЕ B2 для параметра "Гнездо".
  5. В сетке выводов соединителя нажмите кнопку мыши в столбце "Описание" для вывода 2.
  6. В разделе "Описания выводов" введите ПИТАНИЕ B3 для параметра "Гнездо".
  7. В сетке выводов соединителя нажмите кнопку мыши в столбце "Описание" для вывода 3.
  8. В разделе "Описания выводов" введите ПИТАНИЕ B4 для параметра "Гнездо".
  9. Нажмите кнопку "ОК".
  10. В диалоговом окне "Вставить/Редактировать компонент" нажмите кнопку "OK".
  11. Повторите операцию для добавления описания "ПОДАЧА ПИТАНИЯ" для выводов А на Символах ACAD-E 2–4.

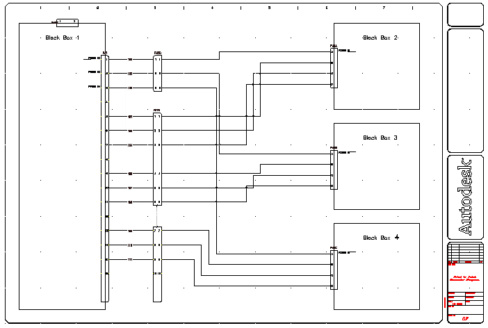
    Завершенная схема "точка-точка" выглядит примерно так, как показано на следующей иллюстрации.