使用 ngspice-digital 和 ngspice-simulation 库中的元件来创建原理图。如有必要,您可以从“可用”列表中加载这些元件。这些库中的元件已映射到 SPICE 模型,这对精确仿真至关重要。
为原理图中元件的电阻、电容等指定适当的值。在逻辑位置添加电压探测器或相位探测器,例如:
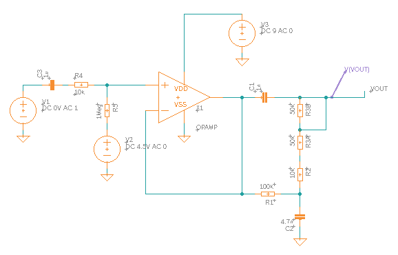
样例原理图:

通过围绕整个电路设计绘制一个矩形来选择该设计,然后单击“仿真”>“添加模型”。当系统询问是否要将任何地面 (GND) 零件转换为 SPICE 地面时,单击“是”。

“添加模型”表格显示所有电路元件,并在“完成”列中显示一个绿色复选标记。在此表格中,您可以查看和更正元件的任何值。如果您使用了任何未映射到 SPICE 模型的元件,则会看到一个警告图标
,您可以单击“映射”按钮以开始将元件映射到 SPICE 的过程。
在功能区中,单击“仿真”
。

在“仿真”对话框中,设置“类型”值(“操作点”、“直流扫描”、“交流扫描”或“瞬态”)。在大多数情况下,将其他选项保留为默认值。
在对话框中,单击“仿真”。仿真完成后,您将看到多个输出图形。在此交流扫描示例中,电压图最有用。

请注意,您可以使用右上角的齿轮图标将频率显示从对数切换为线性。