In dieser Aktivität platzieren Sie Komponenten, die für die elektronische Komponente erforderlich sind. Dies ist notwendig, um einen Schaltplan einer Leiterplatte für einen Doppel-LED-Blinker zu starten.

Komponenten, die im Schaltplanentwurf hinzugefügt wurden
Vergewissern Sie sich, dass die Bibliothek Tutorial - Fusion zum neuen Schaltplanentwurf hinzugefügt und entsprechend aktiviert wurde.

Stellen Sie sicher, dass die Rastergröße 0.1 Zoll beträgt.
Klicken Sie auf Konstruktion > Ansicht > Rastereinstellungen
.
Stellen Sie sicher, dass die Größe auf 0.1 Zoll festgelegt oder ein vergleichbarer Wert angegeben ist.
Klicken Sie auf Abbrechen, wenn keine Änderungen vorgenommen wurden, oder auf OK, wenn Änderungen erfolgt sind.
Fügen Sie den Timer LM555N zum Schaltplan hinzu.
Klicken Sie auf Konstruktion > Platzieren > Komponente platzieren
.
Geben Sie 555 in das Filtersuchfeld ein.
Klicken Sie in der Bibliothek Tutorial - Fusion auf den Pfeil neben LM555N, um die Liste von Varianten zu erweitern.
Wählen Sie die Variante D0008A aus.

Doppelklicken Sie auf die Komponente LM555N, oder ziehen Sie sie aus der Gruppe Komponenten platzieren in den Ansichtsbereich. Mit der EINGABETASTE gelangen Sie auch in den Platzierungsmodus.
Richten Sie die Komponente korrekt mit den Steuerelementen im Dialogfeld Hinzufügen aus, oder indem Sie folgende Schritte durchführen:
Suchen Sie das Ursprungssymbol auf dem Bildschirm, und platzieren Sie die Komponente im positiven Koordinatenraum. Es wird empfohlen, alle Komponenten im positiven Koordinatenraum zu platzieren.

Klicken Sie auf Fertig, oder drücken Sie die ESC-Taste, um den Platzierungsmodus zu beenden und zur Gruppe Komponenten platzieren zurückzukehren.
Fügen Sie dem Schaltplan vier Widerstände des Typs R-US_CHIP-0805 hinzu.
Löschen Sie den Inhalt des Suchfelds, und geben Sie R-US ein.
Klicken Sie auf die Dropdown-Liste für Varianten, und wählen Sie CHIP-0805 aus. Doppelklicken Sie dann auf die Zeile, und bewegen Sie den Mauszeiger in den Ansichtsbereich.
Klicken Sie mit der rechten Maustaste, um das Widerstands-Symbol um 90 Grad zu drehen.
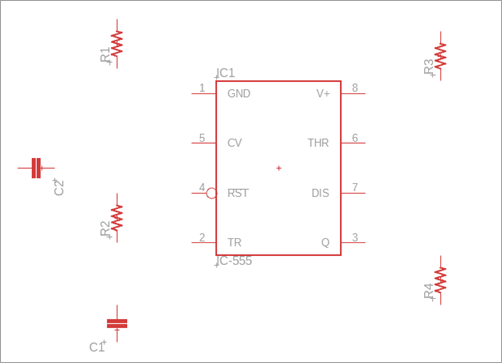
Positionieren Sie die vier Widerstände an den in der folgenden Abbildung dargestellten Positionen.

Klicken Sie auf Fertig, oder drücken Sie die ESC-Taste, um den Platzierungsmodus zu beenden und zur Gruppe Komponenten platzieren zurückzukehren.
Fügen Sie dem Schaltplan zwei Kondensatoren des Typs C-CHIP-0805 hinzu.
Suchen Sie in der Bibliothek Tutorial - Fusion die Komponente C.
Wählen Sie CHIP-0805(2012-METRIC) aus der Dropdown-Liste für Varianten aus.
Doppelklicken Sie auf die Zeile, und bewegen Sie den Mauszeiger in den Ansichtsbereich.
Positionieren Sie die beiden Kondensatoren an den in der folgenden Abbildung dargestellten Positionen.

Klicken Sie auf Fertig, oder drücken Sie die ESC-Taste, um den Platzierungsmodus zu beenden und zur Gruppe Komponenten platzieren zurückzukehren.
Fügen Sie eine LED des Typs LED_CHIP RED-2012 zum Schaltplan hinzu.
Suchen Sie in der Bibliothek Tutorial - Fusion die Komponente LED_CHIP.
Wählen Sie RED-2012 aus der Dropdown-Liste für Varianten aus.
Doppelklicken Sie auf die Zeile, und bewegen Sie den Mauszeiger in den Ansichtsbereich.
Positionieren Sie die LED an der in der folgenden Abbildung dargestellten Position.

Klicken Sie auf Fertig, oder drücken Sie die ESC-Taste, um den Vorgang zu beenden und zur Gruppe Komponenten platzieren zurückzukehren.
Fügen Sie eine LED des Typs LED_CHIP_BLUE_ zum Schaltplan hinzu.
Führen Sie in der Liste der Varianten von LED_CHIP einen Bildlauf nach unten durch, und wählen Sie die Komponente BLUE-2012 aus.
Doppelklicken Sie auf die Zeile, und bewegen Sie den Mauszeiger in den Ansichtsbereich.
Positionieren Sie die LED an der in der folgenden Abbildung dargestellten Position.

Klicken Sie auf Fertig, oder drücken Sie die ESC-Taste, um den Befehl zu beenden.
In dieser Aktivität haben Sie neun Komponenten hinzugefügt, die für den Entwurf des Doppel-LED-Blinkers erforderlich sind.