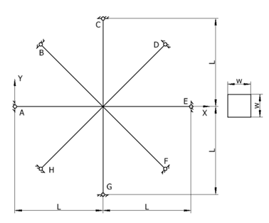
Un cadre en croix avec support simple est constitué de huit poutres avec une section carrée (0,125 x 0,125 mètre).
Un cadre en croix avec support simple est constitué de huit poutres avec une section carrée (0,125 x 0,125 mètre). Le cadre est de 10 m x 10 m. Prenez en compte les modes dans le plan XY uniquement (contraignez la face arrière par rapport à la translation dans la direction Z). Pour simuler une contrainte de blocage à l'extrémité d'un élément de poutre, le modèle solide inclut une rainure cylindrique à l'extrémité de chaque rayon (au niveau de l'axe de la coupe). Une contrainte de blocage radial est appliquée à la face de chaque rainure.
Calculer 20 modes. La comparaison des tests est effectuée sur les 16 premiers modes uniquement. Le calcul de 20 modes améliore la précision des quelques modes les plus élevés pour la comparaison.

Les 16 premières fréquences correspondent aux tests de référence suivants :
| Fréquences naturelles | F1 | F2 | F3 | F4 | F5 | F6 | F7 | F8 |
| NAFEMS (Éléments de poutre) |
11,336 Hz | 17,709 Hz | 17,709 Hz | 17,709 Hz | 17,709 Hz | 17,709 Hz | 17,709 Hz | 17.709 Hz |
| Fusion (Eléments solides) |
11,33 Hz | 18,38 Hz | 18,41 Hz | 18,41 Hz | 18,48 Hz | 18,48 Hz | 18,51 Hz | 18,51 Hz |
| % de différence | 0.053 % | 3.79 % | 3.96 % | 3.96 % | 4.35 % | 4.35 % | 4.52 % | 4.52 % |
| Fréquences naturelles | F9 | F10 | F11 | F12 | F13 | F14 | F15 | F16 |
| NAFEMS (Éléments de poutre) |
45,345 Hz | 57,390 Hz | 57,390 Hz | 57,390 Hz | 57,390 Hz | 57,390 Hz | 57,390 Hz | 57,390 Hz |
| Fusion (Eléments solides) |
45,91 Hz | 59,39 Hz | 59,44 Hz | 59,44 Hz | 59,46 Hz | 59,46 Hz | 59,66 Hz | 59,66 Hz |
| % de différence | 1.25 % | 3.48 % | 3.57 % | 3.57 % | 3.61 % | 3.61 % | 3.96 % | 3.96 % |
NAFEMS Publication Test No. FV2, The International Association for the Engineering Analysis Community, "NAFEMS Background To Benchmarks", G.A.O Davies, R.T. Fenner, R.W. Lewis, juin 1992.