Fusion の[図面]作業スペースで[自動寸法]ツールを使用して、自動的に作成された寸法を作成およびカスタマイズする方法について説明します。
ツールバーで、[寸法] > [自動寸法]
を選択します。
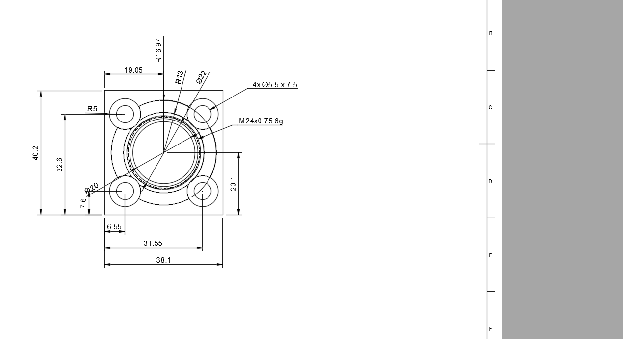
[自動寸法]ダイアログが表示されます。
[自動寸法]ダイアログで、図面に最適な寸法ストラテジーを選択します。
選択済みストラテジーをカスタマイズします。
Enter を押すか、[OK]をクリックします。
寸法がカスタマイズされ、シートに表示されます。

ツールバーで、[寸法] > [自動寸法]
を選択します。
[自動寸法]ダイアログが表示されます。
キャンバスで、再配置する寸法を指定します。

再配置する寸法をクリックします。他の寸法が背景に同化し、選択した寸法の別の位置が表示されます。

新しい目的の位置をクリックし、緑のチェックマークをクリックして確定します。

[自動寸法]ダイアログで、[OK]をクリックします。

寸法が新しい位置に表示されます。