Share
 
 

Monowills Panelized Hand-Railing Properties

Configure the monowills panelized handrail, using the settings in the dedicated properties dialog.

Setting Description
General Tab
Handrail Type Specifies the handrail type which determines the pipe sizes, material grade, and other various settings.
Construction Type

Specifies the construction type, either:

  • As Complete Polybeam
  • As Complete Polybeam No Fittings
  • Separated + Fittings
Extension at Midrail Specifies the distance to which the midrail extends into the closure bend.


Weld Type Specifies the type of weld, selected from the drop-down list.
Weld Size Specifies the weld thickness.
Corner Tolerance Specifies the minimum value at which the corner offsets need to be before a corner panel will be created.
Bolts Tab
Bolts:
Standard Specifies the bolt standard, selected from the drop-down list.
Grade Specifies the bolt grade value.
Diameter Specifies the bolt diameter value.
Assembly Specifies the bolt assembly for the connection, selected from the drop-down list. For example: Na2W = nut and 2 washers.
Bolt Clearance Specifies the bolt clearance.
Kickplate Bolts:
Standard Specifies the bolt standard, selected from the drop-down list.
Grade Specifies the bolt grade value.
Diameter Specifies the bolt diameter value.
Assembly Specifies the bolt assembly for the connection, selected from the drop-down list. For example: Na2W = nut and 2 washers.
Kickplate Bolt Clearance Specifies the kickplate bolt clearance.
Kickplate Fixing
Specifies where the kickplate is mounted:
  • In Shop
  • On Site
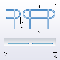
Segment Panel Tab
1. Max Panel Length


2. Panel Clearance
3. Seg Start Offset
4. Seg End Offset
5. Max Spacing
Bend Radius Specifies the bend radius.
Post Type Specifies the post type, selected from the drop-down list.
Post Side Specifies the side for the post, selected from the drop-down list.
Start Type Specifies the type of the rail end condition, selected from the drop-down list.
End Type
Segment Kickplate Tab
3. Gauge Offset
1. KP Start Offset
2. KP End Offset
Kickplate Bracket Specifies the kickplate bracket, selected from the drop-down list.
Kickplate Size Specifies the kickplate size, selected from the drop-down list.
KP Switch Side checkbox Switches the kickplate side.
KP Welded checkbox If checked, it changes the kickplate fixing from bolted to welded.

Was this information helpful?