Secure Pin Generator

Active Pin Length
The pin active length l f is a length reduced by chamfering and filleting. The active length usually carries loading.
Shear stress check


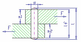
Interpretations of symbols in metric units:
| τ | shear stress [MPa] |
τ A | allowable shear stress [MPa] |
d | pin diameter [mm] |
p 1 | pressure in the top board [MPa] |
p 2 | pressure in the bottom board [MPa] |
p 1A | allowable pressure in the top board [MPa] |
p 2A | allowable pressure in the bottom board [MPa] |
s 1 | thickness of the top board [mm] |
s 2 | thickness of the bottom board [mm] |
Interpretations of symbols in English units:
| τ | shear stress [psi] |
τ A | allowable shear stress [psi] |
d | pin diameter [in] |
p 1 | pressure in the top board [psi] |
p 2 | pressure in the bottom board [psi] |
p 1A | allowable pressure in the top board [psi] |
p 2A | allowable pressure in the bottom board [psi] |
s 1 | thickness of the top board [in] |
s 2 | thickness of the bottom board [in] |