Share
 
 

Hot Rolled Steel Section Shape Dimensions

Review and modify the values of section shape dimension parameters of hot rolled steel structural framing elements.

These type properties are created from the Section Shape family category parameter of the element.

Section shape Available shape dimension parameters
Pipe Standard

D. Diameter: the external diameter of the round section shape.

T. Wall Design Thickness: the perpendicular design thickness between the inner and outer surface of a section shape.

t. Wall Nominal Thickness: the average perpendicular distance between the inner and outer surface of the section shape.

y. Centroid Horizontal: the distance from the centroid of the section shape to the left extremities along the horizontal axis.

z. Centroid Vertical: the distance from the centroid of the section shape to the lower extremities along the vertical axis.

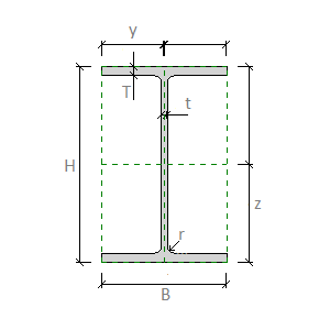
I-shape Parallel Flange

B. Width: the external width of the section shape.

H. Height: the external height of the section shape.

T. Flange Thickness: the distance between the exterior surfaces of the flange in the section shape.

t. Web Thickness: the distance between the exterior surfaces of the web in the section shape.

r. Web Fillet: the radius of the fillet between the web and flange.

y. Centroid Horizontal: the distance from the centroid of the section shape to the left extremities along the horizontal axis.

z. Centroid Vertical: the distance from the centroid of the section shape to the lower extremities along the vertical axis.

I-shape Sloped Flange

B. Width: the external width of the section shape.

H. Height: the external height of the section shape.

T. Flange Thickness: the distance between the exterior surfaces of the flange in the section shape.

TL.Flange Thickness Location: The distance from the end of the sloped flange to the place where the thickness of the flange is measured.

SA.Sloped Flange Angle: The angle between the sloped flange plane and the horizontal plane in the section shape.

t. Web Thickness: the distance between the exterior surfaces of the web in the section shape.

r1. Web Fillet: the radius of the fillet between the web and flange.

r2. Flange Fillet: the radius of the fillet at the end of a flange in the section shape.

y. Centroid Horizontal: the distance from the centroid of the section shape to the left extremities along the horizontal axis.

z. Centroid Vertical: the distance from the centroid of the section shape to the lower extremities along the vertical axis.

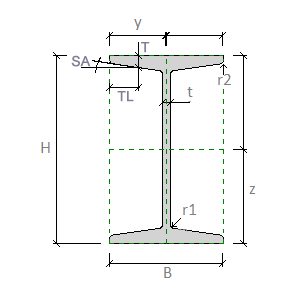
I-shape Wide Flange

B. Width: the external width of the section shape.

H. Height: the external height of the section shape.

T. Flange Thickness: the distance between the exterior surfaces of the flange in the section shape.

t. Web Thickness: the distance between the exterior surfaces of the web in the section shape.

r. Web Fillet: the radius of the fillet between the web and flange.

y. Centroid Horizontal: the distance from the centroid of the section shape to the left extremities along the horizontal axis.

z. Centroid Vertical: the distance from the centroid of the section shape to the lower extremities along the vertical axis.

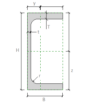
C-channel Parallel Flange

B. Width: the external width of the section shape.

H. Height: the external height of the section shape.

T. Flange Thickness: the distance between the exterior surfaces of the flange in the section shape.

t. Web Thickness: the distance between the exterior surfaces of the web in the section shape.

r. Web Fillet: the radius of the fillet between the web and flange.

y. Centroid Horizontal: the distance from the centroid of the section shape to the left extremities along the horizontal axis.

z. Centroid Vertical: the distance from the centroid of the section shape to the lower extremities along the vertical axis.

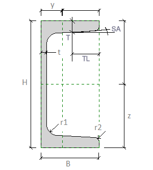
C-channel Sloped Flange

B. Width: the external width of the section shape.

H. Height: the external height of the section shape.

T. Flange Thickness: the distance between the exterior surfaces of the flange in the section shape.

TL.Flange Thickness Location: The distance from the end of the sloped flange to the place where the thickness of the flange is measured.

SA.Sloped Flange Angle: The angle between the sloped flange plane and the horizontal plane in the section shape.

t. Web Thickness: the distance between the exterior surfaces of the web in the section shape.

r1. Web Fillet: the radius of the fillet between the web and flange.

r2. Flange Fillet: the radius of the fillet at the end of a flange in the section shape.

y. Centroid Horizontal: the distance from the centroid of the section shape to the left extremities along the horizontal axis.

z. Centroid Vertical: the distance from the centroid of the section shape to the lower extremities along the vertical axis.

L-Angle

B. Width: the external width of the section shape.

H. Height: the external height of the section shape.

T. Flange Thickness: the distance between the exterior surfaces of the flange in the section shape.

t. Web Thickness: the distance between the exterior surfaces of the web in the section shape.

r1. Web Fillet: the radius of the fillet between the web and flange.

r2. Flange Fillet: the radius of the fillet at the end of a flange in the section shape.

r3.Top Web Fillet: the radius of the fillet at the top of a web in the section shape.

y. Centroid Horizontal: the distance from the centroid of the section shape to the left extremities along the horizontal axis.

z. Centroid Vertical: the distance from the centroid of the section shape to the lower extremities along the vertical axis.

alpha. Principle Axes Angle: the rotational angle between the principle axes and cross section reference planes. This is listed as a Structural Analysis family parameter.

I-split Parallel Flange

B. Width: the external width of the section shape.

H. Height: the external height of the section shape.

T. Flange Thickness: the distance between the exterior surfaces of the flange in the section shape.

t. Web Thickness: the distance between the exterior surfaces of the web in the section shape.

r. Web Fillet: the radius of the fillet between the web and flange.

y. Centroid Horizontal: the distance from the centroid of the section shape to the left extremities along the horizontal axis.

z. Centroid Vertical: the distance from the centroid of the section shape to the lower extremities along the vertical axis.

I-split Sloped Flange

B. Width: the external width of the section shape.

H. Height: the external height of the section shape.

T. Flange Thickness: the distance between the exterior surfaces of the flange in the section shape.

TL.Flange Thickness Location: The distance from the end of the sloped flange to the place where the thickness of the flange is measured.

SA.Sloped Flange Angle: The angle between the sloped flange plane and the horizontal plane in the section shape.

t. Web Thickness: the distance between the exterior surfaces of the web in the section shape.

r1. Web Fillet: the radius of the fillet between the web and flange.

r2. Flange Fillet: the radius of the fillet at the end of a flange in the section shape.

y. Centroid Horizontal: the distance from the centroid of the section shape to the left extremities along the horizontal axis.

z. Centroid Vertical: the distance from the centroid of the section shape to the lower extremities along the vertical axis.

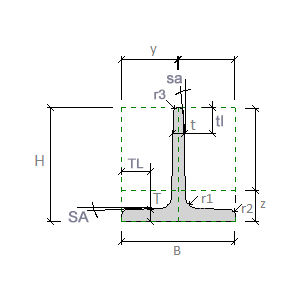
Structural Tees

B. Width: the external width of the section shape.

H. Height: the external height of the section shape.

TL.Flange Thickness Location: The distance from the end of the sloped flange to the place where the thickness of the flange is measured.

SA.Sloped Flange Angle: The angle between the sloped flange plane and the horizontal plane in the section shape.

t. Web Thickness: the distance between the exterior surfaces of the web in the section shape.

tl.Web Thickness Location: The distance from the end of the sloped web to the place where the thickness of the web is measured.

sa.Sloped Web Angle: The angle between the sloped web plane and the vertical plane in the section shape.

r1. Web Fillet: the radius of the fillet between the web and flange.

r2. Flange Fillet: the radius of the fillet at the end of a flange in the section shape.

r3.Top Web Fillet: the radius of the fillet at the top of a web in the section shape.

y. Centroid Horizontal: the distance from the centroid of the section shape to the left extremities along the horizontal axis.

z. Centroid Vertical: the distance from the centroid of the section shape to the lower extremities along the vertical axis.

Was this information helpful?