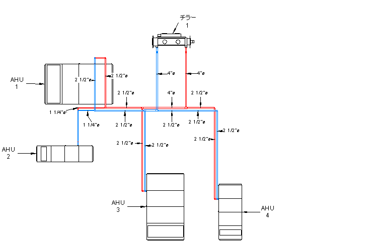
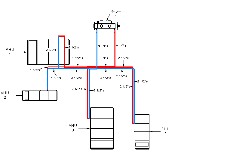
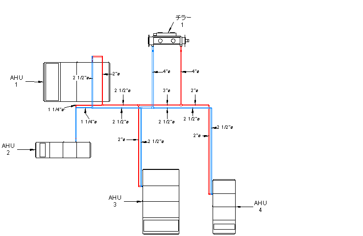
温水配管のサイズ変更の例

次の図に、さまざまな温水配管のサイズ変更方法の結果を示します。

摩擦のみ

サイズ変更前

サイズ変更後

速度のみ

サイズ変更前

サイズ変更後

摩擦と速度

サイズ変更前

サイズ変更後

接続または計算の大きい方

サイズ変更前

サイズ変更後

接続を配管サイズに一致

サイズ変更前

サイズ変更後