주석 스타일 재지정

특정 주석의 모양이 잘못되어 모든 주석에 이러한 모양을 적용하지 않으려는 경우가 있습니다. 이 항목에서는 후행 0을 숨기는 스타일을 작성합니다.

  1. 마우스 오른쪽 버튼을 클릭하고 스타일 편집 반복....을 선택합니다.
  2. 치수 노드를 확장한 다음 수정됨(ISO)을 마우스 오른쪽 버튼으로 클릭하고 새 스타일을 선택합니다. 이름에 수정됨 - 후행 0 없음(ISO)을 입력하고 확인을 클릭합니다.
  3. 단위화면표시 패널에서 후행 0의 선택을 취소합니다. 저장종료를 클릭합니다.
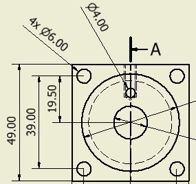
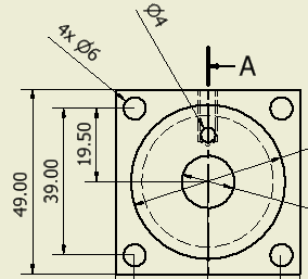
  4. 기준 뷰에서 구멍 주를 선택합니다.
  5. 주석형식 패널 스타일 리스트에서 수정됨- 후행 0 없음(ISO)을 클릭합니다.

이전 | 다음