먼 쪽 자르기 기준면에서 입면뷰, 단면뷰 또는 콜아웃 뷰를 절단할 수 있습니다. 뷰에 대해 먼 쪽 자르기 매개변수를 사용하여 이 기능을 활성화합니다. 먼 쪽 자르기 기준면은 먼 쪽 자르기 간격띄우기 매개변수를 사용하여 정의합니다.
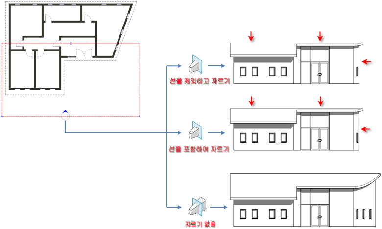
다음 그림은 모델의 절단 기준면과 먼 쪽 자르기 매개변수 옵션(선을 제외하고 자르기, 선을 포함하여 자르기 및 자르기 없음)에 대한 입면뷰 표현을 보여줍니다.

특정 뷰(예: 구조 보)에 기호 표현이 있는 요소와 절단 불가능 패밀리는 먼 쪽 자르기 기준면으로 입면뷰, 단면뷰 또는 콜아웃 뷰를 절단할 때 영향을 받지 않습니다. 즉, 절단되지 않고 계속 표시됩니다.
이 특성은 인쇄에 영향을 미칩니다.
먼 쪽 자르기 기준면으로 절단하려면
또는 도면 영역에서 뷰가 활성 상태인 경우 마우스 오른쪽 버튼을 클릭하고 뷰 특성을 클릭합니다.
먼 쪽 자르기 매개변수는 입면뷰, 단면뷰 및 콜아웃 뷰에 대해 사용할 수 있습니다. 콜아웃 뷰에서 이 매개변수를 사용하려면 멀리 잘라내기 설정 매개변수에 대해 독립적을 지정합니다.
먼 쪽 자르기 대화상자가 표시됩니다.
