Modificação do arquivo de iFeature

Na seguinte seção do tutorial, converteremos a iFeature que acaba de criar em uma iFeature baseada em tabela. Esta iFeature inserirá ranhuras em T de diferentes tamanhos. Editará a definição da tabela para que contenha os parâmetros correspondentes aos diferentes tamanhos. Também adicionará uma chave que pode ser usada para selecionar uma ranhura de um tamanho concreto durante a inserção.

  1. Abra o arquivo tutorial_TSlot.ide.
    Nota: Já que acaba de salvar um arquivo na pasta Ranhuras, a localização deve estar ativa ao selecionar Abrir. Se não estiver, uma cópia de backup do arquivo pode ser encontrada em ...\Autodesk\Inventor [Versão]\Arquivos do Tutorial\iFeatures.

    As iFeatures são armazenadas em arquivos com a extensão *.IDE. Contém geometria que representa as operações que vão adicionar (ou subtrair). O arquivo tutorial_TSlot contém superfícies de cor negra que representam a extrusão do corte. As operações do modelo não são alterados usando a Tabela de criação de iFeature.

    A guia da faixa de opções contém o painel de exibição de iFeatures.

  2. Na faixa de opções, clique na guia iFeature painel iFeature tabela de criação de iFeature
  3. Clique com o botão direito do mouse no 1 que aparece na célula à esquerda do parâmetro 12-mm na parte inferior da caixa de diálogo Autor de iFeature. Selecione Inserir linha no menu de contexto.
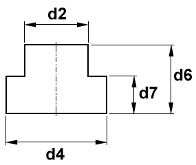
  4. Defina os valores da nova linha para d2 = 14 mm, d4 = 22 mm, d6 = 16 mm e d7 = 9 mm.
  5. Adicione duas linhas adicionais. Defina os valores da nova linha para d2 = 18 mm, d4 = 29 mm, d6 = 19 mm e d7 = 11 mm. Defina os valores da segunda linha para d2 = 22 mm, d4 = 35 mm, d6 = 25 mm e d7 = 14 mm.

    A seção da tabela de parâmetros da caixa de diálogo deve coincidir com a da ilustração:

  6. Clique na guia Outro na caixa de diálogo Autor de iFeature, e a seguir, clique no texto Clique aqui para adicionar valor .
  7. Na coluna Nome , clique em Novo Item0 e altere o texto para Tamanho.
  8. Na coluna Prompt , clique em Inserir Novo Item0 e altere o texto para Selecione tamanho.
  9. Clique o ícone de chave atenuada cinza situado à esquerda de Tamanho. Observe que o ícone de chave altera para cor azul e que é exibida um ícone de chave azul no cabeçalho da coluna Tamanho que agora está incluído na seção da tabela de parâmetro da caixa de diálogo.
  10. Edite o valor da chave de Tamanho para a cada uma das linhas da tabela de parâmetros da seguinte maneira:
      Valor para a linha 1: M10x1.5
      Valor para a linha 2: M12x1.75
      Valor para a linha 3: M16x2.0
      Valor para a linha 4: M20x2.5
    Nota: As cotas da ranhura e o tamanho da rosca do furo rosqueado selecionam as porcas em T métricas. O valor de Tamanho inserido previamente é a designação da rosca para um tamanho de ranhura em T. Os valores incluídos neste tutorial não cobrem todos os tamanhos de ranhura. Os valores incluídos neste tutorial não cobrem todos os tamanhos de ranhura.
  11. Clique em OK para salvar as linhas e a coluna de chave adicionadas na definição da iFeature.
  12. Salve e feche o tutorial_TSlot.ide.

Anterior | Avançar