關於表格交互參考格式

當您使用表格交互參考格式型式時,預覽影像會變更,以展示交互參考在圖面中的外觀。

圖形字體格式:

使用 JIC 型式或 IEC 型式圖形字體顯示交互參考格式。該設定會套用至圖形字體,這與專案性質中指定的加標籤模式無關。

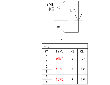
以下範例顯示在表格型式內部使用圖形字體格式的表格交互參考。未使用的子項 (接點) 的「使用以下內容填滿參考」值為「SP」。

JIC

IEC

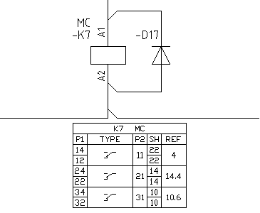
接點對映格式:

用交互參考的類型值 (NO、NC、NONC) 顯示交互參考格式。

JIC

IEC

符號對映格式:

顯示使用 AutoCAD 圖塊 (.dwg) 檔案來表現接點類型的交互參考格式。目錄查找資料庫中的 _XREF_GRAPHICS 表格會定義符號對映。會為插入的對映符號搜尋作用中的專案的線路圖資源庫資料夾。

JIC

IEC

C 類型接點與表格

一種典型的接點類型是 C 類型接點類型。該類型是由 2 個接點組成;其中 1 個開放,1 個封閉,它們共用一個共同的端子接腳號碼。您可以選擇將 C 類型的兩個接點做為兩個單個的符號插入,或者做為一個符號插入。

範例:兩個符號組成 C 類型接點

通用接腳位於參考欄的右側,並在表格的 P2 欄中顯示。

JIC

IEC

註: 如果使用符號對映方法,則即使插入了兩個獨立的接點,單個符號也只表示 C 類型接點。

範例:單個符號組成 C 類型接點

通用接腳位於參考欄的右側,並在表格的 P2 欄中顯示。

JIC

IEC

表格標題中的可取代參數

表格型式交互參考支援在表格標題中定義和顯示可取代參數。對圖面進行修改時,某些 AutoCAD Electrical 指令會將其納入考量。

刪除元件

如果具有交互參考表格的元件被刪除,則表格會一同從圖面中刪除。

為元件重新加標籤

如果為元件重新加標籤 (重新加標籤、移動元件、移動電路、編輯元件),若標籤是標題的一部分,則交互參考表格會更新。

編輯元件

如果為具有交互參考表格的元件修改了可取代參數,則表格標題會更新,以反映此變更。

複製目錄指定

當將不同的目錄號碼複製到父符號時,接腳清單與接點計數會更新,並且交互參考表格也會即時更新。

組合的安裝/位置標籤模式

如果圖面級位置值或安裝值發生變更,交互參考表格標題會更新,以反映此變更。

複製電路

如果複製了具有交互參考表格的電路,則表格標題會隨新標籤值而更新。

插入元件

如果插入具有交互參考表格的父元件,則會在交互參考屬性位置 (XREF 與 XREFNO) 插入表格。如果插入子元件,則交互參考表格會為父元件更新。

快速移動

如果快速移動具有交互參考表格的父元件,則表格也會沿配線快速移動。

註: 如果您要變更元件目錄號碼或將多個材料表目錄號碼加入元件 (同時變更「接腳清單」資料),則一旦您結束「插入/編輯元件」對話方塊,交互參考表格即會更新。此外,如果您要在父元件上手動修改「接腳清單」,則一旦結束「插入/編輯元件」對話方塊,交互參考表格即會更新為新接腳號碼與修改的接點計數。

不支援即時交互參考更新的指令有: