Este subensamblaje superpone un lado de una carretera existente y añade uno o varios carriles de circulación al borde utilizando el talud del peralte definido para el carril de circulación exterior.

El punto de enlace se encuentra en el borde interior de la parte superior de la capa de superposición si la profundidad de superposición es distinta de cero o en el borde interior de la rasante del carril de ensanchamiento si la profundidad de superposición es igual a cero.
Nota: todas las dimensiones se ofrecen en metros o en pies a menos que se indique lo contrario. Todos los taludes se expresan como recorrido por altura (por ejemplo, 4:1), a menos que se indiquen como un porcentaje de talud mediante el signo “%”.
|
Parámetro |
Descripción |
Tipo |
Valor por defecto |
|---|---|---|---|
|
Desfase del punto de control |
Desfase del punto de control, que define el principio de la capa de superposición del pavimento |
Numérico |
0.0 |
|
Desfase de punto de inserción |
Desfase del punto de inserción del carril de ensanchamiento, que normalmente se encuentra en el borde de la calzada existente. Al especificar un valor positivo para este parámetro se inserta este subensamblaje en el lado derecho de una obra lineal, o de una línea base de control. Si el valor es negativo, se insertará en el lado izquierdo. Para obtener más información, véase "Inserción de subensamblajes en los lados derecho e izquierdo de una obra lineal" en el capítulo Obras lineales de la Ayuda del Manual del usuario de AutoCAD Civil 3D. |
Numérico |
0.0 |
|
Profundidad de superposición |
Profundidad de la superposición por encima de la rasante existente en el punto de control. |
Numérico, positivo |
0.100 m 0.30 pies |
|
Anchura |
Anchura del carril de ensanchamiento |
Numérico, positivo |
3.6 m 12.0 pies |
|
Profundidad de pavimento1 |
Grosor de la capa Pavimento1 para el ensanchamiento del carril; cero para omitir |
Numérico, positivo |
0.025 m 0.083 pies |
|
Profundidad de pavimento2 |
Grosor de la capa Pavimento2 para el ensanchamiento del carril; cero para omitir |
Numérico, positivo |
0.025 m 0.083 pies |
|
Profundidad base |
Grosor de la capa base para el ensanchamiento del carril |
Numérico, positivo |
0.100 m 0.333 pies |
|
Profundidad de sub-base |
Grosor de la capa sub-base para el ensanchamiento del carril |
Numérico, positivo |
0.300 m 1.0 pies |
Esta sección muestra los parámetros de este subensamblaje que se pueden asignar a uno o varios objetos de destino, como una superficie, una alineación o un objeto de perfil en un dibujo. Para obtener más información, consulte en la Ayuda del Manual del usuario de AutoCAD Civil 3D.
|
Parámetro |
Descripción |
Estado |
|---|---|---|
|
Superficie existente |
Nombre de la superficie que define la carretera existente. Los tipos de objeto siguientes se pueden utilizar como destinos para especificar esta superficie: superficies. |
Obligatorio |
|
Desfase del punto de control |
Se puede usar para modificar el valor fijo del desfase del punto de control y asociar el punto a un desfase de alineación. Los tipos de objeto siguientes se pueden utilizar como destinos para especificar este desfase: alineaciones, polilíneas, líneas características o representaciones topográficas. |
Opcional |
|
Desfase de punto de inserción |
Se puede usar para modificar el valor fijo del desfase del punto de inserción y asociar el punto a un desfase de alineación. Los tipos de objeto siguientes se pueden utilizar como destinos para especificar este desfase: alineaciones, polilíneas, líneas características o representaciones topográficas. |
Opcional |
|
Anchura |
Se puede usar para modificar el valor fijo de la anchura del carril de ensanchamiento y asociar el borde del carril a un desfase de alineación. Los tipos de objeto siguientes se pueden utilizar como destinos para especificar este desfase: alineaciones, polilíneas, líneas características o representaciones topográficas. |
Opcional |
|
Parámetro |
Descripción |
Tipo |
|---|---|---|
|
% talud |
Talud calculado en la superficie existente desde el punto de muestra hasta el punto de inserción |
Numérico |
El peralte del carril exterior se obtiene a partir de las propiedades de la alineación de control actual y se determina la elevación en la superficie existente en el desfase del punto de control.
Si se especifica una profundidad de superposición distinta de cero, esta profundidad se aplica en el punto de control. La parte superior de la capa de superposición se extiende hasta el desfase del punto de inserción con el talud del peralte y la forma de la superposición se cierra mediante la superposición de vínculos sobre la superficie existente entre los puntos de control e inserción y la adición de vínculos verticales en cada extremo. El carril de ensanchamiento se extiende hacia fuera con el talud del peralte para la anchura dada desde el borde de la superficie de superposición.
Si la profundidad de superposición es igual a cero, el carril de ensanchamiento se extiende hacia fuera desde el desfase del punto de inserción de la superficie existente con el talud del peralte para la anchura dada.
Las capas de pavimento se cierran con vínculos verticales en los extremos. También se inserta un vínculo vertical sencillo desde el borde interior de la sub-base hasta la superficie existente.
En el modo de diseño, este subensamblaje se puede enlazar a cualquier punto adecuado. La capa de superposición se muestra a una profundidad uniforme con una anchura de 3.6 metros o 12 pies y extendida con un talud del -2%. Si la profundidad de superposición es igual a cero, la superposición se muestra como un vínculo sencillo. El carril de ensanchamiento se extiende desde el borde de la superposición con un talud del -2%.
Cuando se utilizan en el modo de modelado de obras lineales, las formas se ajustan al punto de control, el punto de inserción, el talud del peralte y la superficie existente.

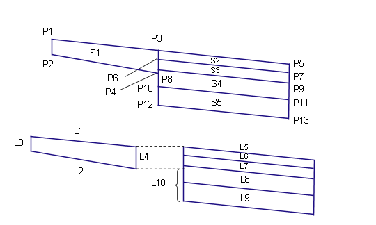
En la siguiente tabla se muestran los códigos de punto, de vínculo y de forma de este subensamblaje que tienen códigos asignados. Los códigos de punto, de vínculo y de forma de este subensamblaje que no tienen códigos asignados no se incluyen en esta tabla.
|
Punto, vínculo o forma |
Código |
Descripción |
|---|---|---|
|
P5 |
ETW |
Borde exterior del carril de ensanchamiento en la rasante |
|
P7 |
ETW_Pave1 |
Borde exterior del carril de ensanchamiento en Pavimento1 |
|
P9 |
ETW_Pave2 |
Borde exterior del carril de ensanchamiento en Pavimento2 |
|
P11 |
ETW_Base |
Borde exterior del carril de ensanchamiento en Base |
|
P13 |
ETW_Sub |
Borde exterior del carril de ensanchamiento en Sub-base |
|
L1, L5 |
Top, Pave |
Superficie de la rasante |
|
L2 |
Overlay |
Superimpuesta sobre los vínculos en la superficie existente. Puede haber más de un solo vínculo entre los puntos P3 y P4. |
|
L6 |
Pave1 |
|
|
L7 |
Pave2 |
|
|
L8 |
Base |
|
|
L9 |
Subbase, Datum |
|
|
L10 |
Datum |
|
|
S1 |
Overlay |
Área entre la superposición y el carril existente. |
|
S2 |
Pave1 |
|
|
S3 |
Pave2 |
|
|
S4 |
Base |
|
|
S5 |
Subbase |
