Este subensamblaje superpone un lado de una carretera existente y añade uno o varios carriles de circulación al borde haciendo que los taludes coincidan con los de los carriles existentes.

El punto de enlace se encuentra en el borde interior de la parte superior de la capa de superposición.
Nota: todas las dimensiones se ofrecen en metros o en pies a menos que se indique lo contrario. Todos los taludes se expresan como recorrido por altura (por ejemplo, 4:1), a menos que se indiquen como un porcentaje de talud mediante el signo “%”.
|
Parámetro |
Descripción |
Tipo |
Valor por defecto |
|---|---|---|---|
|
Desfase de punto de muestra |
Desfase del punto de muestra, que se puede encontrar en cualquier lugar entre el punto de inserción y la siguiente discontinuidad de pendiente de la superficie de la carretera existente. Las ubicaciones típicas de los puntos de muestra son el bombeo de la carretera o el borde de la calzada opuesto si la carretera no tiene bombeo. |
Numérico |
0.0 |
|
Desfase de punto de inserción |
Desfase del punto de inserción, que normalmente se encuentra en el borde de la calzada en el que debe producirse el ensanchamiento |
Numérico |
0.0 |
|
Profundidad de superposición |
Profundidad de la superposición por encima de la rasante existente |
Numérico, positivo |
0.100 m 0.30 pies |
|
Anchura |
Anchura del carril de ensanchamiento |
Numérico, positivo |
3.6 m 12.0 pies |
|
Profundidad de pavimento1 |
Grosor de la capa Pavimento1 para el ensanchamiento del carril; cero para omitir |
Numérico, positivo |
0.025 m 0.083 pies |
|
Profundidad de pavimento2 |
Grosor de la capa Pavimento2 para el ensanchamiento del carril; cero para omitir |
Numérico, positivo |
0.025 m 0.083 pies |
|
Profundidad base |
Grosor de la capa base para el ensanchamiento del carril |
Numérico, positivo |
0.100 m 0.333 pies |
|
Profundidad de sub-base |
Grosor de la capa sub-base para el ensanchamiento del carril |
Numérico, positivo |
0.300 m 1.0 pies |
Esta sección muestra los parámetros de este subensamblaje que se pueden asignar a uno o varios objetos de destino, como una superficie, una alineación o un objeto de perfil en un dibujo. Para obtener más información, consulte en la Ayuda del Manual del usuario de AutoCAD Civil 3D.
|
Parámetro |
Descripción |
Estado |
|---|---|---|
|
Superficie existente |
Nombre de la superficie que define la carretera existente. Los tipos de objeto siguientes se pueden utilizar como destinos para especificar esta superficie: superficies. |
Obligatorio |
|
Desfase de punto de muestra |
Se puede usar para modificar el valor fijo del desfase del punto de muestra y asociar el punto a un desfase de alineación. Los tipos de objeto siguientes se pueden utilizar como destinos para especificar este desfase: alineaciones, polilíneas, líneas características o representaciones topográficas. |
Opcional |
|
Desfase de punto de inserción |
Se puede usar para modificar el valor fijo del desfase del punto de inserción y asociar el punto a un desfase de alineación. Los tipos de objeto siguientes se pueden utilizar como destinos para especificar este desfase: alineaciones, polilíneas, líneas características o representaciones topográficas. |
Opcional |
|
Anchura |
Se puede usar para modificar el valor fijo de la anchura del carril de ensanchamiento y asociar el borde del carril a un desfase de alineación. Los tipos de objeto siguientes se pueden utilizar como destinos para especificar este desfase: alineaciones, polilíneas, líneas características o representaciones topográficas. |
Opcional |
|
Parámetro |
Descripción |
Tipo |
|---|---|---|
|
% talud |
Talud calculado en la superficie existente desde el punto de muestra hasta el punto de inserción |
Numérico |
Se determinan las elevaciones del punto de muestra y el punto de inserción en la superficie existente y se calcula el talud desde el punto de muestra al punto de inserción. Se añade una capa de superposición por encima del carril existente con el mismo talud para la profundidad de superposición dada. Se crea una forma de superposición cerrada mediante la superposición de uno o varios vínculos sobre la pendiente existente. El carril de ensanchamiento se enlaza hacia fuera de la superposición en el desfase de inserción utilizando el talud calculado.
Las capas de pavimento se cierran con vínculos verticales en los extremos. También se inserta un vínculo vertical sencillo desde el borde interior de la sub-base hasta la superficie existente.
En el modo de diseño, el subensamblaje se enlaza a cualquier punto adecuado. La capa de superposición se muestra a una profundidad uniforme para una anchura de 3.6 metros o 12 pies con un talud del -2%. El carril de ensanchamiento se extiende desde el borde de la superposición para la anchura y las profundidades dadas con un talud del -2%.
En el modo de modelado, las formas se ajustan a las condiciones reales determinadas por el punto de muestra, el punto de inserción y la superficie existente.

En la siguiente tabla se muestran los códigos de punto, de vínculo y de forma de este subensamblaje que tienen códigos asignados. Los códigos de punto, de vínculo y de forma de este subensamblaje que no tienen códigos asignados no se incluyen en esta tabla.
|
Punto, vínculo o forma |
Código |
Descripción |
|---|---|---|
|
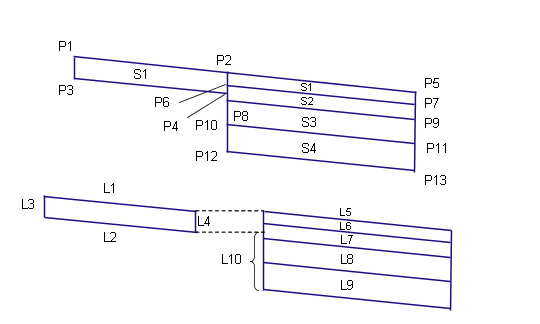
P5 |
ETW |
Borde exterior del carril de ensanchamiento en la rasante |
|
P7 |
ETW_Pave1 |
Borde exterior del carril de ensanchamiento en Pavimento1 |
|
P9 |
ETW_Pave2 |
Borde exterior del carril de ensanchamiento en Pavimento2 |
|
P11 |
ETW_Base |
Borde exterior del carril de ensanchamiento en Base |
|
P13 |
ETW_Sub |
Borde exterior del carril de ensanchamiento en Sub-base |
|
L1, L5 |
Top, Pave |
Superficie de la rasante |
|
L2 |
Overlay |
Superimpuesta sobre los vínculos en la superficie existente. Puede haber más de un solo vínculo entre los puntos P3 y P4. |
|
L6 |
Pave1 |
|
|
L7 |
Pave2 |
|
|
L8 |
Base |
|
|
L9 |
Subbase, Datum |
|
|
L10 |
Datum |
|
|
S1 |
Overlay |
Área entre la superposición y el carril existente |
|
S2 |
Pave1 |
|
|
S3 |
Pave2 |
|
|
S4 |
Base |
|
|
S5 |
Subbase |
