Ricoprimento amplia con sopraelevazione 1

Questo componente sezione tipo esegue il ricoprimento di un lato di una strada esistente e aggiunge una o più corsie di percorrenza al bordo utilizzando la pendenza di sopraelevazione definita per la corsia di percorrenza esterna.

Associazione

Il punto di associazione si trova in corrispondenza del bordo interno della sommità dello strato di ricoprimento se lo spessore di ricoprimento è diverso da zero, oppure al bordo interno della finitura della corsia di allargamento se lo spessore di ricoprimento è uguale a zero.

Parametri di input

Nota: tutte le quote sono espresse in metri o in piedi, se non diversamente indicato. Tutte le pendenze sono espresse come rapporto scostamento orizzontale su differenza di quota (ad esempio 4 : 1) a meno che il segno "%" non indichi che vanno espresse in percentuale.

Parametro

Description

Tipo

Default

Scostamento punto di controllo

Scostamento del punto di controllo, che definisce l'inizio dello strato di ricoprimento della pavimentazione

Numerico

0.0

Scostamento punto di inserimento

Scostamento del punto di inserimento della corsia di allargamento, che si trova generalmente in corrispondenza del ciglio della corsia esistente. La specifica di un valore positivo per questo parametro comporta l'inserimento del componente sezione tipo a destra di un modellatore o di una linea base di controllo. La specifica di un valore negativo determina l'inserimento a sinistra. Per ulteriori informazioni, vedere la sezione relativa all'inserimento dei componenti sezione tipo a destra e a sinistra di un modellatore, nel capitolo sui modellatori del Manuale dell'utente di AutoCAD Civil 3D.

Numerico

0.0

Spessore ricoprimento

Spessore del ricoprimento sulla finitura esistente in corrispondenza del punto di controllo

Numerico, positivo

0.100 m

0.30 piedi

Larghezza

Larghezza della corsia di allargamento

Numerico, positivo

3.6 m

12.0 piedi

Spessore Pavimentazione1

Spessore dello strato Pavimentazione1 per l'allargamento della corsia (zero per omettere)

Numerico, positivo

0.025 m

0.083 piedi

Spessore Pavimentazione2

Spessore dello strato Pavimentazione2 per l'allargamento della corsia (zero per omettere)

Numerico, positivo

0.025 m

0.083 piedi

Spessore Base

Spessore dello strato di base per l'allargamento della corsia

Numerico, positivo

0.100 m

0.333 piedi

Spessore Sottobase

Spessore dello strato di sottobase per l'allargamento della corsia

Numerico, positivo

0.300 m

1.0 piedi

Parametri obiettivo

In questa sezione sono elencati i parametri del componente sezione tipo che possono essere associati ad uno o più oggetti obiettivo, quale un oggetto superficie, tracciato o profilo di una Carta. Per ulteriori informazioni, vedere nel Manuale dell'utente di AutoCAD Civil 3D.

Parametro

Description

Stato

Superficie esistente

Nome della superficie che definisce la sezione stradale esistente. È possibile utilizzare il seguente tipo di oggetto come obiettivo per la specificazione della superficie: superfici.

Obbligatorio

Scostamento punto di controllo

Può essere utilizzato per sostituire il valore fisso Scostamento punto di controllo e collegare il punto ad un tracciato scostamento. È possibile utilizzare i seguenti tipi di oggetto come obiettivi per la specificazione dell'offset: tracciati, polilinee, linee caratteristiche o figure di rilievo.

Facoltativo

Scostamento punto di inserimento

Può essere utilizzato per sostituire il valore fisso Scostamento punto di inserimento e collegare il punto ad un tracciato scostamento È possibile utilizzare i seguenti tipi di oggetto come obiettivi per la specificazione dell'offset: tracciati, polilinee, linee caratteristiche o figure di rilievo.

Facoltativo

Larghezza

Può essere utilizzato per sostituire il valore fisso Larghezza della corsia di allargamento e collegare il bordo della corsia ad un tracciato scostamento È possibile utilizzare i seguenti tipi di oggetto come obiettivi per la specificazione dell'offset: tracciati, polilinee, linee caratteristiche o figure di rilievo.

Facoltativo

Parametri di output

Parametro

Description

Tipo

Pendenza %

La pendenza calcolata sulla superficie esistente dal punto campione al punto di inserimento

Numerico

Funzionamento

La sopraelevazione della corsia esterna si ottiene dalle proprietà tracciato del tracciato di controllo corrente, mentre la quota altimetrica della superficie esistente viene determinata in corrispondenza dello scostamento del punto di controllo.

Se viene specificato uno spessore di ricoprimento diverso da zero, tale spessore viene applicato nel punto di controllo. La sommità dello strato di ricoprimento si estende fino allo scostamento del punto di inserimento secondo la pendenza di sopraelevazione. La forma del ricoprimento viene chiusa dalla sovrapposizione di collegamenti sopra la superficie esistente, tra i punti di controllo e i punti di inserimento, e con l'aggiunta di collegamenti verticali a ciascuna estremità. La corsia di allargamento si estende verso l'esterno secondo la pendenza di sopraelevazione per la larghezza specificata, dal bordo della superficie di ricoprimento.

Se lo spessore di ricoprimento è uguale a zero, la corsia di allargamento si estende verso l'esterno dallo scostamento del punto di inserimento sulla superficie esistente, secondo la pendenza di sopraelevazione per la larghezza specificata.

Gli strati della pavimentazione sono chiusi con collegamenti verticali a ciascuna estremità. Viene aggiunto inoltre un singolo collegamento verticale dal bordo interno della sottobase alla superficie esistente.

Funzionamento in modalità layout

In modalità layout questo componente sezione tipo può essere associato a qualsiasi punto appropriato. Lo strato di ricoprimento viene visualizzato ad uno spessore uniforme con una larghezza di 3,6 metri o 12 piedi ed esteso con pendenza -2%. Se lo spessore di ricoprimento è uguale a zero, il ricoprimento viene visualizzato come collegamento singolo. La corsia di allargamento si estende dal bordo del ricoprimento con pendenza -2%.

Se utilizzate in modalità elaborazione modellatori, le forme vengono regolate sul punto di controllo selezionato, sul punto di inserimento, sulla pendenza di sopraelevazione e sulla superficie esistente.

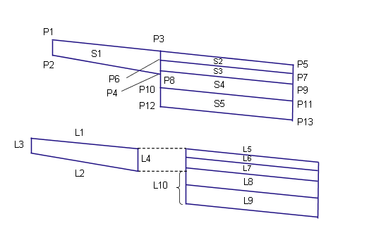
Codici punto, collegamento e forma

Nella tabella seguente sono elencati i codici punto, collegamento e forma di questo componente sezione tipo ai quali sono assegnati codici. Quelli che non dispongono di codice non sono inclusi nella tabella.

Punto, collegamento o forma

Codice

Description

P5

ETW

Bordo esterno della corsia di allargamento sulla finitura

P7

ETW_Pave1

Bordo esterno della corsia di allargamento su Pavimentazione1

P9

ETW_Pave2

Bordo esterno della corsia di allargamento su Pavimentazione2

P11

ETW_Base

Bordo esterno della corsia di allargamento su Base

P13

ETW_Sub

Bordo esterno della corsia di allargamento su Sottobase

L1, L5

Top, Pave

Superficie di finitura

L2

Overlay

Sovrapposto ai collegamenti sulla superficie esistente. Si noti che possono esistere più collegamenti tra i punti P3 e P4.

L6

Pave1

L7

Pave2

L8

Base

L9

Subbase, Datum

L10

Datum

S1

Overlay

Area tra ricoprimento e corsia esistente.

S2

Pave1

S3

Pave2

S4

Base

S5

Subbase

Diagramma di codifica