Questo componente sezione tipo viene utilizzato per eseguire il ricoprimento di un lato di una strada esistente e aggiungere una o più corsie di percorrenza al bordo intorno ad un cordolo esterno dell'intersezione.
È simile al componente sezione tipo Ricoprimento amplia corrispondenza pendenza 1, ad eccezione del fatto che si estende verso l'interno rispetto ad un punto di sbalzo di cordolo specificato o esistente.

Il punto di associazione si trova sul bordo esterno della sezione di allargamento della corsia. In genere, questo componente sezione tipo viene inserito verso l'interno rispetto allo sbalzo di un cordolo e una cunetta specificati ed esistenti, o al bordo esterno della pavimentazione intorno ad un cordolo esterno dell'intersezione.
Nota: tutte le quote sono espresse in metri o in piedi, se non diversamente indicato. Tutte le pendenze sono espresse come rapporto scostamento orizzontale su differenza di quota (ad esempio 4 : 1) a meno che il segno "%" non indichi che vanno espresse in percentuale.
|
Parametro |
Description |
Tipo |
Default |
|---|---|---|---|
|
Side |
Specifica il lato del punto di associazione cui verrà aggiunto il componente sezione tipo. |
Booleano |
Sinistro / Destro |
|
Larghezza allargamento |
Larghezza della corsia di allargamento. |
Numerico, positivo |
3.6 m 12.0 piedi |
|
Larghezza ricoprimento |
Larghezza del ricoprimento di pavimentazione. |
Numerico, positivo |
3.6 m 12.0 piedi |
|
Slope |
Pendenza di ricoprimento e allargamento. |
Numerico |
- 2% |
|
Spessore Pavimentazione1 |
Spessore dello strato Pavimentazione1 per l'allargamento della corsia (zero per omettere) |
Numerico, positivo |
0.025 m 0.083 piedi |
|
Spessore Pavimentazione2 |
Spessore dello strato Pavimentazione2 per l'allargamento della corsia (zero per omettere) |
Numerico, positivo |
0.025 m 0.083 piedi |
|
Spessore Base |
Spessore dello strato di base per l'allargamento della corsia. |
Numerico, positivo |
0.100 m 0.333 piedi |
|
Spessore Sottobase |
Spessore dello strato di sottobase per l'allargamento della corsia. |
Numerico, positivo |
0.300 m 1.0 piedi |
In questa sezione sono elencati i parametri del componente sezione tipo che possono essere associati ad uno o più oggetti obiettivo, quale un oggetto superficie, tracciato o profilo di una Carta. Per ulteriori informazioni, vedere nel Manuale dell'utente di AutoCAD Civil 3D.
|
Parametro |
Description |
Stato |
|---|---|---|
|
Superficie esistente |
Nome della superficie che definisce la sezione stradale esistente. È possibile utilizzare il seguente tipo di oggetto come obiettivo per la specificazione della superficie: superfici. |
Obbligatorio |
|
Scostamento allargamento |
Può essere utilizzato per sostituire il valore fisso di Larghezza allargamento e collegare il bordo interno di allargamento ad un tracciato. È possibile utilizzare i seguenti tipi di oggetto come obiettivi per la specificazione dell'offset: tracciati, polilinee, linee caratteristiche o figure di rilievo. |
Facoltativo |
|
Scostamento ricoprimento |
Può essere utilizzato per sostituire la larghezza del ricoprimento e collegare il bordo interno del ricoprimento ad un tracciato. È possibile utilizzare i seguenti tipi di oggetto come obiettivi per la specificazione dell'offset: tracciati, polilinee, linee caratteristiche o figure di rilievo. |
Facoltativo |
|
Profilo ricoprimento |
Può essere utilizzato per sostituire la pendenza e collegare la quota altimetrica del bordo interno del ricoprimento ad un profilo dando origine ad una pendenza calcolata. È possibile utilizzare i seguenti tipi di oggetto come obiettivi per la specificazione della quota altimetrica: profili, polilinee 3D, linee caratteristiche o figure di rilievo. |
Facoltativo |
|
Parametro |
Description |
Tipo |
|---|---|---|
|
Pendenza % |
La pendenza calcolata sulla superficie esistente dal punto campione al punto di inserimento |
Numerico |
Il punto di associazione determina lo scostamento e la quota altimetrica del bordo esterno di allargamento. La posizione del bordo interno dell'allargamento e del bordo interno del ricoprimento dipendono dalla pendenza e dalle larghezze specificate. Per sostituire le larghezze numeriche specificate, è possibile utilizzare i tracciati. Se si specifica il profilo di ricoprimento, la pendenza viene calcolata tra la quota altimetrica del profilo in prossimità del bordo interno del ricoprimento e il punto di associazione.
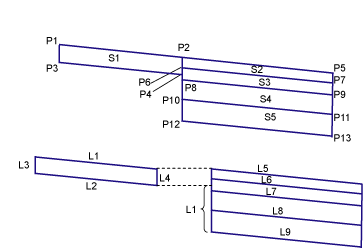
Nella figura che segue viene mostrata una situazione con un profilo di scostamento del ricoprimento. Se si specifica il profilo di ricoprimento, la pendenza viene calcolata tra la quota altimetrica del profilo in prossimità del bordo interno del ricoprimento e il punto di associazione.

Nella figura che segue viene mostrata una situazione senza un profilo di scostamento del ricoprimento.

È importante osservare che la pendenza da sinistra a destra del componente sezione tipo è uguale, nonché che la stessa pendenza viene applicata a tutte le sottosuperfici.
Infine, se il profilo di ricoprimento viene associato, è necessario aggiungere collegamenti verticali (a) dallo scostamento del ricoprimento alla superficie obiettivo (EG) e (b) dalla fine del ricoprimento e dall'inizio dell'allargamento alla superficie obiettivo (EG), nonché (c) aggiungere collegamenti tra due punti lungo i collegamenti (tracciatura) della superficie obiettivo (EG).
L'area creata da questa forma verrà codificata come "ricoprimento" (S1) nel diagramma di codifica riportato sotto.
Il ricoprimento è l'area compresa tra la parte superiore del ricoprimento e il terreno esistente e può presentare uno spessore non uniforme.
In modalità layout questo componente sezione tipo è associato a qualsiasi punto appropriato. Il componente sezione tipo viene mostrato con la pendenza e le larghezze specificate. In modalità modellazione le forme si adattano alle condizioni effettive definite dalla superficie esistente e dal profilo e dai tracciati della logica di esecuzione.
Nella tabella seguente sono elencati i codici punto, collegamento e forma di questo componente sezione tipo ai quali sono assegnati codici. Quelli che non dispongono di codice non sono inclusi nella tabella.
| Punto, collegamento o forma | Codes | Description |
|---|---|---|
| P5 | ETW | Bordo esterno della corsia di allargamento sulla finitura |
| P7 | ETW_Pave1 | Bordo esterno della corsia di allargamento su Pavimentazione1 |
| P9 | ETW_Pave2 | Bordo esterno della corsia di allargamento su Pavimentazione2 |
| P11 | ETW_Base | Bordo esterno della corsia di allargamento su Base |
| P13 | ETW_Sub | Bordo esterno della corsia di allargamento su Sottobase |
| L1, L5 | Top, Pave | Superficie di finitura |
| L2 | Overlay | Sovrapposto ai collegamenti sulla superficie esistente. Possono esistere più collegamenti tra i punti P3 e P4. |
| L6 | Pave1 | |
| L7 | Pave2 | |
| L8 | Base | |
| L9 | Subbase, Datum | |
| L10 | Datum | |
| S1 | Overlay | Area tra ricoprimento e corsia esistente. |
| S2 | Pave1 | |
| S3 | Pave2 | |
| S4 | Base | |
| S5 | Subbase |
