このサブアセンブリは、既存の道路の一方の側にオーバーレイ処理を行い、縁石の側面の方向が変わる端に 1 つまたは複数の車線を追加するのに使用します。
[勾配に合わせた拡幅オーバーレイ 1]サブアセンブリと同様のサブアセンブリですが、既存または作成予定の縁石のフランジ ポイントから内側方向に拡張される点が異なります。

アタッチメント ポイントは、車線拡幅部の外端にあります。 通常、このサブアセンブリは、(1)既存または作成予定の縁石および側溝のフランジを起点として、あるいは(2)縁石の側面の方向が変わる舗装の外端を起点として、内側方向に挿入されます。
注: すべての寸法は、特に注記がない限り、メートルまたはフィート単位です。すべての勾配は、「%」記号によりパーセント勾配であることが示されていない限り、底辺 : 高さの比(例、4 : 1)です。
|
パラメータ |
説明 |
タイプ |
既定値 |
|---|---|---|---|
|
作成方向 |
このサブアセンブリをどちら側のアタッチメント ポイントに追加するか指定します。 |
ブール演算 |
左側/右側 |
|
拡幅幅 |
拡幅車線の幅。 |
数値、正 |
3.6 m 12.0 ft |
|
オーバーレイ幅 |
舗装オーバーレイの幅。 |
数値、正 |
3.6 m 12.0 ft |
|
勾配 |
オーバーレイおよび拡幅の勾配。 |
数値 |
- 2% |
|
表層 1 の深さ |
車線拡幅部の表層 1 の厚み。省略する場合はゼロ。 |
数値、正 |
0.025 m 0.083 ft |
|
表層 2 の深さ |
車線拡幅部の表層 2 の厚み。省略する場合はゼロ。 |
数値、正 |
0.025 m 0.083 ft |
|
基層の深さ |
車線拡幅部の基層の厚み。 |
数値、正 |
0.100 m 0.333 ft |
|
路盤の深さ |
車線拡幅部の路盤層の厚み。 |
数値、正 |
0.300 m 1.0 ft |
このセクションでは、図面のサーフェス、線形、縦断オブジェクトなど、1 つまたは複数のターゲット オブジェクトにマッピングすることが可能なサブアセンブリのパラメータを一覧表示します。詳細は、『AutoCAD Civil 3D のユーザ ガイド ヘルプ』の「」を参照してください。
|
パラメータ |
説明 |
ステータス |
|---|---|---|
|
既存サーフェス |
既存の道路を定義するサーフェスの名前。ターゲットとして使用できるオブジェクト タイプはサーフェスです。 |
必須 |
|
拡幅オフセット |
[拡幅幅]の固定値を変更し、拡幅の内端と線形を繋ぐ場合に使用します。このオフセットを指定するターゲットとして、線形、ポリライン、計画線、および測量図形の各オブジェクト タイプが使用できます。 |
オプション |
|
オフセット オーバーレイ |
[オーバーレイ幅]の値を変更し、オーバーレイの内端と線形を繋ぐ場合に使用します。このオフセットを指定するターゲットとして、線形、ポリライン、計画線、および測量図形の各オブジェクト タイプが使用できます。 |
オプション |
|
オーバーレイ縦断 |
[勾配]の値を変更し、オーバーレイの内端の標高と縦断を繋ぐ場合に使用します。勾配は計算された勾配となります。標高を指定するターゲットとして、縦断、3D ポリライン、計画線、および測量図形の各オブジェクト タイプが使用できます。 |
オプション |
|
パラメータ |
説明 |
タイプ |
|---|---|---|
|
% 勾配 |
既存サーフェス上サンプル ポイントから挿入ポイントまでの計算済み勾配 |
数値 |
アタッチメント ポイントが、拡幅の外端のオフセットと標高を決定します。拡幅の内端の位置およびオーバーレイの内端の位置は、幅と勾配の指定値を基に決定されます。線形を使用すると、幅の指定値(数値)を変更することができます。オーバーレイ縦断が指定されている場合、勾配は、オーバーレイの内端の縦断標高とアタッチメント ポイントとの間で計算されます。
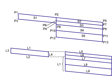
次の図は、オーバーレイ オフセット縦断のある状況を示しています。(オーバーレイ縦断が指定されている場合、勾配は、オーバーレイの内端の縦断標高とアタッチメント ポイントとの間で計算されます。)

次の図は、オーバーレイ オフセット縦断がない状況を示しています。

サブアセンブリの左側から右側への勾配は同一になります。また、同じ勾配がサブサーフェスすべてに適用されます。
オーバーレイ縦断をアタッチする場合、以下のリンクを追加する必要があります。(a)オーバーレイ オフセットから、ターゲット(EG)サーフェスまでの垂直リンク。(b)オーバーレイの終点と拡幅の始点から、ターゲット(EG)サーフェスまでの垂直リンク。(C)ターゲット(EG)サーフェス リンクに沿って 2 つのポイントを繋ぐリンク。
このシェイプによって作成される領域は、下記のコード表にあるように、[オーバーレイ](S1)とコード化されます。
このオーバーレイは、オーバーレイの上部と現況地盤の間の領域であり、深さが一定でないこともあります。
レイアウト モードの場合、このサブアセンブリは任意のポイントにアタッチできます。 このサブアセンブリは、指定した幅と勾配で作成されます。モデル モードの場合、既存のサーフェスや、線形および縦断のターゲット パラメータで決定される実際の条件に合わせてシェイプが調整されます。
次の表は、このサブアセンブリのポイント、リンク、およびシェイプ コードのうち、コードが割り当てられているものを一覧表示しています。このサブアセンブリのポイント、リンク、シェイプ コードのうち、コードが割り当てられていないものは表に含まれません。
| ポイント、リンク、またはシェイプ | コード | 説明 |
|---|---|---|
| P5 | ETW | 表層上における拡幅車線の外側の端 |
| P7 | ETW_Pave1 | 表層 1 上における拡幅車線の外側の端 |
| P9 | ETW_Pave2 | 表層 2 上における拡幅車線の外側の端 |
| P11 | ETW_Base | 基層上における拡幅車線の外側の端 |
| P13 | ETW_Sub | 路盤上における拡幅車線の外側の端 |
| L1、L5 | Top、Pave | 表層サーフェス |
| L2 | Overlay | 既存サーフェス上のリンクで重なる部分。ポイント P3 とポイント P4 の間は、リンクが重なっている場合があるので注意してください。 |
| L6 | Pave1 | |
| L7 | Pave2 | |
| L8 | Base | |
| L9 | Subbase、Datum | |
| L10 | Datum | |
| S1 | Overlay | オーバーレイと既存車線の間にある領域 |
| S2 | Pave1 | |
| S3 | Pave2 | |
| S4 | Base | |
| S5 | Subbase |
