このサブアセンブリは、既存道路の片側をオーバーレイし、既存車線と同じ勾配を持つ 1 つまたは複数の車線を端に追加します。

アタッチメント ポイントは、オーバーレイ層上面の内側の端にあります。
注: すべての寸法は、特に注記がない限り、メートルまたはフィート単位です。すべての勾配は、「%」記号によりパーセント勾配であることが示されていない限り、底辺 : 高さの比(例、4 : 1)です。
|
パラメータ |
説明 |
タイプ |
既定値 |
|---|---|---|---|
|
サンプル ポイントのオフセット |
サンプル ポイントのオフセット。挿入ポイントから、既存道路サーフェス上の最初の車線勾配変化点までであれば、どの位置にポイントを設定してもかまいません。通常、サンプル ポイントは道路のクラウンに、またはクラウンなしの道路の場合は走行車線反対側の端に設定します。 |
数値 |
0.0 |
|
挿入ポイントのオフセット |
挿入ポイントのオフセット。通常、車線の拡幅を行う走行車線の端に設定します。 |
数値 |
0.0 |
|
オーバーレイの深さ |
既存の表層の上のオーバーレイの深さ |
数値、正 |
0.100 m 0.30 ft |
|
幅 |
拡幅車線の幅 |
数値、正 |
3.6 m 12.0 ft |
|
表層 1 の深さ |
車線拡幅部の表層 1 の厚み。省略する場合はゼロ。 |
数値、正 |
0.025 m 0.083 ft |
|
表層 2 の深さ |
車線拡幅部の表層 2 の厚み。省略する場合はゼロ。 |
数値、正 |
0.025 m 0.083 ft |
|
基層の深さ |
車線拡幅部の基層の厚み |
数値、正 |
0.100 m 0.333 ft |
|
路盤の深さ |
車線拡幅部の路盤層の厚み |
数値、正 |
0.300 m 1.0 ft |
このセクションでは、図面のサーフェス、線形、縦断オブジェクトなど、1 つまたは複数のターゲット オブジェクトにマッピングすることが可能なサブアセンブリのパラメータを一覧表示します。詳細は、『AutoCAD Civil 3D ユーザ ガイド ヘルプ』の「」を参照してください。
|
パラメータ |
説明 |
ステータス |
|---|---|---|
|
既存サーフェス |
既存の道路を定義するサーフェスの名前。ターゲットとして使用できるオブジェクト タイプはサーフェスです。 |
必須 |
|
サンプル ポイントのオフセット |
[サンプル ポイントのオフセット]の固定値を変更し、ポイントとオフセット線形を繋ぐ場合に使用します。このオフセットを指定するターゲットとして、線形、ポリライン、計画線、および測量図形の各オブジェクト タイプが使用できます。 |
オプション |
|
挿入ポイントのオフセット |
[挿入ポイントのオフセット]の固定値を変更し、ポイントとオフセット線形を繋ぐ場合に使用します。このオフセットを指定するターゲットとして、線形、ポリライン、計画線、および測量図形の各オブジェクト タイプが使用できます。 |
オプション |
|
幅 |
拡幅車線の幅の固定値を変更し、車線の端とオフセット線形を繋ぐ場合に使用します。このオフセットを指定するターゲットとして、線形、ポリライン、計画線、および測量図形の各オブジェクト タイプが使用できます。 |
オプション |
|
パラメータ |
説明 |
タイプ |
|---|---|---|
|
% 勾配 |
既存サーフェス上サンプル ポイントから挿入ポイントまでの計算済み勾配 |
数値 |
既存サーフェス上のサンプル ポイントと挿入ポイントの標高が決定され、サンプル ポイントから挿入ポイントへの勾配が計算されます。計算された勾配と指定したオーバーレイの深さで、既存の車線上にオーバーレイ層が追加されます。既存の勾配上に 1 つまたは複数のリンクを重ねることで、閉じられたオーバーレイ シェイプが作成されます。拡幅車線は、計算された勾配で、挿入オフセットのオーバーレイから外側に向かってアタッチされます。
拡幅車線部の両端に垂直リンクが挿入され、舗装層が閉じられます。また、路盤の内端から既存のサーフェスまで、1 つの垂直リンクが挿入されます。
レイアウト モードの場合、このサブアセンブリは任意のポイントにアタッチできます。オーバーレイ層が、幅 3.6 メートルまたは 12 フィート、勾配 -2%、一定の深さを持つものとして表示されます。また、-2% の勾配で、拡幅車線がオーバーレイの端から指定した幅だけ延長されます。
モデル モードの場合、サンプル ポイント、挿入ポイント、および既存のサーフェスで決まる実際の条件に合わせてシェイプが調整されます。

次の表は、このサブアセンブリのポイント、リンク、およびシェイプ コードのうち、コードが割り当てられているものを一覧表示しています。このサブアセンブリのポイント、リンク、シェイプ コードのうち、コードが割り当てられていないものは表に含まれません。
|
ポイント、リンク、またはシェイプ |
コード |
説明 |
|---|---|---|
|
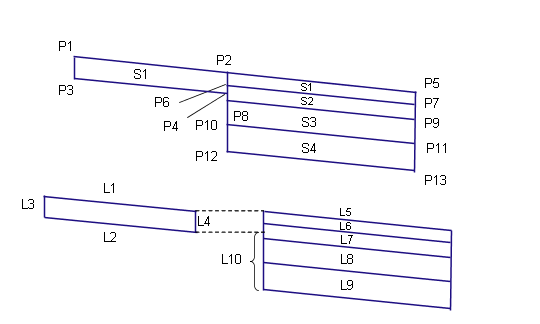
P5 |
ETW |
表層上における拡幅車線の外側の端 |
|
P7 |
ETW_Pave1 |
表層 1 上における拡幅車線の外側の端 |
|
P9 |
ETW_Pave2 |
表層 2 上における拡幅車線の外側の端 |
|
P11 |
ETW_Base |
基層上における拡幅車線の外側の端 |
|
P13 |
ETW_Sub |
路盤上における拡幅車線の外側の端 |
|
L1、L5 |
Top、Pave |
表層サーフェス |
|
L2 |
Overlay |
既存サーフェス上のリンクで重なる部分。ポイント P3 と P4 の間は、リンクが重なっている場合があるので注意してください。 |
|
L6 |
Pave1 |
|
|
L7 |
Pave2 |
|
|
L8 |
Base |
|
|
L9 |
Subbase、Datum |
|
|
L10 |
Datum |
|
|
S1 |
Overlay |
オーバーレイと既存車線の間にある領域 |
|
S2 |
Pave1 |
|
|
S3 |
Pave2 |
|
|
S4 |
Base |
|
|
S5 |
Subbase |
