이 횡단구성요소는 기존 도로의 한쪽을 중첩하고 기존 차선 경사를 일치시키면서 하나 이상의 주행 차선을 모서리에 추가합니다.

부착점은 중첩 도면층 맨 위의 내부 모서리에 있습니다.
주석: 모든 치수는 다른 설명이 없는 한 미터 또는 피트 단위로 되어 있습니다. 모든 경사는 “%” 기호와 함께 퍼센트 경사로 표시되지 않는 한 종횡비 양식(예: 4 : 1)입니다.
|
매개변수 |
설명 |
유형 |
기본값 |
|---|---|---|---|
|
단면 검토 점 간격띄우기 |
삽입점과 기존 도로 지표면의 다음 경사 변경 사이의 임의의 위치에 있을 수 있는 단면 검토 점의 간격띄우기입니다. 일반 단면 검토 점 위치는 도로의 크라운이거나 도로가 크라운되지 않은 경우 주행로 반대쪽 모서리입니다. |
숫자 |
0.0 |
|
삽입점 간격띄우기 |
일반적으로 확장이 진행될 주행로 모서리에 있는 삽입점의 간격띄우기입니다. |
숫자 |
0.0 |
|
중첩 깊이 |
기존 정지 계획선 위의 중첩 깊이입니다. |
숫자, 양수 |
0.100m 0.30ft |
|
폭 |
확장 차선의 폭입니다. |
숫자, 양수 |
3.6m 12.0ft |
|
표층1 깊이 |
차선 확장을 위한 표층1 도면층의 두께이며 값이 0일 경우 생략됩니다. |
숫자, 양수 |
0.025m 0.083ft |
|
표층2 깊이 |
차선 확장을 위한 표층2 도면층의 두께이며 값이 0일 경우 생략됩니다. |
숫자, 양수 |
0.025m 0.083ft |
|
기층 깊이 |
차선 확장을 위한 기층의 두께입니다. |
숫자, 양수 |
0.100m 0.333ft |
|
보조기층 깊이 |
차선 확장을 위한 보조기층의 두께입니다. |
숫자, 양수 |
0.300m 1.0ft |
이 섹션에서는 도면의 지표면, 선형 또는 종단 객체와 같은 하나 이상의 대상 객체에 매핑할 수 있는 이 횡단구성요소의 매개변수를 나열합니다. 자세한 내용은 AutoCAD Civil 3D 사용자 안내서 도움말의 을 참고하십시오.
|
매개변수 |
설명 |
상태 |
|---|---|---|
|
기존 지표면 |
기존 도로를 정의하는 지표면의 이름입니다. 이 지표면을 지정하기 위한 대상으로 지표면 객체 유형을 사용할 수 있습니다. |
필수 |
|
단면 검토 점 간격띄우기 |
고정 단면 검토 점 간격띄우기를 재지정하고 해당 점을 간격띄우기 선형에 연결하는 데 사용할 수 있습니다. 이 간격띄우기를 지정하기 위한 대상으로 선형, 폴리선, 형상선 또는 측량 수치 객체 유형을 사용할 수 있습니다. |
선택 사항 |
|
삽입점 간격띄우기 |
고정 삽입점 간격띄우기를 재지정하고 해당 점을 간격띄우기 선형에 연결하는 데 사용할 수 있습니다. 이 간격띄우기를 지정하기 위한 대상으로 선형, 폴리선, 형상선 또는 측량 수치 객체 유형을 사용할 수 있습니다. |
선택 사항 |
|
폭 |
고정 확장 차선 폭을 재지정하고 차선 모서리를 간격띄우기 선형에 연결하는 데 사용할 수 있습니다. 이 간격띄우기를 지정하기 위한 대상으로 선형, 폴리선, 형상선 또는 측량 수치 객체 유형을 사용할 수 있습니다. |
선택 사항 |
|
매개변수 |
설명 |
유형 |
|---|---|---|
|
% 경사 |
단면 검토 점에서 삽입점까지 기존 지표면에서 계산된 경사입니다. |
숫자 |
기존 지표면의 단면 검토 점 및 삽입점의 표고가 결정되고 단면 검토 점에서 삽입점까지의 경사가 계산됩니다. 지정된 중첩 깊이에 대해 동일한 경사로 기존 차선 위에 중첩 도면층이 추가됩니다. 기존 기울기 위에 하나 이상의 링크를 겹쳐 닫힌 중첩 쉐이프를 작성합니다. 계산된 경사를 사용하여 삽입 간격띄우기의 중첩에서 외향으로 확장 차선이 연결됩니다.
포장 도면층의 양쪽 끝이 수직 링크로 닫힙니다. 보조기층 내부 모서리에서 기존 지표면까지 단일 수직 링크가 표시됩니다.
배치 모드에서 이 횡단구성요소는 편리한 임의의 점에 연결됩니다. 경사 -2%, 폭 3.6m 또는 12ft로 균일한 깊이의 중첩 도면층이 표시됩니다. 확장 차선은 경사 -2%, 지정된 폭 및 깊이로 중첩의 모서리에서 확장됩니다.
모델링 모드에서 단면 검토 점, 삽입점 및 기존 지표면에 따라 실제 조건에 맞게 쉐이프가 조정됩니다.

다음 테이블에는 이 횡단구성요소에 대해 코드가 지정된 점, 링크 및 쉐이프 코드가 나열되어 있습니다. 이 횡단구성요소에 대해 코드가 지정되지 않은 점, 링크 및 쉐이프 코드는 이 테이블에 포함되어 있지 않습니다.
|
점, 링크 또는 쉐이프 |
코드 |
설명 |
|---|---|---|
|
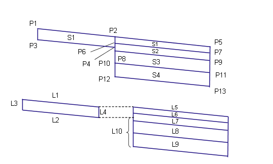
P5 |
ETW |
정지 계획선의 확장 차선 외부 모서리입니다. |
|
P7 |
ETW_Pave1 |
표층1의 확장 차선 외부 모서리입니다. |
|
P9 |
ETW_Pave2 |
표층2의 확장 차선 외부 모서리입니다. |
|
P11 |
ETW_Base |
기층에 있는 확장 차선의 외부 모서리입니다. |
|
P13 |
ETW_Sub |
보조기층에 있는 확장 차선의 외부 모서리입니다. |
|
L1, L5 |
Top, Pave |
정지 계획선 지표면입니다. |
|
L2 |
Overlay |
기존 지표면의 링크 위에 겹쳐진 상태입니다. 점 P3과 P4 사이에 두 개 이상의 링크가 있을 수 있습니다. |
|
L6 |
Pave1 |
|
|
L7 |
Pave2 |
|
|
L8 |
Base |
|
|
L9 |
Subbase, Datum |
|
|
L10 |
Datum |
|
|
S1 |
Overlay |
중첩 및 기존 차선 사이의 영역입니다. |
|
S2 |
Pave1 |
|
|
S3 |
Pave2 |
|
|
S4 |
Base |
|
|
S5 |
Subbase |
