问题说明
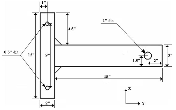
构造下图所示的焊接件的二维横截面。
使用构造对象创建几何模型的轮廓,使用 0.15 英寸的绝对网格大小生成二维网格。将使用 YZ 草图平面,因为必须将二维模型限定到 YZ 平面。
焊缝为 1" x 1"。
下一步
父主题:
二维焊接件模型