| Bisher |
![]() |
| Jetzt |
![]() |

Langlöcher und andere besondere Löcher wurden ebenfalls korrigiert, und dieselben Regeln wurden angewendet.
Festlegung ähnlicher Beschriftungen für Rund-, Lang- und Sonderlöcher (Informationen zu Tiefenposition und Risslinienabstand); einheitliche Regelnamen für Beschriftungen; ø-Symbol nach dem Lochdurchmesser.

| Bisher |
![]() |
| Jetzt |
![]() |
- Die Sichtbarkeit/Schraffur/Beschriftung in der Lochdefinition für HT und Anbauteile wurden überarbeitet.
- Neuanordnung von Name und Beschriftung für die Umgebung:

- Der Text für Mitte wurde durch die Variable Tiefenposition ersetzt:

- Die Ordinatenbeschriftungslinie für Löcher war doppelt vorhanden. Dies wurde korrigiert:


- Obere Bemaßung für geneigte Top Ho auf HT:

- Anpassung der Bemaßungen für geneigte Positionen.
- Teilung der Bemaßungen an jedem verbundenen Winkelanschluss.


- An geneigten Positionen wird nur ein Loch bemaßt:
| Bisher |
![]() |
| Jetzt |
![]() |
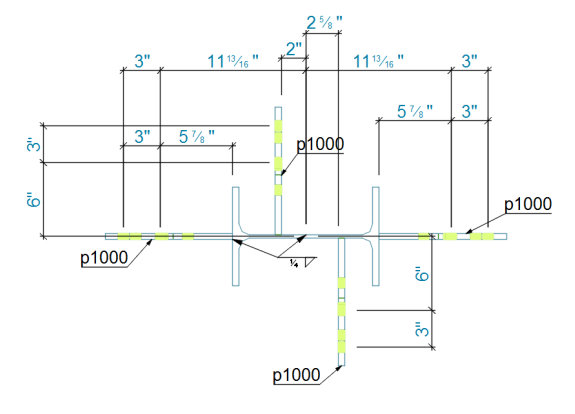
- Eine vertikale Bemaßung für Löcher in verbundenen Elementen bei Blickrichtung von oben wurde hinzugefügt:

- Die Namen für Bemaßungen von Löchern in Knotenblechen wurden angepasst und die entsprechenden sowohl in x- als auch in y-Richtung Einstellungen korrigiert: Es wird jetzt immer dasselbe Loch mit Bemaßungen versehen. Für Regeln werden konsistente Namen verwendet.
| Bisher |
![]() |
| Jetzt |
![]() |
- Die Sichtbarkeit/Schraffur/Beschriftung in der Lochdefinition für HT und Anbauteile wurden überarbeitet. Die Datensätze für die Sichtbarkeit und Beschriftung von Elementen wurden ebenfalls überarbeitet.

- Die Schnittansichten werden unterhalb der Hauptansichten platziert.
- Die Sichtbarkeit/Schraffur/Beschriftung in der Lochdefinition für HT und Anbauteile wurden überarbeitet, ebenso die Datensätze für die Sichtbarkeit und Beschriftung von Elementen.
- Die Ansicht für Trägerschnittpunkte wurde neu angepasst und mit Bemaßungen versehen.
- Erzielte Ergebnisse wurden bereinigt (z. B. durch Entfernen der Körnerpunkte aus den Bemaßungen für Löcher).
| Bisher |
![]() |
| Jetzt |
![]() |
| Bisher |
![]() |
| Jetzt |
![]() |
- Neu angepasste Einstellungen für die Sichtbarkeit und Beschriftung von Elementen bei Beschriftungen für HT und Anbauteile.
- Die Sichtbarkeit/Schraffur/Beschriftung in der Lochdefinition für HT und Anbauteile wurden überarbeitet.
- Neu angepasste Datensätze für Sichtbarkeit und Beschriftung von Elementen.

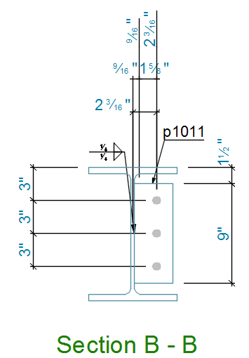
- Korrektur der Knotenblechbemaßungen, wobei nur die oberen Löcher im Knotenblech bemaßt werden

- Es stehen dieselben Einstellungen zur Verfügung wie für die Vorderansicht: Sichtbarkeit/Schraffur/Beschriftung von Löchern für HT und Anbauteile, Sichtbarkeit und Beschriftung von Elementen.
- Einstellungen wurden dahingehend geändert, dass Löcher in HT-Stegen in Schnittansichten bemaßt werden

- Die Bemaßungen für HT-Löcher und Löcher in Anbauteilen wurden getrennt.
- An Anbauteilen werden nur gerade Löcher mit Bemaßungen versehen (geneigte Bemaßungen wurden aus der Bemaßungsfunktion entfernt).
| Bisher | Jetzt |
![]() |
![]() |
![]() |
![]() |
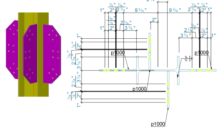
- Einstellungen wurden dahingehend angepasst, dass nur ein begrenzter Ausschnitt des Umgebungsbereichs angezeigt wird.

- Die Sichtbarkeit/Schraffur/Beschriftung in der Lochdefinition für HT und Anbauteile wurden überarbeitet.
- Neu angepasste Datensätze für Sichtbarkeit und Beschriftung von Elementen.
- Bogenbemaßungslängen für Löcher in gebogenenen Trägern wurden hinzugefügt.

- Die Sichtbarkeit/Schraffur/Beschriftung in der Lochdefinition für HT und Anbauteile wurden überarbeitet.
- Neu angepasste Datensätze für Sichtbarkeit und Beschriftung von Elementen.
- Einstellungen für die Darstellung von Gitterrosten wurden neu angepasst.
- Einstellungen für die Bemaßung von Gitterrosten wurden neu angepasst.

Baugruppe - BKS mit zusätzlichen Teilen:
- Neu angepasste Einstellungen für die allgemeine Baugruppendarstellung.
- Neu angepasste Einstellungen für die allgemeine Baugruppenbemaßung.
- Die Sichtbarkeit/Schraffur/Beschriftung in der Lochdefinition für HT und Anbauteile wurden überarbeitet.
- Neu angepasste Datensätze für Sichtbarkeit und Beschriftung von Elementen.
- Verbesserte Darstellung und Bemaßungen für Aussteifungsrohre
- Bemaßungen für Systemlinien (entsprechend den Löchern) wurden hinzugefügt.


- Verbesserte Bemaßungen für Anbauteile.
- Angepasste und verbesserte Bemaßungen für Sandwichbleche/Löcher.
- Bemaßungen zwischen den letzten Löchern und den Enden der Systemlinien wurden hinzugefügt.
- Eine Bemaßungslinie, mit der die Maße der Baugruppe (Größe) und des HT (Größe) einbezogen werden, wurde hinzugefügt.

- Die Sichtbarkeit/Schraffur/Beschriftung in der Lochdefinition für HT und Anbauteile wurden überarbeitet.
- Neu angepasste Datensätze für Sichtbarkeit und Beschriftung von Elementen.
- Die Bemaßungsregeln für Flachstahlverbände wurden verbessert und bereinigt (d. h., Regeln wurden hinzugefügt, entfernt oder angepasst).


- Bemaßungen für Kreuzverbände (Spannschlossverbände) wurden erstellt.

- Die Sichtbarkeit/Schraffur/Beschriftung in der Lochdefinition für HT und Anbauteile wurden überarbeitet.
- Neu angepasste Datensätze für Sichtbarkeit und Beschriftung von Elementen.
- Die Bemaßungen für Winkelverbände wurden neu erstellt.
| Bisher | Jetzt |
![]() |
![]() |

- Ein neuer Zeichnungsstil für Winkelbefestigungen als Baugruppen wurde erstellt.

- Die Sichtbarkeit/Schraffur/Beschriftung in der Lochdefinition wurden überarbeitet.
- Die Bemaßungsregeln wurden überarbeitet.
| Bisher | Jetzt |
![]() |
![]() |
| Bisher | Jetzt |
![]() |
![]() |
- Die Sichtbarkeit/Schraffur/Beschriftung in der Lochdefinition wurden überarbeitet.
- Die Sichtbarkeit/Schraffur/Beschriftung in der Lochdefinition wurden überarbeitet.

- Die Ansicht und die Darstellungs-/Bemaßungsregeln wurden umbenannt.
| Bisher | Jetzt |
![]() |
![]() |
- Die "Colli"-Beschriftung in den Bemaßungsdefinitionen wurde durch die umfassendere Erläuterung Baugruppe insgesamt ersetzt.