| Before |
![]() |
| Now |
![]() |

Also corrected and applied the same rules for the slotted holes and other special holes.
Set similar labels for round, slotted and special holes (information about position in depth and gauge distance); uniform rule names for labels; ø symbol after the hole diameter.

| Before |
![]() |
| Now |
![]() |
- Readjusted the hole settings visibility / hatch / labeling on Mp and on Attached parts.
- Adjusted the name and label arrangement for the environment:

- Replaced the B/S text with the Depth Position token:

- Removed the duplicate ordinate dimension line for holes:


- Added a top dimension for sloped Top Ho on main:

- Adjusted the dimensions for sloped situations.
- Split dimensions on each attached cleat angle.


- Only one hole is dimensioned at sloped situations:
| Before |
![]() |
| Now |
![]() |
- Added a vertical dimension for the attached element holes seen from the top:

- Adjusted the names and corrected the settings for gusset hole dimensions - adjusted to always have the same hole dimensioned on both X and Y directions; consistent names for rules.
| Before |
![]() |
| Now |
![]() |
- Readjusted the hole settings visibility / hatch / labeling on Mp and on Attached parts; readjusted records for element visibility and labeling.

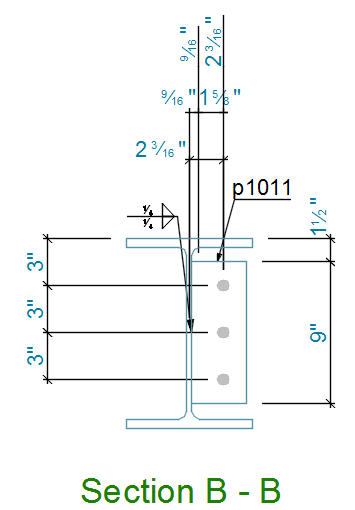
- The section views are placed below the main views.
- Readjusted hole settings visibility / hatch / labeling on Mp and on Attached parts; readjusted records for element visibility and labeling.
- Readjusted and created dimensions for beam intersection view.
- Cleaner obtained results (e.g. eliminated the punch mark from hole dimensioning).
| Before |
![]() |
| Now |
![]() |
| Before |
![]() |
| Now |
![]() |
- Readjusted the element visibility and labeling settings for labeling on Mp and Attached parts.
- Readjusted the holes settings visibility / hatch / labeling on Mp and Attached parts.
- Readjusted records for element visibility and labeling.

- Corrected the gusset dimensions - only the top gusset holes are dimensioned:

- The same settings as for the Front view are available - holes visibility / hatch / labeling on Mp and Attached parts, element visibility and labeling.
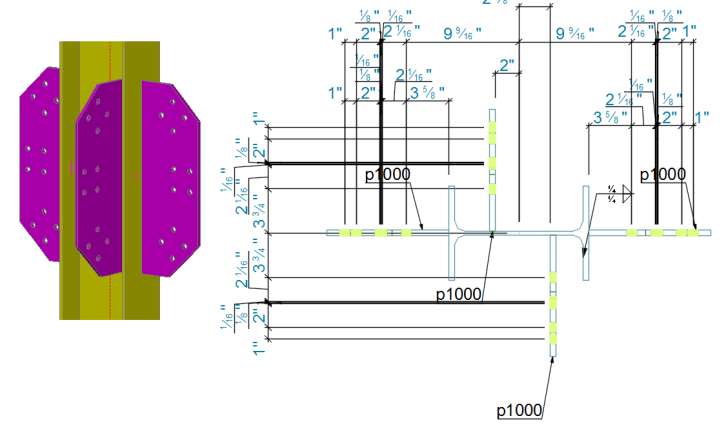
- Changed settings to have Mp web holes dimensioned on section view

- Split the dimensions for Mp holes and attached elements holes.
- Only the straight holes at attached elements are dimensioned (removed the sloped dimensions from dimensioning).
| Before | Now |
![]() |
![]() |
![]() |
![]() |
- Adjusted settings in order to only show a limited part from the outside area environment.

- Readjusted settings the holes settings visibility / hatch / labeling on Mp and on Attached parts.
- Readjusted records for element visibility and labeling.
- Added arc dimension length for holes on curved beam.

- Readjusted settings the hole settings visibility / hatch / labeling on Mp and on Attached parts.
- Readjusted records for element visibility and labeling.
- Readjusted settings for grating representation.
- Readjusted settings for grating dimensioning.

Assembly - UCS with additional parts:
- Readjusted settings for general assembly representation.
- Readjusted settings for general assembly dimensioning.
- Readjusted the holes settings visibility / hatch / labeling on Mp and on Attached parts.
- Readjusted records for element visibility and labeling.
- Improved representation and dimensions for compression pipes (bracing pipes).
- Added dimension for system lines and according to holes.


- Improved dimensions for attached parts.
- Adjusted and corrected the sandwich plate / hole dimensions.
- Added dimensions from last holes to system lines ends.
- Added dimension line that includes the assembly dimension (size) and the Mp dimension (size).

- Readjusted the holes settings visibility / hatch / labeling on Mp and on Attached parts.
- Readjusted records for element visibility and labeling.
- Improved and cleaned up the dimension rules for flat bracings (added / removed / adjusted).


- Created the dimensions for cross bracings (turnbuckles).

- Readjusted the holes settings visibility / hatch / labeling on Mp and on Attached parts.
- Readjusted records for element visibility and labeling.
- Recreated the dimensions for angle bracings.
| Before | Now |
![]() |
![]() |

- Created a new drawing style for the angle cleat as an assembly.

- Readjusted the holes settings visibility / hatch / labeling.
- Readjusted the dimension rules.
| Before | Now |
![]() |
![]() |
| Before | Now |
![]() |
![]() |
- Readjusted the holes settings visibility / hatch / labeling.
- Readjusted the holes settings visibility / hatch / labeling.

- Renamed the view and representation / dimension rules.
| Before | Now |
![]() |
![]() |
- Replaced the "Colli" annotation from dimensioning definitions with the more comprehensive Assembly overall explanation.