| Avant |
![]() |
| Maintenant |
![]() |

Correction et application des mêmes règles pour les trous oblongs et d'autres trous spécifiques.
Définition de labels similaires pour les trous ronds, oblongs et spécifiques (informations sur la position dans la profondeur et le trusquinage) ; noms de règles uniformes pour les labels ; symbole Ø après le diamètre de trou.

| Avant |
![]() |
| Maintenant |
![]() |
- Réajustement de la visibilité des paramètres de trou / hachure / labels sur les pièces Pp et attachées.
- Ajustement de la disposition du nom et du label pour l'environnement :

- Remplacement du texte Centré par le jeton Profondeur Position :

- Suppression de la ligne de cote en double pour les trous :


- Ajout d'une cote supérieure pour les trous supérieurs oblongs (principal) :

- Ajustement des cotes pour les situations inclinées.
- Divisions des cotes sur chaque cornière.


- Un seul trou est coté aux emplacements inclinés :
| Avant |
![]() |
| Maintenant |
![]() |
- Ajout d'une cote verticale pour les trous d'éléments attachés vus de dessus :

- Ajustement des noms et correction des paramètres pour les cotes de trou de gousset - ajustement permettant que le même trou soit toujours coté sur les directions X et Y ; noms cohérents pour les règles.
| Avant |
![]() |
| Maintenant |
![]() |
- Réajustement de la visibilité des paramètres de trou / hachure / labels sur les pièces Pp et attachées ; réajustement des enregistrements pour la visibilité et les labels des éléments.

- Les vues en coupe sont placées sous les vues principales.
- Réajustement de la visibilité des paramètres de trou / hachure / texte sur les pièces Pp et attachées ; réajustement des enregistrements pour la visibilité et les labels des éléments.
- Réajustement et création de cotes pour la vue d'intersection de poutres.
- Résultats obtenus plus clairs (par ex., élimination du marquage de la cotation des trous).
| Avant |
![]() |
| Maintenant |
![]() |
| Avant |
![]() |
| Maintenant |
![]() |
- Réajustement des paramètres de visibilité et de label des éléments pour les labels des pièces Pp et attachées.
- Réajustement de la visibilité des paramètres de trous / hachure / labels sur les pièces Pp et attachées.
- Réajustement des enregistrements pour la visibilité et les labels des éléments.

- Correction des cotes de gousset : seuls les trous de gousset supérieurs sont cotés :

- Mêmes paramètres que ceux disponibles pour la vue de face : visibilité des trous / hachure / labels sur les pièces Pp et attachées, visibilité des éléments et labels.
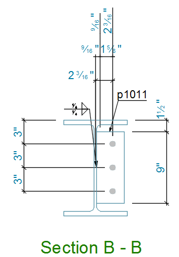
- Modification des paramètres pour que les trous d'âme Pp soient cotés sur la vue en coupe

- Division des cotes pour les trous Pp et les trous d'éléments attachés.
- Seuls les trous droits au niveau des éléments attachés sont cotés (suppression des cotes inclinées de la cotation).
| Avant | Maintenant |
![]() |
![]() |
![]() |
![]() |
- Paramètres ajustés pour n'afficher qu'une partie limitée de l'environnement de surface extérieur.

- Réajustement de la visibilité des paramètres de trous / hachure / labels sur les pièces Pp et attachées.
- Réajustement des enregistrements pour la visibilité et les labels des éléments.
- Ajout de la longueur de cote d'arc pour les trous sur une poutre cintrée.

- Réajustement de la visibilité des paramètres de trou / hachure / labels sur les pièces Pp et attachées.
- Réajustement des enregistrements pour la visibilité et les labels des éléments.
- Réajustement des paramètres de représentation des caillebotis.
- Réajustement des paramètres de cotation des caillebotis.

Assemblage - SCU avec des pièces supplémentaires :
- Réajustement des paramètres pour la représentation d'assemblage général.
- Réajustement des paramètres pour la cotation d'assemblage général.
- Réajustement de la visibilité des paramètres de trous / hachure / labels sur les pièces Pp et attachées.
- Réajustement des enregistrements pour la visibilité et les labels des éléments.
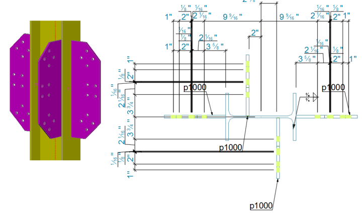
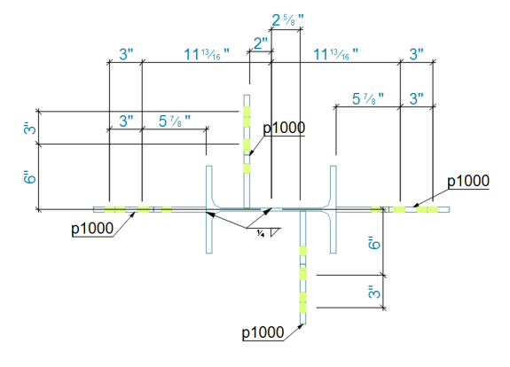
- Amélioration de la représentation et des cotes pour les tubes de compression (tubes de contreventement).
- Cotes supplémentaires pour les lignes de système, en fonction des trous.


- Amélioration des cotes pour les pièces attachées.
- Ajustement et correction des cotes de chape / trou.
- Ajout de cotes entre les derniers trous et les extrémités des lignes de référence.
- Ajout d'une ligne de cote qui inclut la cote d'assemblage (taille) et la cote Pp (taille).

- Réajustement de la visibilité des paramètres de trous / hachure / labels sur les pièces Pp et attachées.
- Réajustement des enregistrements pour la visibilité et les labels des éléments.
- Amélioration et nettoyage des règles de cote pour les contreventements plats (ajoutés / supprimés / ajustés).


- Création de cotes pour les contreventements en croix (tendeurs).

- Réajustement de la visibilité des paramètres de trous / hachure / labels sur les pièces Pp et attachées.
- Réajustement des enregistrements pour la visibilité et les labels des éléments.
- Recréation des cotes pour les contreventements 4 branches.
| Avant | Maintenant |
![]() |
![]() |

- Création d'un nouveau style de plan pour la cornière en tant qu'assemblage.

- Réajustement de la visibilité des paramètres / hachure / labels.
- Réajustement des règles de cote.
| Avant | Maintenant |
![]() |
![]() |
| Avant | Maintenant |
![]() |
![]() |
- Réajustement de la visibilité des paramètres / hachure / labels.
- Réajustement de la visibilité des paramètres / hachure / labels.

- Changement des noms des règles de vue et de représentation / cote.
| Avant | Maintenant |
![]() |
![]() |
- Remplacement de l'annotation "Colli" des définitions de cotation par une explication Assemblage global plus complète.