Regroupement des fils

Insérez un connecteur sur les fils existants.

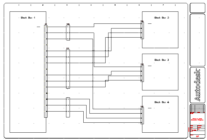
Maintenant que vous avez connecté les fils entre eux, vous allez insérer les connecteurs dans la lignée du fil pour regrouper les fils.

Insertion des connecteurs dans la lignée du fil

  1. Cliquez sur l'onglet Schémale groupe de fonctions Insérer des composantsla liste déroulante Insérer le connecteurInsérer le connecteur. Trouver
  2. Dans la boîte de dialogue Insérer le connecteur, spécifiez :

    Espacement des broches :  1.0

    Nombre de broches :  3

    A l'intersection des fils

    Liste des broches :  1

    Insérer tout

  3. Cliquez sur Détails.
  4. Dans la section Type, désactivez Ajout ligne de division.
  5. Dans la section Affichage, définissez Connecteur mobile sur Droite et Broches sur Les deux côtés.
  6. Dans la section Taille, définissez Prise (c'est-à-dire le connecteur mobile) sur 0,325.
  7. Cliquez sur Insérer.
  8. Répondez comme suit aux invites :

    Spécifiez le point d'insertion ou [Z=zoom, P=panoramique, X=intersection des fils, V=horizontal/vertical, TAB=basculer] :

    Placez le connecteur sur les fils connectés à PJ1, Broches 1 à 3

  9. Cliquez sur l'onglet Schémale groupe de fonctions Insérer des composantsla liste déroulante Insérer le connecteurInsérer le connecteur. Trouver
  10. Dans la boîte de dialogue Insérer le connecteur, spécifiez :

    Espacement des broches :  1.0

    Nombre de broches :  9

    A l'intersection des fils

    Liste des broches :  1

    Autoriser les espacements/coupures

  11. Cliquez sur Insérer.
  12. Répondez comme suit aux invites :

    Spécifiez le point d'insertion ou [Z=zoom, P=panoramique, X=intersection des fils, V=horizontal/vertical, TAB=basculer] : 

    Placez le connecteur en commençant par la ligne à PJ1, Broche 5

    Notez comme le connecteur se développe lorsque vous coupez les fils.

  13. Dans la boîte de dialogue Espaces/Coupures de broches personnalisés, cliquez sur Insérer la connexion suivante.

    La boîte de dialogue affiche la broche de connecteur qui a été insérée jusqu'ici. Continuez à cliquer sur Insérer la connexion suivante jusqu'à ce que six connexions sur les neuf aient été placées.

  14. Lorsque la boîte de dialogue Espaces/Coupures de broches personnalisé indique "Inséré jusqu'ici: 6 sur 9", cliquez sur Couper le symbole maintenant.
  15. Répondez comme suit aux invites :

    Spécifiez le point d'insertion ou [Z=zoom, P=panoramique, X=intersection des fils, V=horizontal/vertical, TAB=basculer] :

    Placez le connecteur en commençant par la ligne à PJ1, Broche 13

  16. Dans la boîte de dialogue Présentation du connecteur, cliquez sur Insérer tout.
  17. Cliquez sur OK.
    Remarque : Vous pouvez également insérer le connecteur entier, puis utiliser l'outil Diviser le connecteur pour couper le connecteur existant.
  18. Cliquez sur l'onglet Schémale groupe de fonctions Insérer des composantsla liste déroulante Ligne de liaison discontinueComposants de liaison avec ligne discontinue. Trouver
  19. Répondez comme suit aux invites :

    Composant à partir duquel le lien doit être établi :  Sélectionnez la partie inférieure du PJ6 (1).

    Composant avec lequel le lien doit être établi :  Sélectionner la partie supérieure du PJ6 (2), puis cliquez dessus avec le bouton droit de la souris.