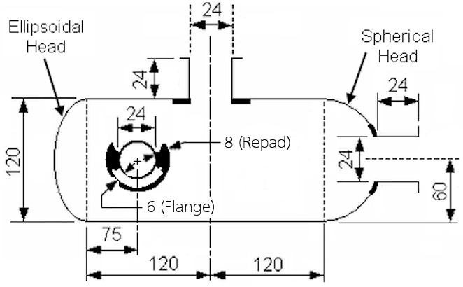
- Using PV/Designer, construct a 3D plate model of the pressure vessel detailed in the drawing below.
- Dimensions are in inches.
- The pressure vessel has two nozzles along the main cylinder.
- One end of the cylinder has an ellipsoidal head with an ellipse ratio of 2.
- The other end of the cylinder has a spherical head with a nozzle.
- Each nozzle has the following properties:
- Length of 24 inches.
- Diameter of 24 inches.
- 8-inch wide repad at the intersection with the vessel.
- 6-inch wide flange at the end.
Next