AutoCAD の基本的なコントロールを確認します。
AutoCAD を起動した後、新しい図面を開始するには、[図面を開始]ボタンをクリックします。

AutoCAD では、作図領域の上部に標準的なタブ リボンが表示されます。[ホーム]タブから、このガイドで紹介するコマンドのほとんどにアクセスできます。また、下に示すクイック アクセス ツールバーには、[新規作成]、[開く]、[保存]、[印刷]、[元に戻す]など、頻繁に使用するコマンドが含まれています。

AutoCAD の中核はコマンド ウィンドウです。通常このウィンドウは、アプリケーション ウィンドウの下部に表示されています。コマンド ウィンドウには、プロンプト、オプション、メッセージが表示されます。

リボン、ツールバー、メニューを使用する代わりに、コマンド ウィンドウに直接コマンドを入力することができます。昔からの AutoCAD ユーザは、こちらの方法を好んで使用します。
コマンドを入力し始めると、コマンドが自動的に表示されることに注目してください。下の例のように、複数の選択肢がある場合は、直接クリックしたり、矢印キーで希望の選択肢に移動してから[Enter]や[Spacebar]を押すことで選択することができます。

ほとんどのユーザはポインティング デバイスとしてマウスを使用しますが、他のデバイスにも同等のコントロールがあります。

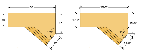
文字、寸法、線種、およびその他のいくつかの機能の設定を指定することにより、業界標準や社内標準に簡単に適合させることができます。たとえば、この裏庭デッキの設計では、2 つの異なる寸法スタイルが表示されます。

これらの設定のすべてを、 「図面テンプレート」ファイルに保存することができます。[新規作成]をクリックし、いくつかの図面テンプレート ファイルの中から選択します。


「Tutorial」テンプレート ファイルは、建築および機械設計を練習するための簡単な例です。フィート/インチ単位(i)とメートル単位(m)の両方のバージョンがあります。ぜひ、このファイルで練習してください。
ほとんどの企業は、自社規格に準拠した図面テンプレート ファイルを使用しています。プロジェクトや発注者に応じて、異なる図面テンプレートが使用されることもよくあります。
どの図面(.dwg)ファイルも、図面テンプレート(.dwt)ファイルとして保存することができます。既存の図面テンプレート ファイルを開き、修正し、再度保存(必要に応じて別のファイル名で)することもできます。

単独で作業している場合は、自分の好みに合った独自の図面テンプレート ファイルを作成し、慣れてきたら徐々に他の機能の設定を追加することができます。
既存の図面テンプレート ファイルを修正するには、[開く]をクリックし、[ファイルを選択]ダイアログ ボックスで[図面テンプレート(*.dwt)]を選択し、テンプレート ファイルを選択します。

初めて図面を作成するときは、まず、1 単位の長さが何を表すか(インチ、フィート、センチメートル、キロメートル、または他の長さの単位など)を決定する必要があります。たとえば下のオブジェクトは、それぞれ 125 フィートの長さの 2 つの建築物を表すこともあれば、ミリメートル単位で示された機械部品の一部を表すこともあります。

使用する長さの単位を決定したら、UNITS[単位管理]コマンドを使用して、次のようないくつかの単位表示の設定をすることができます。
フィート/インチ単位で作業する場合、UNITS[単位管理]コマンドを使用して単位のタイプを[建築図面表記]に設定してから、オブジェクトを作成するときにインチ単位で長さを指定します。メートル単位を使用する場合は、単位のタイプを[十進表記]に設定したままにします。単位の形式と精度を変更しても、図面の内部精度には影響しません。これは、長さ、角度、座標のユーザ インタフェースでの表示方法にのみ影響します。
モデルは常に実寸(尺度 1:1)で作成します。 「モデル」とは、設計対象のジオメトリ(幾何学的形状)を指します。 「図面」には、モデル ジオメトリだけでなく、 「レイアウト」に表示されるビュー、注記、寸法、吹き出し、表、タイトル ブロックなどが含まれます。
レイアウトを作成する場合、標準サイズの用紙に図面を印刷するときに必要となる尺度を後から指定することができます。

この事前選択操作をキャンセルするには、[Esc]を押します。