Wymiary przekroju poprzecznego stali walcowanej na gorąco

Można przeglądać i modyfikować wartości parametrów kształtu przekroju elementów ram konstrukcyjnych ze stali walcowanej na gorąco.

Te właściwości typu zostaną utworzone z parametru kategorii rodziny kształtu przekroju elementu.

Kształt przekroju Dostępne parametry wymiarów przekroju
Standard rury

D. Średnica: zewnętrzna średnica przekroju o okrągłym kształcie.

T. Grubość projektowa ściany: Grubość prostopadła projektu między wewnętrzną i zewnętrzną powierzchnią kształtu przekroju.

t. Grubość nominalna ściany: średnia odległość prostopadła między wewnętrzną i zewnętrzną powierzchnią kształtu przekroju.

y. Centroida pozioma: odległość od środka ciężkości kształtu przekroju do skrajnych wartości z lewej strony wzdłuż osi poziomej.

z. Centroida pionowa: odległość od środka ciężkości przekroju kształtu do dolnych skrajnych wartości wzdłuż osi pionowej.

alfa. Kąt osi głównych: kąt obrotu między osiami głównymi a płaszczyznami odniesienia przekroju poprzecznego. Jest ujęty na liście jako parametr rodziny Analiza konstrukcji.

Dwuteownik o równoległych kanałach kołnierza

B. Szerokość: zewnętrzna szerokość kształtu przekroju.

H. Wysokość: zewnętrzna wysokość kształtu przekroju.

T. Grubość półki: odległość między zewnętrznymi powierzchniami kołnierza w kształcie przekroju.

t. Grubość środnika: odległość między zewnętrznymi powierzchniami środnika w kształcie przekroju.

r. Zaokrąglenie środnika: promień zaokrąglenia między środnikiem a kołnierzem.

y. Centroida pozioma: odległość od środka ciężkości kształtu przekroju do skrajnych wartości z lewej strony wzdłuż osi poziomej.

z. Centroida pionowa: odległość od środka ciężkości przekroju kształtu do dolnych skrajnych wartości wzdłuż osi pionowej.

alfa. Kąt osi głównych: kąt obrotu między osiami głównymi a płaszczyznami odniesienia przekroju poprzecznego. Jest ujęty na liście jako parametr rodziny Analiza konstrukcji.

Dwuteownik o nachylonym kołnierzu

B. Szerokość: zewnętrzna szerokość kształtu przekroju.

H. Wysokość: zewnętrzna wysokość kształtu przekroju.

T. Grubość półki: odległość między zewnętrznymi powierzchniami kołnierza w kształcie przekroju.

t. Grubość środnika: odległość między zewnętrznymi powierzchniami środnika w kształcie przekroju.

r1. Zaokrąglenie środnika: promień zaokrąglenia między środnikiem a kołnierzem.

r2. Zaokrąglenie kołnierza: promień zaokrąglenia na końcu kołnierza w kształcie przekroju.

y. Centroida pozioma: odległość od środka ciężkości kształtu przekroju do skrajnych wartości z lewej strony wzdłuż osi poziomej.

z. Centroida pionowa: odległość od środka ciężkości przekroju kształtu do dolnych skrajnych wartości wzdłuż osi pionowej.

alfa. Kąt osi głównych: kąt obrotu między osiami głównymi a płaszczyznami odniesienia przekroju poprzecznego. Jest ujęty na liście jako parametr rodziny Analiza konstrukcji.

Dwuteownik szerokostopowy

B. Szerokość: zewnętrzna szerokość kształtu przekroju.

H. Wysokość: zewnętrzna wysokość kształtu przekroju.

T. Grubość półki: odległość między zewnętrznymi powierzchniami kołnierza w kształcie przekroju.

t. Grubość środnika: odległość między zewnętrznymi powierzchniami środnika w kształcie przekroju.

r. Zaokrąglenie środnika: promień zaokrąglenia między środnikiem a kołnierzem.

y. Centroida pozioma: odległość od środka ciężkości kształtu przekroju do skrajnych wartości z lewej strony wzdłuż osi poziomej.

z. Centroida pionowa: odległość od środka ciężkości przekroju kształtu do dolnych skrajnych wartości wzdłuż osi pionowej.

alfa. Kąt osi głównych: kąt obrotu między osiami głównymi a płaszczyznami odniesienia przekroju poprzecznego. Jest ujęty na liście jako parametr rodziny Analiza konstrukcji.

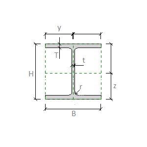
Ceownik o równoległych kanałach kołnierza

B. Szerokość: zewnętrzna szerokość kształtu przekroju.

H. Wysokość: zewnętrzna wysokość kształtu przekroju.

T. Grubość półki: odległość między zewnętrznymi powierzchniami kołnierza w kształcie przekroju.

t. Grubość środnika: odległość między zewnętrznymi powierzchniami środnika w kształcie przekroju.

r. Zaokrąglenie środnika: promień zaokrąglenia między środnikiem a kołnierzem.

y. Centroida pozioma: odległość od środka ciężkości kształtu przekroju do skrajnych wartości z lewej strony wzdłuż osi poziomej.

z. Centroida pionowa: odległość od środka ciężkości przekroju kształtu do dolnych skrajnych wartości wzdłuż osi pionowej.

alfa. Kąt osi głównych: kąt obrotu między osiami głównymi a płaszczyznami odniesienia przekroju poprzecznego. Jest ujęty na liście jako parametr rodziny Analiza konstrukcji.

Ceownik o nachylonym kołnierzu

B. Szerokość: zewnętrzna szerokość kształtu przekroju.

H. Wysokość: zewnętrzna wysokość kształtu przekroju.

T. Grubość półki: odległość między zewnętrznymi powierzchniami kołnierza w kształcie przekroju.

t. Grubość środnika: odległość między zewnętrznymi powierzchniami środnika w kształcie przekroju.

r1. Zaokrąglenie środnika: promień zaokrąglenia między środnikiem a kołnierzem.

r2. Zaokrąglenie kołnierza: promień zaokrąglenia na końcu kołnierza w kształcie przekroju.

y. Centroida pozioma: odległość od środka ciężkości kształtu przekroju do skrajnych wartości z lewej strony wzdłuż osi poziomej.

z. Centroida pionowa: odległość od środka ciężkości przekroju kształtu do dolnych skrajnych wartości wzdłuż osi pionowej.

alfa. Kąt osi głównych: kąt obrotu między osiami głównymi a płaszczyznami odniesienia przekroju poprzecznego. Jest ujęty na liście jako parametr rodziny Analiza konstrukcji.

Kątownik

B. Szerokość: zewnętrzna szerokość kształtu przekroju.

H. Wysokość: zewnętrzna wysokość kształtu przekroju.

T. Grubość półki: odległość między zewnętrznymi powierzchniami kołnierza w kształcie przekroju.

t. Grubość środnika: odległość między zewnętrznymi powierzchniami środnika w kształcie przekroju.

r1. Zaokrąglenie środnika: promień zaokrąglenia między środnikiem a kołnierzem.

r2. Zaokrąglenie kołnierza: promień zaokrąglenia na końcu kołnierza w kształcie przekroju.

y. Centroida pozioma: odległość od środka ciężkości kształtu przekroju do skrajnych wartości z lewej strony wzdłuż osi poziomej.

z. Centroida pionowa: odległość od środka ciężkości przekroju kształtu do dolnych skrajnych wartości wzdłuż osi pionowej.

alfa. Kąt osi głównych: kąt obrotu między osiami głównymi a płaszczyznami odniesienia przekroju poprzecznego. Jest ujęty na liście jako parametr rodziny Analiza konstrukcji.

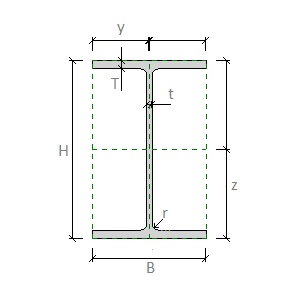
Dwuteownik podzielony o równoległych kanałach kołnierza

B. Szerokość: zewnętrzna szerokość kształtu przekroju.

H. Wysokość: zewnętrzna wysokość kształtu przekroju.

T. Grubość półki: odległość między zewnętrznymi powierzchniami kołnierza w kształcie przekroju.

t. Grubość środnika: odległość między zewnętrznymi powierzchniami środnika w kształcie przekroju.

r. Zaokrąglenie środnika: promień zaokrąglenia między środnikiem a kołnierzem.

y. Centroida pozioma: odległość od środka ciężkości kształtu przekroju do skrajnych wartości z lewej strony wzdłuż osi poziomej.

z. Centroida pionowa: odległość od środka ciężkości przekroju kształtu do dolnych skrajnych wartości wzdłuż osi pionowej.

alfa. Kąt osi głównych: kąt obrotu między osiami głównymi a płaszczyznami odniesienia przekroju poprzecznego. Jest ujęty na liście jako parametr rodziny Analiza konstrukcji.

Dwuteownik podzielony o nachylonym kołnierzu

B. Szerokość: zewnętrzna szerokość kształtu przekroju.

H. Wysokość: zewnętrzna wysokość kształtu przekroju.

T. Grubość półki: odległość między zewnętrznymi powierzchniami kołnierza w kształcie przekroju.

t. Grubość środnika: odległość między zewnętrznymi powierzchniami środnika w kształcie przekroju.

r1. Zaokrąglenie środnika: promień zaokrąglenia między środnikiem a kołnierzem.

r2. Zaokrąglenie kołnierza: promień zaokrąglenia na końcu kołnierza w kształcie przekroju.

y. Centroida pozioma: odległość od środka ciężkości kształtu przekroju do skrajnych wartości z lewej strony wzdłuż osi poziomej.

z. Centroida pionowa: odległość od środka ciężkości przekroju kształtu do dolnych skrajnych wartości wzdłuż osi pionowej.

alfa. Kąt osi głównych: kąt obrotu między osiami głównymi a płaszczyznami odniesienia przekroju poprzecznego. Jest ujęty na liście jako parametr rodziny Analiza konstrukcji.

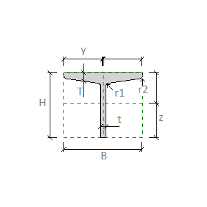
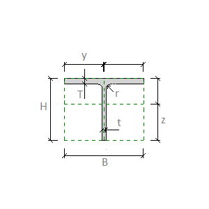
Trójniki konstrukcyjne

B. Szerokość: zewnętrzna szerokość kształtu przekroju.

H. Wysokość: zewnętrzna wysokość kształtu przekroju.

T. Grubość półki: odległość między zewnętrznymi powierzchniami kołnierza w kształcie przekroju.

t. Grubość środnika: odległość między zewnętrznymi powierzchniami środnika w kształcie przekroju.

r1. Zaokrąglenie środnika: promień zaokrąglenia między środnikiem a kołnierzem.

r2. Zaokrąglenie kołnierza: promień zaokrąglenia na końcu kołnierza w kształcie przekroju.

y. Centroida pozioma: odległość od środka ciężkości kształtu przekroju do skrajnych wartości z lewej strony wzdłuż osi poziomej.

z. Centroida pionowa: odległość od środka ciężkości przekroju kształtu do dolnych skrajnych wartości wzdłuż osi pionowej.

alfa. Kąt osi głównych: kąt obrotu między osiami głównymi a płaszczyznami odniesienia przekroju poprzecznego. Jest ujęty na liście jako parametr rodziny Analiza konstrukcji.