Cotas de forma de corte de aço (outro)

Reveja e modifique os valores dos parâmetros da cota da forma de corte de outros elementos de esqueleto estrutural de aço.

Estas propriedades de tipo são criadas a partir do parâmetro de categoria da família de forma de corte do elemento.

Forma do corte Parâmetros de cotas de forma disponíveis
Barra de retangular

B. Largura: a largura externa da forma de corte.

H. Altura: a altura externa da forma de corte.

y.. Centróide horizontal: a distância entre o centróide da forma de corte para a extremidade esquerda ao longo do eixo horizontal.

z. Centróide vertical: a distância entre o centróide da forma de corte na extremidade inferior ao longo do eixo vertical.

alpha. Ângulo do eixo principal: o ângulo de rotação entre os eixos principais os planos de referência da seção transversal. Isto está listado como um parâmetro de família de Análise estrutural.

Barra redonda

D. Diâmetro: o diâmetro externo da forma de corte redonda.

y.. Centróide horizontal: a distância entre o centróide da forma de corte para a extremidade esquerda ao longo do eixo horizontal.

z. Centróide vertical: a distância entre o centróide da forma de corte na extremidade inferior ao longo do eixo vertical.

alpha. Ângulo do eixo principal: o ângulo de rotação entre os eixos principais os planos de referência da seção transversal. Isto está listado como um parâmetro de família de Análise estrutural.

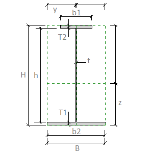
Forma de I soldada (aço castelado e soldado)

B. Largura: a largura externa da forma de corte.

H. Altura: a altura externa da forma de corte.

T2. Espessura do flange superior: a distância entre as superfícies externas do flange superior na forma de corte de um elemento castelado ou soldado.

b1. Largura do flange superior: a largura externa do flange superior na forma de corte de um elemento castelado ou soldado.

T1. Espessura do flange inferior: a distância entre as superfícies externas do flange inferior na forma de corte de um elemento castelado ou soldado.

b2. Largura do flange inferior: a largura externa do flange inferior na forma de corte de um elemento castelado ou soldado.

T Espessura da teia: a distância entre as superfícies externas da teia na forma de corte.

h. Altura da teia: a distância ao longo da teia entre os flanges na forma de corte.

y.. Centróide horizontal: a distância entre o centróide da forma de corte para a extremidade esquerda ao longo do eixo horizontal.

z. Centróide vertical: a distância entre o centróide da forma de corte na extremidade inferior ao longo do eixo vertical.

alpha. Ângulo do eixo principal: o ângulo de rotação entre os eixos principais os planos de referência da seção transversal. Isto está listado como um parâmetro de família de Análise estrutural.