Вставка соединителя на существующих проводах.
Теперь, после соединения проводов друг с другом, необходимо вставить соединители на линии соединения для группировки проводов.
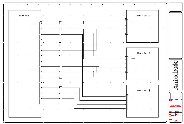
Вставка соединителей на линии соединения


. найти
Интервал выводов: 1.0
Количество выводов: 3
Пересечение проводов
Список выводов: 1
Вставить все

Задайте точку вставки [Z = зумирование, P = панорамирование, X = пересечение проводов, В = горизонтально/вертикально, TAB = отразить]:
Укажите точку для расположения соединителя на проводах, соединенных с PJ1, выводы 1-3



. найти
Интервал выводов: 1.0
Количество выводов: 9
Пересечение проводов
Список выводов: 1
Разрешить разделители/разрывы
Задайте точку вставки [Z = зумирование, P = панорамирование, X = пересечение проводов, В = горизонтально/вертикально, TAB = отразить]:
Укажите точку для расположения соединителя, начинающегося на линии у PJ1, вывод 5
Обратите внимание на то, что соединитель удлиняется при пересечении проводов.
В диалоговом окне отображается, какой вывод соединителя уже был вставлен. Продолжайте нажимать "Вставить следующее соединение", пока не будут размещены шесть из девяти соединений.

Задайте точку вставки [Z = зумирование, P = панорамирование, X = пересечение проводов, В = горизонтально/вертикально, TAB = отразить]:
Укажите точку для расположения соединителя, начинающегося на линии у PJ1, вывод 13




. найти
Компонент, от которого устанавливается связь: Выберите нижнюю часть PJ6 (1)
компонент, к которому устанавливается связь: Выберите верхнюю часть PJ6 (2), щелкните правой кнопкой мыши
