Asocie ejemplares de armadura adyacentes o solapados a un acoplador.
Vídeo: colocar acopladores de armadura
grupo Refuerzo
(Acoplador de armadura).
grupo Opciones de colocación
(Colocar en extremo de barra)
grupo Opciones de colocación
(Colocar entre dos barras)

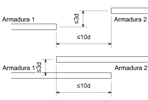
Tolerancia de colocación del acoplador