Les styles de détails dédiés aux escaliers, garde-corps et échelles sont disponibles dans la palette de styles de dessin ou dans le Gestionnaire de styles de dessin. Certains styles de dessin offrent la possibilité d'être détaillés en fonction de l'emplacement du SCU dans le modèle 3D (orientation de l'axe Z et position du plan XY). Ces styles de dessin ont la dénomination "SCU" dans leurs noms.

Vous pouvez ajouter des labels manuels sur n'importe quel type de détail (plan, vue d'élévation, assemblage ou pièce secondaire). Le contenu du label dépend du type de l'objet vers lequel l'étiquette pointe (poutre, tôle, etc.). et de son état (assemblage, pièce attachée, etc.). Vous pouvez modifier le contenu de chaque label, en accédant à la boîte de dialogue Définition du contenu du label (appuyez sur C et sur la touche Entrée après l'exécution de la commande de label manuel).

La ligne de délimitation personnalisée existante peut également être utilisée dans les lignes de contour de bordure qui délimitent les objets détaillés sur les dessins d'agencement général.
Tous les éléments sont désormais affichés (poutre, tôles, boulons, goujons) dans des détails complets :








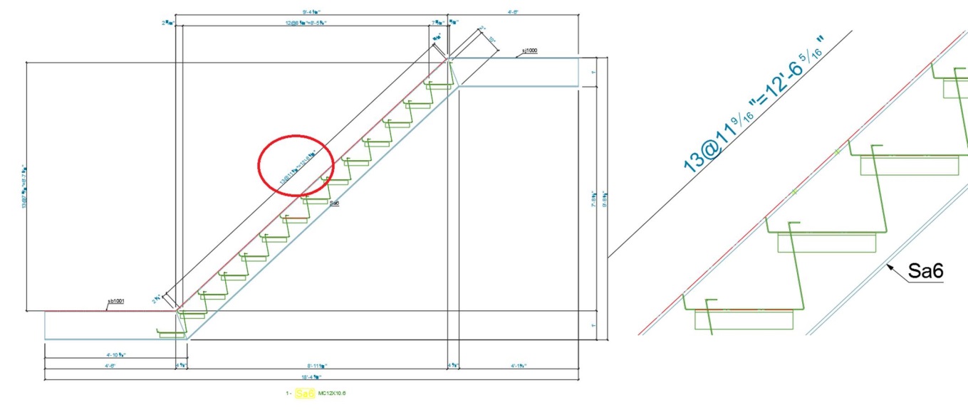
La vue en coupe de garde-corps peut être créée manuellement sur le plan d'assemblage (si nécessaire).

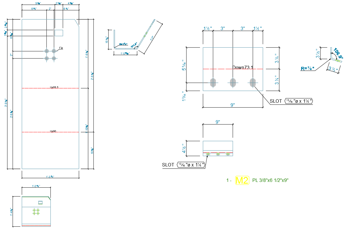
Création d'une vue en coupe dédiée disponible, par défaut, pour les profils manuels uniquement :



Création d'une vue en coupe dédiée disponible, par défaut, pour les profils manuels uniquement :

Le nouveau style de dessin est dédié aux poutres pliées et aux tôles pliées (qui peuvent être utilisées pour les éléments autonomes uniquement) :


Pour marquer la poutre du côté d'édification du site de poutre, selon les trous de marquage :

Ajout dans les styles de dessin d'assemblages appropriés pour l'installation américaine :

Cette modification a été effectuée sur les trous de pièces attachées, pour pointer uniquement vers un trou, dans les styles de dessin Poteau et Poutre :


Les cotes sont créées selon le côté des tôles secondaires, pour l'installation américaine :







