Tato podsestava překryje jednu stranu existující silnice a přidá jeden nebo více jízdních pruhů na hranu s využitím sklonu klopení, který je definován pro vnější jízdní pruh.

Bod připojení je na vnější hraně horní části vrstvy překrytí, pokud hloubka překrytí je nenulová, nebo na vnitřní hraně upraveného terénu, jestliže hloubka překrytí je nulová.
Poznámka: všechny rozměry jsou v metrech nebo stopách, pokud není uvedeno jinak. Všechny sklony jsou uvedeny v podobě poměru (například 4 : 1), pokud nejsou označeny jako procentní sklony se značkou „%“.
|
Parametr |
Popis |
Typ |
Výchozí |
|---|---|---|---|
|
Odsazení kontrolního bodu |
Odsazení kontrolního bodu, který definuje začátek vrstvy překrytí zpevnění vozovky |
Numerický |
0.0 |
|
Odsazení bodu vložení |
Odsazení bodu vložení rozšiřujícího pruhu, obvykle na existující hraně vozovky. Pokud pro tento parametr stanovíte kladnou hodnotu, bude tato podsestava vložena na pravou stranu koridoru nebo řídicí základny. Záporná hodnota znamená vložení na levou stranu. Další informace získáte v části „Vložení podsestav na pravou nebo levou stranu koridoru“ v kapitole Koridory v Uživatelské příručce k aplikaci AutoCAD Civil 3D. |
Numerický |
0.0 |
|
Hloubka překrytí |
Hloubka překrytí nad existujícím upraveným terénem v kontrolním bodu. |
Numerický, kladný |
0,100 m 0,30 ft |
|
Šířka |
Šířka rozšiřujícího pruhu |
Numerický, kladný |
3,6 m 12,0 ft |
|
Hloubka vrstvy Kryt1 |
Hloubka vrstvy Kryt1 pro rozšiřující pruh; při hodnotě nula se vynechá |
Numerický, kladný |
0,025 m 0,083 ft |
|
Hloubka vrstvy Kryt2 |
Hloubka vrstvy Kryt2 pro rozšiřující pruh; při hodnotě nula se vynechá |
Numerický, kladný |
0,025 m 0,083 ft |
|
Základní hloubka |
Tloušťka spodní podkladní vrstvy pro rozšiřující pruh |
Numerický, kladný |
0,100 m 0,333 ft |
|
Hloubka pláně |
Tloušťka ochranné vrstvy pro rozšiřující pruh |
Numerický, kladný |
0,300 m 1,0 ft |
V této části jsou uvedeny parametry této podsestavy, které lze mapovat na jeden či více cílových objektů, například na povrch, trasu nebo objekt profilu ve výkresu. Další informace naleznete v části Určení cílových objektů koridoru.
|
Parametr |
Popis |
Stav |
|---|---|---|
|
Existující povrch |
Název povrchu, který definuje existující vozovku. Jako cíle pro určení tohoto povrchu lze použít následující typy objektů: povrchy. |
Požadováno |
|
Odsazení kontrolního bodu |
Může se použít k přepsání pevného odsazení kontrolního bodu a k navázání bodu na trasu odsazení. Jako cíle pro určení tohoto odsazení lze použít následující typy objektů: trasy, křivky, návrhové linie nebo polygony zaměření. |
Volitelné |
|
Odsazení bodu vložení |
Může se použít k přepsání pevného odsazení bodu vložení a k navázání bodu na trasu odsazení. Jako cíle pro určení tohoto odsazení lze použít následující typy objektů: trasy, křivky, návrhové linie nebo polygony zaměření. |
Volitelné |
|
Šířka |
Může se použít k přepsání pevné šířky rozšiřujícího pruhu a k navázání hrany jízdního pruhu na trasu odsazení. Jako cíle pro určení tohoto odsazení lze použít následující typy objektů: trasy, křivky, návrhové linie nebo polygony zaměření. |
Volitelné |
|
Parametr |
Popis |
Typ |
|---|---|---|
|
Sklon v % |
Vypočtený sklon na existujícím povrchu od vzorkovacího bodu do bodu vložení |
Numerický |
Klopení vnějšího pruhu se získá z vlastností trasy aktuální kontrolní trasy a určí se výška existujícího povrchu v odsazení kontrolního bodu.
Jestliže se zadá nenulová hloubka překrytí, na kontrolní bod se aplikuje hloubka překrytí. Horní část vrstvy překrytí je vedena do odsazení bodu vložení se sklonem klopení a tvar překrytí se uzavře pomocí překrývajících spojnic nad existujícím povrchem mezi kontrolním bodem a bodem vložení a pomocí přidání vertikálních spojnic na každém konci. Rozšiřující pruh je veden směrem ven se sklonem klopení pro danou šířku od hrany povrchu překrytí.
Jestliže hloubka překrytí je nula, rozšiřující pruh je veden směrem od odsazení bodu vložení na existujícím povrchu se sklonem klopení pro danou šířku.
Vrstvy zpevnění vozovky se uzavřou vertikálními spojnicemi na každém konci. Jedna vertikální spojnice se umístí také od vnitřní hrany Pláně do existujícího povrchu.
V režimu návrhu se může tato podsestava připojit k libovolnému vhodnému bodu. Vrstva překrytí je zobrazena s jednotnou hloubkou a se šířkou 3,6 metrů nebo 12 stop a je vedena se sklonem -2 %. Jestliže hloubka překrytí je nula, překrytí je zobrazeno jako jediná spojnice. Rozšiřující pruh je veden od hrany překrytí se sklonem -2 %.
Pokud se podsestava použije v režimu modelování koridoru, tvary se upraví na zvolený kontrolní bod, bod vložení, sklon klopení a existující povrch.

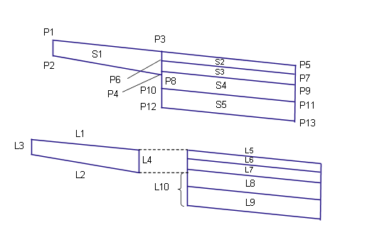
V následující tabulce jsou pro tuto podsestavu uvedeny kódy bodů, spojnic a tvarů, ke kterým byly přiřazeny kódy. Kódy bodů, spojnic a tvarů této podsestavy, které nemají přiřazeny kódy, nejsou v této tabulce zahrnuty.
|
Bod, spojnice nebo tvar |
Kód |
Popis |
|---|---|---|
|
P5 |
ETW |
Vnější hrana rozšiřujícího jízdního pruhu na upraveném terénu |
|
P7 |
ETW_Pave1 |
Vnější hrana rozšiřujícího jízdního pruhu na vrstvě Kryt1 |
|
P9 |
Lane_Pave1 |
Vnější hrana rozšiřujícího jízdního pruhu na vrstvě Kryt2 |
|
P11 |
HranPodklad |
Vnější hrana rozšiřujícího jízdního pruhu na Základu |
|
P13 |
HranPláň |
Vnější hrana rozšiřujícího jízdního pruhu na Pláni |
|
L1, L5 |
Top, Pave |
Povrch upraveného terénu |
|
L2 |
OŽK-Pokládka |
Překrývající spojnice na existujícím povrchu. Všimněte si, že mezi bodem P3 a P4 může být více než jedna spojnice. |
|
L6 |
Pave1 |
|
|
L7 |
Pave2 |
|
|
L8 |
Podklad |
|
|
L9 |
Pláň, RefPovrch |
|
|
L10 |
RefPovrch |
|
|
S1 |
OŽK-Pokládka |
Plocha mezi překrytím a existujícím pruhem. |
|
S2 |
Pave1 |
|
|
S3 |
Pave2 |
|
|
S4 |
Podklad |
|
|
S5 |
Pláň |
