Dieser Querschnittsbestandteil überlagert eine Seite einer vorhandenen Straße und fügt der Kante eine oder mehrere Fahrspuren hinzu, wobei die für die Außenfahrspur definierte Überhöhungsneigung verwendet wird.

Wenn der Wert für Auflage Tiefe ungleich null ist, befindet sich der Zuordnungspunkt am Innenrand der Oberkante der Auflageschicht, bzw. am Innenrand auf Deckschicht der Aufweitungsfahrspur, wenn Auflage Tiefe null ist.
Hinweis: Alle Bemaßungen sind in Meter oder Fuß angegeben, wenn nicht anders vermerkt. Alle Neigungen sind in Länge/Höhe (zum Beispiel 4:1) angegeben, wenn nicht durch ein Prozentzeichen ("%") als prozentuale Neigung gekennzeichnet.
|
Parameter |
Beschreibung |
Typ |
Vorgabe |
|---|---|---|---|
|
Festpunkt-Versatz |
Versatz des Festpunkts, der den Anfang der Fahrbahnbelagauflageschicht definiert |
Numerisch |
0.0 |
|
Einfüge Punkt Versatz |
Versatz des Einfügepunkts der Aufweitungsfahrspur, der sich normalerweise an der vorhandenen Fahrbahnkante befindet Durch das Festlegen eines positiven Werts für diesen Parameter wird dieser Querschnittsbestandteil an der rechten Seite eines 3D-Profilkörpers oder einer Kontrollbasislinie eingefügt. Bei einem negativen Wert wird er links eingefügt. Weitere Informationen finden Sie im AutoCAD Civil 3D-Benutzerhandbuch im Abschnitt 3D-Profilkörper unter "Einfügen von Querschnittsbestandteilen auf der rechten und linken Seite eines 3D-Profilkörpers". |
Numerisch |
0.0 |
|
Auflage Tiefe |
Tiefe der Auflage oberhalb der vorhandenen Deckschicht am Festpunkt. |
Numerisch, positiv |
0.100 m 0.30 ft |
|
Breite |
Breite der Aufweitungsfahrspur |
Numerisch, positiv |
3.6 m 12.0 ft |
|
Deckschicht Tiefe |
Stärke der Deckschicht für die Fahrspuraufweitung (entfällt bei null) |
Numerisch, positiv |
0.025 m 0.083 ft |
|
Zwischenschicht Tiefe |
Stärke der Zwischenschicht für die Fahrspuraufweitung (entfällt bei null) |
Numerisch, positiv |
0.025 m 0.083 ft |
|
Basis Tiefe |
Stärke der Basisschicht für die Fahrspuraufweitung (entfällt bei null) |
Numerisch, positiv |
0.100 m 0.333 ft |
|
Untere Tragschicht Tiefe |
Stärke der unteren Tragschicht für die Fahrspuraufweitung (entfällt bei null) |
Numerisch, positiv |
0.300 m 1.0 ft |
In diesem Abschnitt werden die Parameter dieses Querschnittsbestandteils aufgelistet, die einem oder mehreren Zielobjekten wie Oberflächen, Achsen und Längsschnittobjekten zugeordnet werden können. Weitere Informationen finden Sie unter So legen Sie 3D-Profilkörper-Ziele fest.
|
Parameter |
Beschreibung |
Status |
|---|---|---|
|
Vorhandenes DGM |
Name des DGMs, das die vorhandene Straße definiert Folgende Objekttypen können beim Festlegen dieses DGMs als Ziele verwendet werden: DGMs. |
Erforderlich |
|
Festpunkt-Versatz |
Kann zum Überschreiben des festen Werts für Festpunkt-Versatz und zum Binden des Punkts an eine Achsparallele verwendet werden. Folgende Objekttypen können beim Festlegen des Versatzes als Ziele verwendet werden: Achsen, Polylinien, Elementkanten oder Vermessungslinienzüge. |
Optional |
|
Einfüge Punkt Versatz |
Kann zum Überschreiben des festen Werts für Einfüge Punkt Versatz und zum Binden des Punkts an eine Achsparallele verwendet werden. Folgende Objekttypen können beim Festlegen des Versatzes als Ziele verwendet werden: Achsen, Polylinien, Elementkanten oder Vermessungslinienzüge. |
Optional |
|
Breite |
Kann zum Überschreiben des festen Werts für die Breite der Aufweitungsfahrspur und zum Binden der Fahrspurkante an eine Achsparallele verwendet werden. Folgende Objekttypen können beim Festlegen des Versatzes als Ziele verwendet werden: Achsen, Polylinien, Elementkanten oder Vermessungslinienzüge. |
Optional |
|
Parameter |
Beschreibung |
Typ |
|---|---|---|
|
%Neigung |
Die berechnete Neigung auf vorhandenem DGM vom Probepunkt zum Einfügepunkt |
Numerisch |
Die Querneigung der Außenfahrspur wird aus den Achseigenschaften der aktuellen Kontrollachse ermittelt und die Höhe auf Vorhandenes DGM am Festpunkt-Versatz bestimmt.
Wenn eine Auflage Tiefe ungleich null angegeben wird, wird die Auflagetiefe am Festpunkt angewendet. Die Oberkante der Auflageschicht erstreckt sich mit der Überhöhungsneigung bis zum Einfügepunkt-Versatz und die Auflage-Profilart wird abgeschlossen, indem Vorhandenes DGM durch Verknüpfungen zwischen dem Kontroll- und Einfügepunkt überlagert wird und indem vertikale Verknüpfungen an jedem Ende hinzugefügt werden. Die Aufweitungsfahrspur wird mit der Überhöhungsneigung um die angegebene Breite von der Kante des Auflage-DGMs nach außen verlängert.
Wenn Auflage Tiefe gleich null ist, erstreckt sich die Aufweitungsfahrspur vom Einfügepunkt Versatz auf Vorhandenes DGM mit der Überhöhungsneigung um die angegebene Breite nach außen.
Die Fahrbahnbelagsschichten werden an jedem Ende mit vertikalen Verknüpfungen abgeschlossen. Außerdem wird noch eine einzelne vertikale Verknüpfung von dem inneren Rand der unteren Tragschicht zur vorhandenen Oberfläche platziert.
In der Entwurfsdarstellung kann dieser Querschnittsbestandteil jedem geeigneten Punkt zugeordnet werden. Die Auflageschicht wird über eine Breite von 3.6 m oder 12 ft und verlängert mit einer Neigung von -2 % mit einer einheitlichen Stärke dargestellt. Wenn Auflage Tiefe gleich null ist, wird die Auflage als eine einzelne Verknüpfung dargestellt. Die Aufweitungsfahrspur erstreckt sich von der Auflagekante mit einer Neigung von -2%.
Im 3D-Profilkörperentwurfsmodus passen sich die Shapes an den gewählten Festpunkt, Einfügepunkt, die Überhöhungsneigung und das vorhandene DGM an.

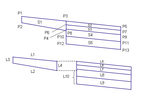
In der folgenden Tabelle werden die Punkt-, Verknüpfungs- und Profilartcodes für diesen Querschnittsbestandteil aufgeführt, denen Codes zugewiesen sind. Punkt-, Verknüpfungs- und Profilartcodes für diesen Querschnittsbestandteil, denen keine Codes zugewiesen sind, sind nicht in der Tabelle enthalten.
|
Punkt, Verknüpfung oder Profilart |
Code |
Beschreibung |
|---|---|---|
|
P5 |
ETW |
Außenkante der Aufweitungsfahrspur auf Deckschicht |
|
P7 |
ETW_Pave1 |
Außenkante der Aufweitungsfahrspur auf Deckschicht |
|
P9 |
ETW_Pave2 |
Außenkante der Aufweitungsfahrspur auf Zwischenschicht |
|
P11 |
Fahrspurrand_Außen_Tragschicht |
Außenrand der Aufweitungsfahrspur auf Basis |
|
P13 |
Fahrspurrand_Außen_Frostschutzschicht |
Außenrand der Aufweitungsfahrspur auf unterer Tragschicht |
|
L1, L5 |
Top, Pave |
Deckschichtoberfläche |
|
L2 |
Auflage |
Überlagert die Verknüpfungen auf Vorhandenes DGM. Beachten Sie, dass zwischen den Punkten P3 und P4 mehr als eine einzelne Verknüpfung bestehen kann. |
|
L6 |
Pave1 |
|
|
L7 |
Pave2 |
|
|
L8 |
Tragschicht |
|
|
L9 |
Untere Tragschicht, Planum |
|
|
L10 |
Planum |
|
|
S1 |
Auflage |
Bereich zwischen Auflage und vorhandener Fahrspur |
|
S2 |
Pave1 |
|
|
S3 |
Pave2 |
|
|
S4 |
Tragschicht |
|
|
S5 |
Untere Tragschicht |
