Dieser Querschnittsbestandteil wird verwendet, um eine Seite der vorhandenen Straße zu überlagern und der Kante mindestens eine Fahrspur hinzuzufügen, die um die Rückführung eines Bordsteins herum verläuft.
Er ähnelt dem Querschnittsbestandteil AuflageAufweitungGleicheNeigung1, außer dass er von einem vorhandenen oder geplanten Bordsteinauskragungspunkt aus einwärts verläuft.

Der Zuordnungspunkt befindet sich am äußeren Rand des Fahrspuraufweitungs-Abschnitts. Normalerweise wird dieser Querschnittsbestandteil von der Auskragung eines vorhandenen oder geplanten Bord- und Rinnsteins aus einwärts eingefügt. Er kann auch vom Außenrand des Fahrbahnbelags um die Rückführung eines Bordsteins herum verlaufen.
Hinweis: Alle Bemaßungen sind in Meter oder Fuß angegeben, wenn nicht anders vermerkt. Alle Neigungen sind in Länge/Höhe (zum Beispiel 4:1) angegeben, wenn nicht durch ein Prozentzeichen ("%") als prozentuale Neigung gekennzeichnet.
|
Parameter |
Beschreibung |
Typ |
Vorgabe |
|---|---|---|---|
|
Seite |
Gibt an, welche Seite des Zuordnungspunkts dieses Querschnittsbestandteils hinzugefügt wird. |
Boolesch |
Links/Rechts |
|
Aufweitungsbreite |
Breite der Aufweitungsfahrspur. |
Numerisch, positiv |
3.6 m 12.0 ft |
|
Auflage Breite |
Breite der Fahrbahnbelagsauflage. |
Numerisch, positiv |
3.6 m 12.0 ft |
|
Neigung (Verhältnis) |
Neigung der Auflage und der Aufweitung. |
Numerisch |
- 2% |
|
Deckschicht Tiefe |
Stärke der Deckschicht für die Fahrspuraufweitung (entfällt bei null). |
Numerisch, positiv |
0.025 m 0.083 ft |
|
Zwischenschicht Tiefe |
Stärke der Zwischenschicht für die Fahrspuraufweitung (entfällt bei null). |
Numerisch, positiv |
0.025 m 0.083 ft |
|
Basis Tiefe |
Stärke der Basisschicht für die Fahrspuraufweitung. |
Numerisch, positiv |
0.100 m 0.333 ft |
|
Untere Tragschicht Tiefe |
Stärke der unteren Tragschicht für die Fahrspuraufweitung |
Numerisch, positiv |
0.300 m 1.0 ft |
In diesem Abschnitt werden die Parameter dieses Querschnittsbestandteils aufgelistet, die einem oder mehreren Zielobjekten wie Oberflächen, Achsen und Längsschnittobjekten zugeordnet werden können. Weitere Informationen finden Sie unter So legen Sie 3D-Profilkörper-Ziele fest.
|
Parameter |
Beschreibung |
Status |
|---|---|---|
|
Vorhandenes DGM |
Name des DGMs, das die vorhandene Straße definiert Folgende Objekttypen können beim Festlegen dieses DGMs als Ziele verwendet werden: DGMs. |
Erforderlich |
|
Aufweitungsversatz |
Kann zum Überschreiben des festen Werts für die Aufweitungsbreite und zum Binden der Aufweitungsinnenkante an eine Achsparallele verwendet werden. Folgende Objekttypen können beim Festlegen des Versatzes als Ziele verwendet werden: Achsen, Polylinien, Elementkanten oder Vermessungslinienzüge. |
Optional |
|
Auflage-Versatz |
Kann zum Überschreiben des Werts für Auflage Breite und zum Binden des inneren Rands der Auflage an eine Achse verwendet werden. Folgende Objekttypen können beim Festlegen des Versatzes als Ziele verwendet werden: Achsen, Polylinien, Elementkanten oder Vermessungslinienzüge. |
Optional |
|
Auflage-Längsschnitt |
Kann zum Überschreiben der Neigung und zum Binden der Höhe des inneren Rands der Auflage an einen Längsschnitt verwendet werden. Das Ergebnis ist eine berechnete Neigung. Folgende Objekttypen können beim Festlegen dieser Höhe als Ziele verwendet werden: Längsschnitte, 3D-Polylinien, Elementkanten oder Vermessungslinienzüge. |
Optional |
|
Parameter |
Beschreibung |
Typ |
|---|---|---|
|
%Neigung |
Die berechnete Neigung auf vorhandenem DGM vom Probepunkt zum Einfügepunkt |
Numerisch |
Der Zuordnungspunkt gibt den Versatz und die Höhe der Außenkante der Aufweitung an. Die Position des inneren Rands der Aufweitung und des inneren Rands der Überlagerung werden durch die vorgegebene Breite und Neigung bestimmt. Achsen können zum Überschreiben der vorgegebenen numerischen Breiten verwendet werden. Wenn der Wert Auflage-Längsschnitt vorgegeben ist, wird die Neigung zwischen der Längsschnitthöhe am Innenrand der Überlagerung und dem Zuordnungspunkt berechnet.
In der folgenden Abbildung ist eine Situation mit einem Auflage-Versatzlängsschnitt dargestellt. (Wenn der Wert Auflage-Längsschnitt vorgegeben ist, wird die Neigung zwischen der Längsschnitthöhe am Innenrand der Überlagerung und dem Zuordnungspunkt berechnet.)

In der folgenden Abbildung ist eine Situation ohne Auflage-Versatzlängsschnitt dargestellt.

Dabei ist es wichtig zu beachten, dass die Neigungen links und rechts an diesem Querschnittsbestandteil übereinstimmen. Die gleiche Neigung wird auch auf alle untergeordneten DGMs angewendet.
Wenn der Auflage-Längsschnitt schließlich zugeordnet ist, werden vertikale Verknüpfungen a) vom "Auflage-Versatz" zum Ziel-DGM (Urgelände) und b) vom Ende der Auflage und dem Anfang der Aufweitung zum Ziel-DGM (Urgelände) sowie c) zwischen zwei Punkten entlang der Ziel-DGM-Verknüpfungen hinzugefügt.
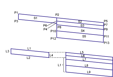
Der Bereich, der dadurch geformt wird, wird unten im Kodierungsdiagramm als "Auflage" (S1) kodiert.
Die Auflage entspricht dem Bereich zwischen dem oberen Ende der Auflage und dem Urgelände und kann über eine ungleichmäßige Tiefe verfügen.
In der Entwurfsdarstellung kann dieser Querschnittsbestandteil jedem geeigneten Punkt zugeordnet werden. Dieser Querschnittsbestandteil wird an den vorgegebenen Breiten und Neigungen angezeigt. Im Modellierungsmodus werden die Formen an die aktuellen Bedingungen angepasst, die durch das vorhandene DGM und zur Laufzeit logische Achsen und Längsschnitte definiert werden.
In der folgenden Tabelle werden die Punkt-, Verknüpfungs- und Profilartcodes für diesen Querschnittsbestandteil aufgeführt, denen Codes zugewiesen sind. Punkt-, Verknüpfungs- und Profilartcodes für diesen Querschnittsbestandteil, denen keine Codes zugewiesen sind, sind nicht in der Tabelle enthalten.
| Punkt, Verknüpfung oder Profil | Codes | Beschreibung |
|---|---|---|
| P5 | ETW | Außenkante der Aufweitungsfahrspur auf Deckschicht |
| P7 | ETW_Pave1 | Außenkante der Aufweitungsfahrspur auf Deckschicht |
| P9 | ETW_Pave2 | Außenkante der Aufweitungsfahrspur auf Zwischenschicht |
| P11 | Fahrspurrand_Außen_Tragschicht | Außenrand der Aufweitungsfahrspur auf Basis |
| P13 | Fahrspurrand_Außen_Frostschutzschicht | Außenrand der Aufweitungsfahrspur auf unterer Tragschicht |
| L1, L5 | Top, Pave | Deckschichtoberfläche |
| L2 | Auflage | Überlagert Verknüpfungen auf vorhandenem DGM. Beachten Sie, dass zwischen den Punkten P3 und P4 mehr als eine einzelne Verknüpfung bestehen kann. |
| L6 | Pave1 | |
| L7 | Pave2 | |
| L8 | Tragschicht | |
| L9 | Untere Tragschicht, Planum | |
| L10 | Planum | |
| S1 | Auflage | Bereich zwischen Auflage und vorhandener Fahrspur |
| S2 | Pave1 | |
| S3 | Pave2 | |
| S4 | Tragschicht | |
| S5 | Untere Tragschicht |
