Cet élément de profil type recouvre un côté de la route existante et ajoute une ou plusieurs voies de circulation aux bords qui correspondent aux pentes des voies existantes.

Le point d'association est situé sur le bord intérieur du haut de la couche de recouvrement.
Remarque : toutes les cotes sont indiquées en mètres ou en pieds, sauf indication contraire. Toutes les pentes sont exprimées sous la forme x:y (par exemple, 4 : 1), sauf si elles sont exprimées en pourcentage avec un signe %.
|
Paramètre |
Description |
Type |
Par défaut |
|---|---|---|---|
|
Décalage point d'échantillonnage |
Décalage du point d'échantillonnage, qui peut être situé n'importe où entre le point d'insertion et le prochain changement de pente sur la surface de la route existante. Les emplacements des points d'échantillonnage par défaut se situent sur le dévers de la route ou sur le bord opposé de la chaussée, si la chaussée n'est pas en toit. |
Numérique |
0.0 |
|
Insérer un décalage de point |
Décalage du point d'insertion, situé par défaut sur le bord de la chaussée à élargir. |
Numérique |
0.0 |
|
Profondeur de recouvrement |
Profondeur de recouvrement au-dessus de la surface finale existante |
Numérique, positive |
0.100 m 0.30 pied |
|
Largeur |
Largeur de la voie d'élargissement |
Numérique, positive |
3.6 m 12.0 pieds |
|
Profondeur de Roulement |
Epaisseur de la couche Roulement pour la voie d'élargissement ; zéro pour omettre |
Numérique, positive |
0.025 m 0.083 pied |
|
Profondeur de Revêtement2 |
Epaisseur de la couche Revêtement2 pour la voie d'élargissement ; zéro pour omettre |
Numérique, positive |
0.025 m 0.083 pied |
|
Profondeur de base |
Epaisseur de la couche de base pour la voie d'élargissement |
Numérique, positive |
0.100 m 0.333 pied |
|
Profondeur de couche de matériau |
Epaisseur de la couche de matériau pour la voie d'élargissement |
Numérique, positive |
0.300 m 1,0 pied |
Cette section répertorie les paramètres de l'élément de profil type pouvant être mis en correspondance avec un ou plusieurs objets cibles tels qu'une surface, un axe ou un objet de ligne de profil en long dans un dessin. Pour plus d'informations, reportez-vous à la rubrique Pour définir les cibles de projet 3D.
|
Paramètre |
Description |
Etat |
|---|---|---|
|
Surface existante |
Nom de la surface définissant la route existante. Les types d'objet suivants peuvent être utilisés comme cibles pour spécifier la surface : surfaces. |
Obligatoire |
|
Décalage de point d'échantillonnage |
Peut être utilisé pour remplacer le paramètre Décalage de point d'échantillonnage fixe et lier ce point à un axe de décalage. Les types d'objet suivants peuvent être utilisés comme cibles pour indiquer ce décalage : axes, polylignes, lignes caractéristiques du terrain ou figures de topographie. |
Facultatif |
|
Insérer un décalage de point |
Peut être utilisé pour remplacer le paramètre Insérer un décalage de point fixe et lier ce point à un axe de décalage. Les types d'objet suivants peuvent être utilisés comme cibles pour indiquer ce décalage : axes, polylignes, lignes caractéristiques du terrain ou figures de topographie. |
Facultatif |
|
Largeur |
Peut être utilisé pour remplacer le paramètre Largeur fixe de la voie d'élargissement et lier le bord de la voie à un axe de décalage. Les types d'objet suivants peuvent être utilisés comme cibles pour indiquer ce décalage : axes, polylignes, lignes caractéristiques du terrain ou figures de topographie. |
Facultatif |
|
Paramètre |
Description |
Type |
|---|---|---|
|
% pente |
Pente calculée sur la surface existante du point d'échantillonnage au point d'insertion |
Numérique |
Les altitudes du point d'échantillonnage et du point d'insertion sur la surface existante sont déterminées et la pente est calculée du point d'échantillonnage au point d'insertion. Une couche de recouvrement est ajoutée au-dessus de la voie existante sur la même pente pour le paramètre Profondeur de recouvrement spécifié. Une forme de recouvrement fermée est créée en superposant un ou plusieurs liens sur le talus existant. L'élargissement de la voie est associée vers l'extérieur à partir du recouvrement au décalage d'insertion à l'aide de la pente calculée.
Les calques de la chaussée sont fermés avec des liens verticaux à chaque extrémité. Un lien vertical unique est également positionné du bord intérieur de la couche de matériau à la surface existante.
En mode d'édition, cet élément de profil type est associé à n'importe quel point. La couche de recouvrement présente une profondeur uniforme avec une largeur de 3.6 mètres ou 12 pieds pour une pente à -2 %. L'élargissement de la voie se prolonge du bord du recouvrement pour une largeur et des profondeurs spécifiées et une pente à -2 %.
En mode de conception, les formes s'ajustent aux conditions courantes déterminées par le point d'échantillonnage, le point d'insertion et la surface existante.

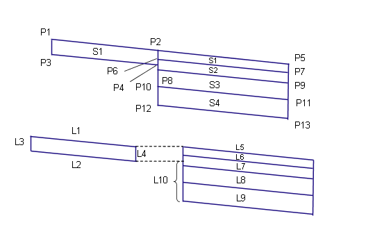
Le tableau suivant répertorie les codes, pour cet élément de profil type, des points, liens et formes auxquels sont affectés des codes. Les codes des points, liens ou formes auxquels aucun code n'a été affecté ne sont pas inclus dans ce tableau.
|
Point, Lien ou Forme |
Code |
Description |
|---|---|---|
|
P5 |
ETW |
Bordures extérieures de la voie d'élargissement sur la surface finale |
|
P7 |
ETW_Pave1 |
Bordure extérieure de la voie d'élargissement sur Roulement |
|
P9 |
ETW_Pave2 |
Bordure extérieure de la voie d'élargissement sur Revêtement2 |
|
P11 |
Point de chaussée |
Bordure extérieure de la voie d'élargissement sur la base |
|
P13 |
Point de chaussée |
Bord extérieur de la voie d'élargissement sur couche de matériau |
|
L1, L5 |
Top, Pave |
Surface finale des parties revêtues |
|
L2 |
Renforcement |
Superposé sur des liens sur la surface existante. Remarquez qu'il peut y avoir plusieurs liens entre les points P3 et P4. |
|
L6 |
Pave1 |
|
|
L7 |
Pave2 |
|
|
L8 |
Base |
|
|
L9 |
Forme, Assise des terrassements |
|
|
L10 |
Assise des terrassements |
|
|
S1 |
Renforcement |
Aire entre le recouvrement et la voie existante |
|
S2 |
Pave1 |
|
|
S3 |
Pave2 |
|
|
S4 |
Base |
|
|
S5 |
Forme |
