その他の鉄骨構造フレーム要素の断面形状の寸法パラメータの値を確認、修正します。
これらのタイプのプロパティは、要素の断面形状ファミリ カテゴリ パラメータから作成されます。
| 断面形状 | 使用可能な形状の寸法パラメータ |
|---|---|
角棒
![]() |
B. 幅: 断面形状の外側の幅です。 H. 高さ: 断面形状の外側の高さです。 y. 水平方向の図心: 水平軸に沿った、断面形状の図心から左側端部までの距離です。 z. 垂直方向の図心: 垂直軸に沿った、断面形状の図心から下側端部までの距離です。 |
角型カット
![]() |
B. 幅: 断面形状の外側の幅です。 H. 高さ: 断面形状の外側の高さです。 y. 水平方向の図心: 水平軸に沿った、断面形状の図心から左側端部までの距離です。 z. 垂直方向の図心: 垂直軸に沿った、断面形状の図心から下側端部までの距離です。 |
丸鋼
![]() |
D. 直径: 円形断面形状の外径寸法です。 y. 水平方向の図心: 水平軸に沿った、断面形状の図心から左側端部までの距離です。 z. 垂直方向の図心: 垂直軸に沿った、断面形状の図心から下側端部までの距離です。 |
T 型
![]() |
B. 幅: 断面形状の外側の幅です。 H. 高さ: 断面形状の外側の高さです。 y. 水平方向の図心: 水平軸に沿った、断面形状の図心から左側端部までの距離です。 z. 垂直方向の図心: 垂直軸に沿った、断面形状の図心から下側端部までの距離です。 |
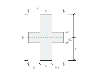
断面形状
![]() |
B. 幅: 断面形状の外側の幅です。 H. 高さ: 断面形状の外側の高さです。 y. 水平方向の図心: 水平軸に沿った、断面形状の図心から左側端部までの距離です。 z. 垂直方向の図心: 垂直軸に沿った、断面形状の図心から下側端部までの距離です。 |
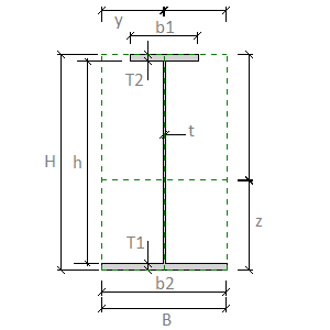
溶接 H 型鋼(ハニカム ビーム)
![]() |
B. 幅: 断面形状の外側の幅です。 H. 高さ: 断面形状の外側の高さです。 T2. 上フランジの厚さ: ハニカム要素または溶接要素の断面形状にある上フランジの厚さ(外部サーフェス間の距離)です。 b1. 上フランジ幅: ハニカム要素または溶接要素の断面形状にある上フランジの外側の幅です。 T1. 下フランジの厚さ: ハニカム要素または溶接要素の断面形状にある下フランジの厚さ(外部サーフェス間の距離)です。 b2. 下フランジ幅: ハニカム要素または溶接要素の断面形状にある下フランジの外側の幅です。 t. ウェブの厚さ:断面形状のウェブの厚さ(外部サーフェス間の距離)です。 H. ウェブの高さ: 断面形状のフランジ間のウェブに沿った距離です。 y. 水平方向の図心: 水平軸に沿った、断面形状の図心から左側端部までの距離です。 z. 垂直方向の図心: 垂直軸に沿った、断面形状の図心から下側端部までの距離です。 |