熱間圧延鋼断面形状の寸法

熱間圧延鋼構造フレーム要素の断面形状の寸法パラメータの値を確認、修正します。

これらのタイプのプロパティは、要素の断面形状ファミリ カテゴリ パラメータから作成されます。

断面形状 使用可能な形状の寸法パラメータ
鋼管の標準

D. 直径: 円形断面形状の外径寸法です。

T. 設計肉厚: 断面形状の内部サーフェスと外部サーフェス間の垂直方向の設計厚です。

t. 標準肉厚: 断面形状の内部サーフェスと外部サーフェス間の垂直方向の平均距離です。

y. 水平方向の図心: 水平軸に沿った、断面形状の図心から左側端部までの距離です。

z. 垂直方向の図心: 垂直軸に沿った、断面形状の図心から下側端部までの距離です。

alpha. 主軸の角度: 主軸と断面の参照面との間の回転角です。これは、構造解析ファミリ パラメータとして一覧表示されます。

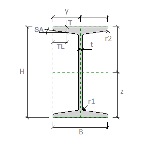
I 形パラレル フランジ

B. 幅: 断面形状の外側の幅です。

H. 高さ: 断面形状の外側の高さです。

T. フランジの厚さ: 断面形状のフランジの厚さ(外部サーフェス間の距離)です。

t. ウェブの厚さ:断面形状のウェブの厚さ(外部サーフェス間の距離)です。

r. ウェブ フィレット: ウェブとフランジ間のフィレットの半径です。

y. 水平方向の図心: 水平軸に沿った、断面形状の図心から左側端部までの距離です。

z. 垂直方向の図心: 垂直軸に沿った、断面形状の図心から下側端部までの距離です。

alpha. 主軸の角度: 主軸と断面の参照面との間の回転角です。これは、構造解析ファミリ パラメータとして一覧表示されます。

I 形鋼傾斜フランジ

B. 幅: 断面形状の外側の幅です。

H. 高さ: 断面形状の外側の高さです。

T. フランジの厚さ: 断面形状のフランジの厚さ(外部サーフェス間の距離)です。

TL.フランジの厚さの位置: 傾斜フランジの終点から、フランジの厚さが計測される位置までの距離です。

SA.フランジ内面のテーパー角度: 断面形状の傾斜したフランジ平面と水平平面とがなす角度です。

t. ウェブの厚さ:断面形状のウェブの厚さ(外部サーフェス間の距離)です。

r1. ウェブ フィレット: ウェブとフランジ間のフィレットの半径です。

r2. フランジ フィレット: 断面形状のフランジ端部のフィレットの半径です。

y. 水平方向の図心: 水平軸に沿った、断面形状の図心から左側端部までの距離です。

z. 垂直方向の図心: 垂直軸に沿った、断面形状の図心から下側端部までの距離です。

alpha. 主軸の角度: 主軸と断面の参照面との間の回転角です。これは、構造解析ファミリ パラメータとして一覧表示されます。

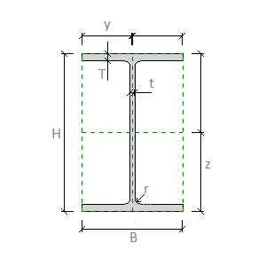
H 形鋼ワイド フランジ

B. 幅: 断面形状の外側の幅です。

H. 高さ: 断面形状の外側の高さです。

T. フランジの厚さ: 断面形状のフランジの厚さ(外部サーフェス間の距離)です。

t. ウェブの厚さ:断面形状のウェブの厚さ(外部サーフェス間の距離)です。

r. ウェブ フィレット: ウェブとフランジ間のフィレットの半径です。

y. 水平方向の図心: 水平軸に沿った、断面形状の図心から左側端部までの距離です。

z. 垂直方向の図心: 垂直軸に沿った、断面形状の図心から下側端部までの距離です。

alpha. 主軸の角度: 主軸と断面の参照面との間の回転角です。これは、構造解析ファミリ パラメータとして一覧表示されます。

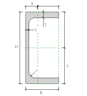
溝形鋼パラレル フランジ

B. 幅: 断面形状の外側の幅です。

H. 高さ: 断面形状の外側の高さです。

T. フランジの厚さ: 断面形状のフランジの厚さ(外部サーフェス間の距離)です。

t. ウェブの厚さ:断面形状のウェブの厚さ(外部サーフェス間の距離)です。

r. ウェブ フィレット: ウェブとフランジ間のフィレットの半径です。

y. 水平方向の図心: 水平軸に沿った、断面形状の図心から左側端部までの距離です。

z. 垂直方向の図心: 垂直軸に沿った、断面形状の図心から下側端部までの距離です。

alpha. 主軸の角度: 主軸と断面の参照面との間の回転角です。これは、構造解析ファミリ パラメータとして一覧表示されます。

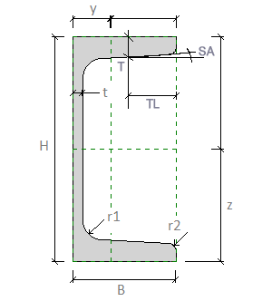
溝形鋼傾斜フランジ

B. 幅: 断面形状の外側の幅です。

H. 高さ: 断面形状の外側の高さです。

T. フランジの厚さ: 断面形状のフランジの厚さ(外部サーフェス間の距離)です。

TL.フランジの厚さの位置: 傾斜フランジの終点から、フランジの厚さが計測される位置までの距離です。

SA.フランジ内面のテーパー角度: 断面形状の傾斜したフランジ平面と水平平面とがなす角度です。

t. ウェブの厚さ:断面形状のウェブの厚さ(外部サーフェス間の距離)です。

r1. ウェブ フィレット: ウェブとフランジ間のフィレットの半径です。

r2. フランジ フィレット: 断面形状のフランジ端部のフィレットの半径です。

y. 水平方向の図心: 水平軸に沿った、断面形状の図心から左側端部までの距離です。

z. 垂直方向の図心: 垂直軸に沿った、断面形状の図心から下側端部までの距離です。

alpha. 主軸の角度: 主軸と断面の参照面との間の回転角です。これは、構造解析ファミリ パラメータとして一覧表示されます。

山形鋼

B. 幅: 断面形状の外側の幅です。

H. 高さ: 断面形状の外側の高さです。

T. フランジの厚さ: 断面形状のフランジの厚さ(外部サーフェス間の距離)です。

t. ウェブの厚さ:断面形状のウェブの厚さ(外部サーフェス間の距離)です。

r1. ウェブ フィレット: ウェブとフランジ間のフィレットの半径です。

r2. フランジ フィレット: 断面形状のフランジ端部のフィレットの半径です。

r3. フランジ フィレット: 断面形状のウェブ上部のフィレットの半径です。

y. 水平方向の図心: 水平軸に沿った、断面形状の図心から左側端部までの距離です。

z. 垂直方向の図心: 垂直軸に沿った、断面形状の図心から下側端部までの距離です。

alpha. 主軸の角度: 主軸と断面の参照面との間の回転角です。これは、構造解析ファミリ パラメータとして一覧表示されます。

I スプリット パラレル フランジ

B. 幅: 断面形状の外側の幅です。

H. 高さ: 断面形状の外側の高さです。

T. フランジの厚さ: 断面形状のフランジの厚さ(外部サーフェス間の距離)です。

t. ウェブの厚さ:断面形状のウェブの厚さ(外部サーフェス間の距離)です。

r. ウェブ フィレット: ウェブとフランジ間のフィレットの半径です。

y. 水平方向の図心: 水平軸に沿った、断面形状の図心から左側端部までの距離です。

z. 垂直方向の図心: 垂直軸に沿った、断面形状の図心から下側端部までの距離です。

alpha. 主軸の角度: 主軸と断面の参照面との間の回転角です。これは、構造解析ファミリ パラメータとして一覧表示されます。

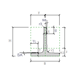
I スプリット傾斜フランジ

B. 幅: 断面形状の外側の幅です。

H. 高さ: 断面形状の外側の高さです。

T. フランジの厚さ: 断面形状のフランジの厚さ(外部サーフェス間の距離)です。

TL.フランジの厚さの位置: 傾斜フランジの終点から、フランジの厚さが計測される位置までの距離です。

SA.フランジ内面のテーパー角度: 断面形状の傾斜したフランジ平面と水平平面とがなす角度です。

t. ウェブの厚さ:断面形状のウェブの厚さ(外部サーフェス間の距離)です。

r1. ウェブ フィレット: ウェブとフランジ間のフィレットの半径です。

r2. フランジ フィレット: 断面形状のフランジ端部のフィレットの半径です。

y. 水平方向の図心: 水平軸に沿った、断面形状の図心から左側端部までの距離です。

z. 垂直方向の図心: 垂直軸に沿った、断面形状の図心から下側端部までの距離です。

alpha. 主軸の角度: 主軸と断面の参照面との間の回転角です。これは、構造解析ファミリ パラメータとして一覧表示されます。

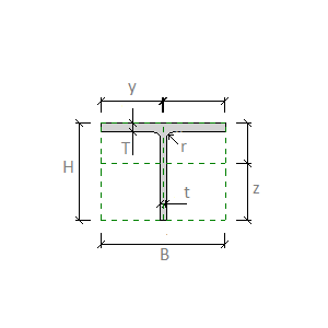
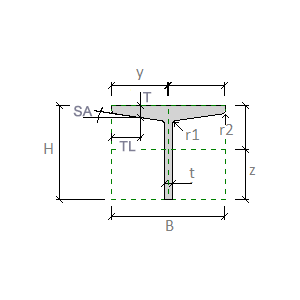
T 形鋼

B. 幅: 断面形状の外側の幅です。

H. 高さ: 断面形状の外側の高さです。

TL.フランジの厚さの位置: 傾斜フランジの終点から、フランジの厚さが計測される位置までの距離です。

SA.フランジ内面のテーパー角度: 断面形状の傾斜したフランジ平面と水平平面とがなす角度です。

t. ウェブの厚さ:断面形状のウェブの厚さ(外部サーフェス間の距離)です。

tl.ウェブの厚さの位置: 傾斜ウェブの終点から、ウェブの厚さが計測される位置までの距離です。

sa.ウェブのテーパー角度: 断面形状の傾斜したウェブ平面と垂直平面とがなす角度です。

r1. ウェブ フィレット: ウェブとフランジ間のフィレットの半径です。

r2. フランジ フィレット: 断面形状のフランジ端部のフィレットの半径です。

r3. フランジ フィレット: 断面形状のウェブ上部のフィレットの半径です。

y. 水平方向の図心: 水平軸に沿った、断面形状の図心から左側端部までの距離です。

z. 垂直方向の図心: 垂直軸に沿った、断面形状の図心から下側端部までの距離です。

alpha. 主軸の角度: 主軸と断面の参照面との間の回転角です。これは、構造解析ファミリ パラメータとして一覧表示されます。