Формат графических перекрестных ссылок

При использовании стиля графических форматов перекрестных ссылок в окне предварительного просмотра показано, как будет выглядеть перекрестная ссылка в чертеже.

Формат графических шрифтов

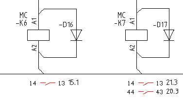
Отображение формата перекрестных ссылок с использование графического шрифта в стиле JIC или IEC. Параметр применяется к графическому шрифту независимо от режима нанесения позиционных обозначений, назначенного в свойствах проекта. Этот параметр извлекается из свойств чертежа, если для вставленного компонента не заданы переопределения перекрестных ссылок.

JIC

IEC

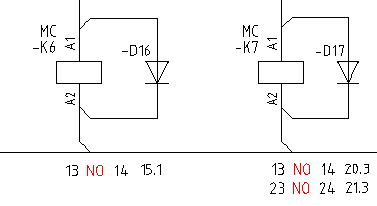
В следующем примере показаны перекрестные ссылки рядом с графическим образом в формате графического шрифта, а неиспользованные дочерние (контакты) отображаются как отдельные ссылки. Значение "Наполнить ссылку данными" — “SP”.

JIC

IEC

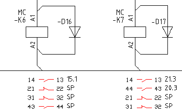
Формат таблицы контактов

Формат перекрестных ссылок с использованием значений типа перекрестных ссылок (NO, NC, NONC).

JIC

IEC