

. найти
(Дополнительно) Для задания количества выводов нажмите "Указать" и нарисуйте направляющую, указывающую длину соединителя.
Образец изображения для предварительного просмотра обновляется в соответствии с изменениями параметров отображения соединителя.
Отображается контур образца соединителя для размещения на чертеже. На стороне штыря соединителя показаны скругленные углы. Значок 'x' указывает точку вставки соединителя, стрелка — направление соединений проводов штекерной части.
Если в диалоговом окне "Пользовательские промежутки/разрывы для выводов" \{выбрано разрешение разделителей/разрывов, выберите "Разорвать графический образ сейчас" для разрыва соединителя и вызова диалогового окна "Компоновка соединителя", в котором можно определить порядок вставки в чертеж остальных выводов.


. найти
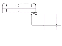
Если выбрать "Да" (по умолчанию), ориентация текста атрибутов сохранится при повороте соединителя.
Соединитель автоматически поворачивается на 90 градусов.
Пример: сохранить ориентацию атрибутов = да
![]() |
![]() |
![]() |
![]() |
|
Исходное положение |
Первый поворот |
Второй поворот |
Третий поворот |
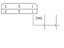
Пример: сохранить ориентацию атрибутов = нет
![]() |
![]() |
![]() |
![]() |
|
Исходное положение |
Первый поворот |
Второй поворот |
Третий поворот |


. найти
Соединитель автоматически изменяет ориентацию в зависимости от исходной ориентации.


. найти
Советы и рекомендации


. найти


. найти
Следующий доступный номер вывода определяется существующими выводами и списком дополнительных выводов, связанных с выбранным соединителем. В базе данных проекта запрашиваются значения PINLIST (СПИСОК ВЫВОДОВ), определенные в родительском графическом образе, для определения доступного номера вывода для компонента соединителя. При этом выполняется проверка всего проекта и поиск номеров выводов, используемых в родительском и дочерних графических образах соединителей. Если значение PINLIST (СПИСОК ВЫВОДОВ) не определено, используется следующий последовательный доступный номер вывода (на основе существующих выводов). Назначения выводов могут представлять собой номера, буквы или буквенно-цифровую комбинацию.
Советы и рекомендации


. найти
Атрибут номеров выводов в блоке соединителя исчезает. Немедленного удаления из соединителя данного атрибута вместе с атрибутами связанной точки подключения и описания не происходит. Атрибуты переименованы, поэтому они игнорируются. Если соединитель был растянут или разделен, атрибуты удаленных выводов удаляются из экземпляра блока соединителя.


. найти
Вокруг выбранного вывода создается временная графика, указывающая, что вывод включен в список "замены".
Выполняется замена двух выводов.


. найти
Вывод перемещается вдоль центральной оси соединителя, даже если указать точку, расположенную далеко от одной из сторон соединителя. Можно задать местоположение вне корпуса текущего соединителя, а затем с помощью инструмента "Растянуть соединитель" растянуть корпус и включить в него перемещенные выводы.


. найти