AblaufRinne

Der Querschnittsbestandteil AblaufRinne fügt Punkte und Verknüpfungen zum Erstellen einer Ablaufrinne entlang eines Fahrstreifens hinzu.

Zuordnung

Der Zuordnungspunkt befindet sich am Innenrand der Ablaufrinne. Diese Komponente kann entweder der linken oder der rechten Seite zugeordnet werden.

Eingabeparameter

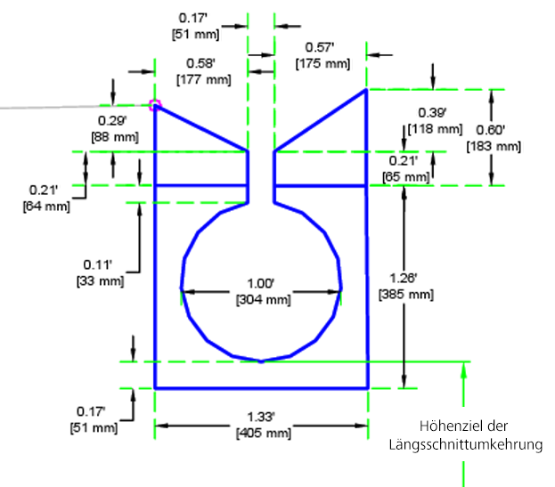
Anmerkung: Alle Bemaßungen sind in Meter oder Fuß angegeben, wenn nicht anders vermerkt. Alle Neigungen sind in Länge/Höhe (zum Beispiel 4:1) angegeben, wenn nicht durch ein Prozentzeichen („%“) als prozentuale Neigung gekennzeichnet.

Parameter

Beschreibung

Typ

Vorgabe

Seite Gibt an, an welcher Seite der Querschnittsbestandteil platziert werden soll. Links/Rechts Rechts

Zielparameter

In diesem Abschnitt werden die Parameter dieses Querschnittsbestandteils aufgelistet, die einem oder mehreren Zielobjekten zugeordnet werden können. Weitere Informationen finden Sie unter So legen Sie 3D-Profilkörper-Ziele fest.

Parameter

Beschreibung

Status

Elevation Kann zum Überschreiben der Rohrsohle verwendet werden. Folgende Objekttypen können beim Festlegen der Höhe als Ziele verwendet werden: Längsschnitte, 3D-Polylinien, Elementkanten oder Vermessungslinienzüge. Optional

Logische Zuweisung zur Laufzeit

Keine.

Ausgabeparameter

Keine.

Verhalten

Der erste Punkt wird am Zuordnungspunkt angesetzt. Die Punkte und Verknüpfungen werden dann basierend auf den im Querschnittsbestandteil gespeicherten Werten erstellt.

Verhalten in der Entwurfsdarstellung

In der Entwurfsdarstellung zeichnet dieser Querschnittsbestandteil den Querschnittsbestandteil.

Punkt-, Anschluss- und Profilcodes

In der folgenden Tabelle werden die Punkt-, Verknüpfungs- und Profilartcodes für diesen Querschnittsbestandteil aufgeführt, denen Codes zugewiesen sind. Punkt-, Verknüpfungs- und Profilartcodes für diesen Querschnittsbestandteil, denen keine Codes zugewiesen sind, sind nicht in der Tabelle enthalten.

Punkt, Verknüpfung oder Profilart

Code

Beschreibung

P1-P4, P9, P10 Beton Betonecken des Zulaufs
P5, P8 BetonUnten Untere Ecke des Betons
P6, P7 Schlamm Schlamm
P11-P13 Pipe Rohrpunkte
L1, L2 Beton, Oben Oberkante des Betons
L3, L7, L10, L11 Beton Beton des Zulaufs
L5 Schlamm Rohrschlamm
L12-L14 Pipe Rohr links
S1, S2 Beton Einlassbeton
S3 Schlamm Schlamm um Rohr

Code-Diagramm