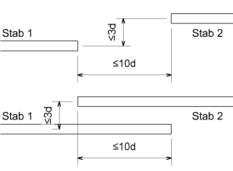
Aneinander anstoßende oder benachbarte Bewehrungsexemplare können durch Muffen verbunden werden.
Video: Platzieren von Bewehrungsmuffen
Gruppe Bewehrung
(Bewehrungsmuffe).
Gruppe Platzierungsoptionen
(An Stabende platzieren)
Gruppe Platzierungsoptionen
(Zwischen zwei Stäben platzieren)

Toleranz für Muffenplatzierung