Informazioni sul formato dei riferimenti incrociati di tabella

Quando si utilizza il formato tabella dei riferimenti incrociati, l'immagine di anteprima cambia per mostrare l'aspetto del riferimento incrociato nel disegno.

Formato font grafico:

Visualizza il formato dei riferimenti incrociati utilizzando il font grafico JIC o IEC. L'impostazione viene applicata al font grafico indipendentemente dalla modalità di contrassegno assegnata nelle proprietà del progetto.

Negli esempi seguenti la tabella di riferimenti incrociati viene visualizzata utilizzando il formato di font grafico specifico dello stile tabella. Il valore Completa riferimento con è "SP" per i secondari non utilizzati (contatti).

JIC

IEC

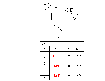
Formato mappatura contatti:

Visualizza il formato del riferimento incrociato utilizzando valori di tipo riferimento incrociato (NO, NC, NONC).

JIC

IEC

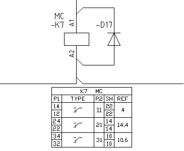
Formato mappatura simboli:

Visualizza il formato dei riferimenti incrociati utilizzando un file di blocco AutoCAD (.dwg) per rappresentare il tipo di contatto. La mappatura dei simboli viene definita nella tabella _XREF_GRAPHICS del database di ricerca nel catalogo. I simboli mappati da inserire vengono cercati nelle cartelle delle librerie degli schemi relative al progetto attivo.

JIC

IEC

Contatti in scambio e tabelle

Uno dei contatti tipici è il contatto in scambio che comprende due contatti, di cui uno aperto e uno chiuso che condividono un numero pin di morsetto comune. È possibile scegliere di inserire entrambi i contatti in scambio come due simboli individuali o insieme come un simbolo unico.

Esempio in cui il contatto in scambio è costituito da due simboli

Il pin comune è a destra accanto alla colonna di riferimento e viene visualizzato nella colonna P2 della tabella.

JIC

IEC

Nota: Se si utilizza il metodo di mappatura dei simboli, un solo simbolo rappresenta il contatto in scambio anche se vengono inseriti due contatti distinti.

Esempio in cui il contatto in scambio è costituito da un singolo simbolo

Il pin comune è a destra accanto alla colonna di riferimento e viene visualizzato nella colonna P2 della tabella.

JIC

IEC

Parametri sostituibili in Titolo tabella

I riferimenti incrociati dello stile tabella offre il supporto dei parametri sostituibili da definire e visualizzare nel titolo della tabella. Alcuni comandi di AutoCAD Electrical toolset ne tengono conto quando vengono apportate modifiche al disegno.

Elimina componente

Se si elimina un componente provvisto di una tabella di riferimenti incrociati, dal disegno viene eliminata anche la tabella.

Riassegnazione contrassegno a componente

Se a un componente viene associato un nuovo contrassegno con un'operazione di riassegnazione, spostamento del componente, spostamento del circuito o modifica del componente, la tabella dei riferimenti incrociati viene aggiornata se il contrassegno fa parte del titolo.

Modifica componente

Se si modifica un parametro sostituibile per un componente provvisto di una tabella dei riferimenti incrociati, il titolo della tabella viene aggiornato in base alle modifiche apportate.

Copia assegnazione catalogo

Quando si copia un codice catalogo diverso in un simbolo principale, è possibile che ELENCOPIN e il numero di contatti vengano aggiornati e la tabella dei riferimenti si aggiorna in tempo reale.

Modalità contrassegno installazione/posizione combinata

Se i valori dei codici di posizione e installazione a livello di disegno cambiano, il titolo della tabella dei riferimenti incrociati viene aggiornato in base alle modifiche apportate.

Copia circuito

Se si copia un circuito con una tabella dei riferimenti incrociati, il titolo della tabella viene aggiornato con i nuovi valori di contrassegno.

Inserisci componente

Quando si inserisce un componente principale con una tabella dei riferimenti incrociati, la tabella viene inserita nelle posizioni degli attributi dei riferimenti incrociati (XRIF e XRIFNO). Quando si inserisce un componente secondario, viene aggiornata la tabella dei riferimenti incrociati del componente principale.

Sposta rapidamente

Quando si sposta rapidamente un componente principale con una tabella dei riferimenti, viene spostata anche la tabella lungo il filo.

Nota: se si modifica il codice catalogo del componente o a quest'ultimo si aggiunge un codice catalogo D.M. multiplo, casi in cui vengono modificati i dati dell'elenco pin, viene aggiornata la tabella dei riferimenti non appena si esce dalla finestra di dialogo Inserisci/Modifica componente. Inoltre, se si modifica manualmente l'elenco pin sul componente principale, la tabella dei riferimenti viene aggiornata con i nuovi numeri pin e il conteggio contatti modificato una volta chiusa la finestra di dialogo Inserisci/Modifica componente.

Comandi che non supportano aggiornamenti dei riferimenti incrociati in tempo reale