테이블 상호 연계 형식 정보

테이블 상호 연계 형식 스타일을 사용하는 경우 도면에서의 상호 연계 모양을 표시하기 위해 미리보기 이미지가 변경됩니다.

그래픽 글꼴 형식:

JIC 스타일 또는 IEC 스타일 그래픽 글꼴을 사용하여 상호 연계 형식을 표시합니다. 설정은 프로젝트 특성에 지정된 태그 지정 모드에 관계 없이 그래픽 글꼴에 적용됩니다.

다음 예에서는 테이블 스타일 내에서 그래픽 글꼴 형식을 사용하여 테이블 상호 연계를 표시합니다. 사용되지 않은 하위 항목(접점)에 대한 다음으로 참조 채우기 값은 "SP"입니다.

JIC

IEC

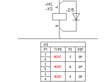
접점 매핑 형식:

상호 연계 유형 값(NO, NC, NONC)을 사용하여 상호 연계 형식을 표시합니다.

JIC

IEC

기호 매핑 형식:

접점 유형을 표현하기 위해 AutoCAD 블록 파일(.dwg)을 사용하여 상호 연계 형식을 표시합니다. 카탈로그 색인 데이터베이스의 _XREF_GRAPHICS 테이블에서는 기호 매핑을 정의합니다. 활성 프로젝트의 구조도 라이브러리 폴더에서 삽입할 매핑된 기호를 검색합니다.

JIC

IEC

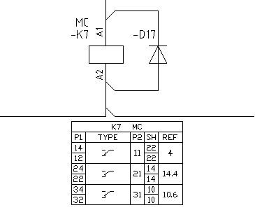
C형 접점 및 테이블

접점의 일반 유형은 C형 접점 유형입니다. 이 유형은 두 개의 접점으로 구성됩니다. 하나는 NO 접점이고 다른 하나는 NC 접점으로 이러한 점은 공통 터미널 핀 번호를 공유합니다. 두 C형 접점을 두 개의 개별 기호로 삽입하거나 하나의 기호로 함께 삽입할 수 있습니다.

예: 두 개의 기호가 C형 접점을 구성하는 경우

공통 핀은 참조 열의 오른쪽에 있고 테이블의 P2 열에 표시됩니다.

JIC

IEC

주: 기호 매핑 방법을 사용하는 경우 두 개의 개별 접점이 삽입되더라도 단일 기호는 C형 접점을 표현합니다.

예: 단일 기호가 C형 접점을 구성하는 경우

공통 핀은 참조 열의 오른쪽에 있고 테이블의 P2 열에 표시됩니다.

JIC

IEC

테이블 제목의 대체 가능한 매개변수

테이블 스타일 상호 연계를 사용하면 대체 가능한 매개변수를 정의하여 테이블 제목에 표시할 수 있습니다. 도면을 수정할 때 일부 AutoCAD Electrical toolset 명령이 고려됩니다.

구성요소 삭제

상호 연계가 있는 구성요소를 삭제하면 테이블이 도면에서 함께 삭제됩니다.

구성요소 태그 재지정

구성요소를 태그 재지정(태그 재지정, 구성요소 이동, 회로 이동, 구성요소 편집)하는 경우 태그가 제목의 일부이면 상호 연계 테이블이 업데이트됩니다.

구성요소 편집

상호 연계 테이블이 있는 구성요소에 대한 대체 가능한 매개변수가 수정되면 테이블 제목이 업데이트되어 변경 내용을 반영합니다.

카탈로그 지정 사항 복사

상위 기호에 다른 카탈로그 번호를 복사하면 PINLIST 및 접점 개수가 업데이트될 수 있으며 상호 연계 테이블이 실시간으로 업데이트됩니다.

조합된 설치/위치 태그 모드

도면 전체 위치 또는 설치 값이 변경되면 상호 연계 테이블 제목이 업데이트되어 변경 사항을 반영합니다.

회로 복사

상호 연계 테이블이 있는 회로를 복사하면 테이블 제목이 새 태그 값으로 업데이트됩니다.

구성요소 삽입

상호 연계 테이블이 있는 상위 구성요소를 삽입하면 테이블이 상호 연계 속성 위치(XREF 및 XREFNO)에 삽입됩니다. 하위 구성요소를 삽입하면 상위 구성요소에 대한 상호 연계 테이블이 업데이트됩니다.

빠른 이동

상호 연계 테이블이 있는 상위 구성요소를 빠르게 이동하면 테이블도 와이어를 따라 빠르게 이동합니다.

주: 구성요소 카탈로그 번호를 변경하거나 구성요소에 다중 BOM 카탈로그 번호를 추가할 경우(두 경우 모두 핀 리스트 데이터 변경) 구성요소 삽입/편집 대화상자를 나가면 상호 연계 테이블이 즉시 업데이트됩니다. 또한 상위 구성요소에서 핀 리스트를 수동으로 수정할 경우 구성요소 삽입/편집 대화상자를 나가면 상호 연계 테이블이 새 핀 번호와 수정된 접점 개수로 업데이트됩니다.

실시간 상호 연계 업데이트를 지원하지 않는 명령에는 다음이 포함됩니다.