냉간성형 강철 구조 프레임 요소의 단면 모양 치수 매개변수 값을 검토하고 수정합니다.
이러한 유형의 특성은 요소의 단면 모양 패밀리 카테고리 매개변수에서 작성됩니다.
| 구획 모양 | 사용 가능한 모양 치수 매개변수 |
|---|---|
직사각형 HSS(냉간성형 강철)
![]() |
B. 폭: 단면 모양의 외부 폭. H. 높이: 단면 모양의 외부 높이. T. 벽 설계 두께: 단면 모양의 내부 표면과 외부 표면 사이 수직 설계 두께. t. 벽 공칭 두께: 단면 모양의 내부 표면과 외부 표면 사이 평균 수직 거리. r1. 내부 모깎기: 직사각형 속 빈 구조 단면 모양의 내부 구석 모깍기의 반지름. r2. 외부 모깎기: 직사각형 속 빈 구조 단면 모양의 외부 구석 모깍기의 반지름. y. 중심 수평: 단면 모양의 중심에서 수평 축을 따라 왼쪽 끝까지 거리. z. 중심 수직: 단면 모양의 중심에서 수직 축을 따라 아래 끝까지 거리. |
원형 HSS(냉간성형 강철)
![]() |
D. 지름: 원형 단면 모양의 외부 지름. T. 벽 설계 두께: 단면 모양의 내부 표면과 외부 표면 사이 수직 설계 두께. t. 벽 공칭 두께: 단면 모양의 내부 표면과 외부 표면 사이 평균 수직 거리. y. 중심 수평: 단면 모양의 중심에서 수평 축을 따라 왼쪽 끝까지 거리. z. 중심 수직: 단면 모양의 중심에서 수직 축을 따라 아래 끝까지 거리. |
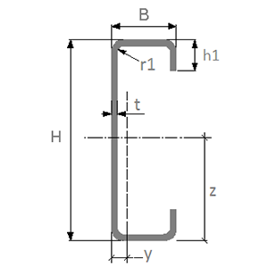
C 프로파일
![]() |
B. 폭: 단면 모양의 외부 폭. H. 높이: 단면 모양의 외부 높이. T. 벽 설계 두께: 단면 모양의 내부 표면과 외부 표면 사이 수직 설계 두께. t. 벽 공칭 두께: 단면 모양의 내부 표면과 외부 표면 사이 평균 수직 거리. r1. 내부 모깎기: 냉간성형 강철 단면 모양의 구부림 안쪽 코너 모깎기 반지름입니다. y. 중심 수평: 단면 모양의 중심에서 수평 축을 따라 왼쪽 끝까지 거리. z. 중심 수직: 단면 모양의 중심에서 수직 축을 따라 아래 끝까지 거리. |
접이 포함 C 프로파일
![]() |
B. 폭: 단면 모양의 외부 폭. H. 높이: 단면 모양의 외부 높이. h1. 립 길이: 단면 모양의 외부 표면에서 립 세그먼트 끝 사이의 거리입니다. b1. 접이 길이: 립 세그먼트의 외부 표면에서 접이 세그먼트 끝 사이의 거리입니다. T. 벽 설계 두께: 단면 모양의 내부 표면과 외부 표면 사이 수직 설계 두께. t. 벽 공칭 두께: 단면 모양의 내부 표면과 외부 표면 사이 평균 수직 거리. r1. 내부 모깎기: 냉간성형 강철 단면 모양의 구부림 안쪽 코너 모깎기 반지름입니다. y. 중심 수평: 단면 모양의 중심에서 수평 축을 따라 왼쪽 끝까지 거리. z. 중심 수직: 단면 모양의 중심에서 수직 축을 따라 아래 끝까지 거리. |
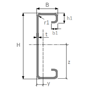
립 포함 C 프로파일
![]() |
B. 폭: 단면 모양의 외부 폭. H. 높이: 단면 모양의 외부 높이. h1. 립 길이: 단면 모양의 외부 표면에서 립 세그먼트 끝 사이의 거리입니다. T. 벽 설계 두께: 단면 모양의 내부 표면과 외부 표면 사이 수직 설계 두께. t. 벽 공칭 두께: 단면 모양의 내부 표면과 외부 표면 사이 평균 수직 거리. r1. 내부 모깎기: 냉간성형 강철 단면 모양의 구부림 안쪽 코너 모깎기 반지름입니다. y. 중심 수평: 단면 모양의 중심에서 수평 축을 따라 왼쪽 끝까지 거리. z. 중심 수직: 단면 모양의 중심에서 수직 축을 따라 아래 끝까지 거리. |
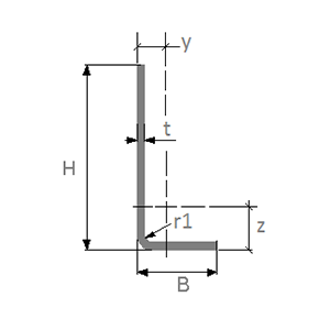
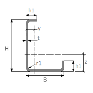
L 프로파일
![]() |
B. 폭: 단면 모양의 외부 폭. H. 높이: 단면 모양의 외부 높이. T. 벽 설계 두께: 단면 모양의 내부 표면과 외부 표면 사이 수직 설계 두께. t. 벽 공칭 두께: 단면 모양의 내부 표면과 외부 표면 사이 평균 수직 거리. r1. 내부 모깎기: 냉간성형 강철 단면 모양의 구부림 안쪽 코너 모깎기 반지름입니다. y. 중심 수평: 단면 모양의 중심에서 수평 축을 따라 왼쪽 끝까지 거리. z. 중심 수직: 단면 모양의 중심에서 수직 축을 따라 아래 끝까지 거리. |
립 포함 L 프로파일
![]() |
B. 폭: 단면 모양의 외부 폭. H. 높이: 단면 모양의 외부 높이. h1. 립 길이: 단면 모양의 외부 표면에서 립 세그먼트 끝 사이의 거리입니다. T. 벽 설계 두께: 단면 모양의 내부 표면과 외부 표면 사이 수직 설계 두께. t. 벽 공칭 두께: 단면 모양의 내부 표면과 외부 표면 사이 평균 수직 거리. r1. 내부 모깎기: 냉간성형 강철 단면 모양의 구부림 안쪽 코너 모깎기 반지름입니다. y. 중심 수평: 단면 모양의 중심에서 수평 축을 따라 왼쪽 끝까지 거리. z. 중심 수직: 단면 모양의 중심에서 수직 축을 따라 아래 끝까지 거리. |
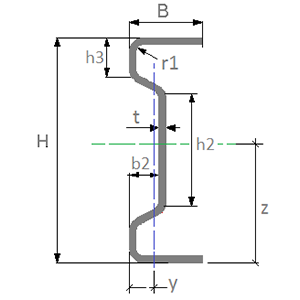
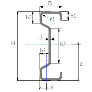
시그마 프로파일
![]() |
B. 폭: 단면 모양의 외부 폭. H. 높이: 단면 모양의 외부 높이. b2. 구부림 폭: 단면 모양의 왼쪽 끝에서 중간 구부림 세그먼트의 외부 표면 사이의 거리입니다. h2. 중간 구부림 길이: 중간 구부림 세그먼트의 실내 표면 길이입니다. h3. 상단 구부림 길이: 단면 모양의 상단 외부 표면에서 상단 구부림 세그먼트 끝 사이의 거리입니다. T. 벽 설계 두께: 단면 모양의 내부 표면과 외부 표면 사이 수직 설계 두께. t. 벽 공칭 두께: 단면 모양의 내부 표면과 외부 표면 사이 평균 수직 거리. r1. 내부 모깎기: 냉간성형 강철 단면 모양의 구부림 안쪽 코너 모깎기 반지름입니다. y. 중심 수평: 단면 모양의 중심에서 수평 축을 따라 왼쪽 끝까지 거리. z. 중심 수직: 단면 모양의 중심에서 수직 축을 따라 아래 끝까지 거리. |
접이 포함 시그마 프로파일
![]() |
B. 폭: 단면 모양의 외부 폭. H. 높이: 단면 모양의 외부 높이. b1. 접이 길이: 립 세그먼트의 외부 표면에서 접이 세그먼트 끝 사이의 거리입니다. h1. 립 길이: 단면 모양의 외부 표면에서 립 세그먼트 끝 사이의 거리입니다. b2. 구부림 폭: 단면 모양의 왼쪽 끝에서 중간 구부림 세그먼트의 외부 표면 사이의 거리입니다. h2. 중간 구부림 길이: 중간 구부림 세그먼트의 실내 표면 길이입니다. h3. 상단 구부림 길이: 단면 모양의 상단 외부 표면에서 상단 구부림 세그먼트 끝 사이의 거리입니다. T. 벽 설계 두께: 단면 모양의 내부 표면과 외부 표면 사이 수직 설계 두께. t. 벽 공칭 두께: 단면 모양의 내부 표면과 외부 표면 사이 평균 수직 거리. r1. 내부 모깎기: 냉간성형 강철 단면 모양의 구부림 안쪽 코너 모깎기 반지름입니다. y. 중심 수평: 단면 모양의 중심에서 수평 축을 따라 왼쪽 끝까지 거리. z. 중심 수직: 단면 모양의 중심에서 수직 축을 따라 아래 끝까지 거리. |
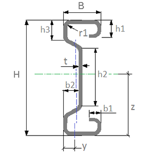
립 포함 시그마 프로파일
![]() |
B. 폭: 단면 모양의 외부 폭. H. 높이: 단면 모양의 외부 높이. b2. 구부림 폭: 단면 모양의 왼쪽 끝에서 중간 구부림 세그먼트의 외부 표면 사이의 거리입니다. h1. 립 길이: 단면 모양의 외부 표면에서 립 세그먼트 끝 사이의 거리입니다. h2. 중간 구부림 길이: 중간 구부림 세그먼트의 실내 표면 길이입니다. h3. 상단 구부림 길이: 단면 모양의 상단 외부 표면에서 상단 구부림 세그먼트 끝 사이의 거리입니다. T. 벽 설계 두께: 단면 모양의 내부 표면과 외부 표면 사이 수직 설계 두께. t. 벽 공칭 두께: 단면 모양의 내부 표면과 외부 표면 사이 평균 수직 거리. r1. 내부 모깎기: 냉간성형 강철 단면 모양의 구부림 안쪽 코너 모깎기 반지름입니다. y. 중심 수평: 단면 모양의 중심에서 수평 축을 따라 왼쪽 끝까지 거리. z. 중심 수직: 단면 모양의 중심에서 수직 축을 따라 아래 끝까지 거리. |
Z 프로파일
![]() |
B. 폭: 단면 모양의 외부 폭. H. 높이: 단면 모양의 외부 높이. b1. 하단 플랜지 길이: 단면 모양의 실내 표면에서 하단 플랜지 세그먼트의 끝 사이의 거리입니다. T. 벽 설계 두께: 단면 모양의 내부 표면과 외부 표면 사이 수직 설계 두께. t. 벽 공칭 두께: 단면 모양의 내부 표면과 외부 표면 사이 평균 수직 거리. r1. 내부 모깎기: 냉간성형 강철 단면 모양의 구부림 안쪽 코너 모깎기 반지름입니다. y. 중심 수평: 단면 모양의 중심에서 수평 축을 따라 왼쪽 끝까지 거리. z. 중심 수직: 단면 모양의 중심에서 수직 축을 따라 아래 끝까지 거리. |
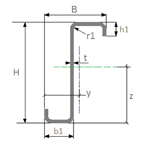
립 포함 Z 프로파일
![]() |
B. 폭: 단면 모양의 외부 폭. H. 높이: 단면 모양의 외부 높이. b1. 하단 플랜지 길이: 단면 모양의 실내 표면에서 하단 플랜지 세그먼트의 끝 사이의 거리입니다. h1. 립 길이: 단면 모양의 외부 표면에서 립 세그먼트 끝 사이의 거리입니다. T. 벽 설계 두께: 단면 모양의 내부 표면과 외부 표면 사이 수직 설계 두께. t. 벽 공칭 두께: 단면 모양의 내부 표면과 외부 표면 사이 평균 수직 거리. r1. 내부 모깎기: 냉간성형 강철 단면 모양의 구부림 안쪽 코너 모깎기 반지름입니다. y. 중심 수평: 단면 모양의 중심에서 수평 축을 따라 왼쪽 끝까지 거리. z. 중심 수직: 단면 모양의 중심에서 수직 축을 따라 아래 끝까지 거리. |