고온 압연 강철 구조 프레임 요소의 단면 모양 치수 매개변수 값을 검토하고 수정합니다.
이러한 유형의 특성은 요소의 단면 모양 패밀리 카테고리 매개변수에서 작성됩니다.
| 구획 모양 | 사용 가능한 모양 치수 매개변수 |
|---|---|
파이프 표준
![]() |
D. 지름: 원형 단면 모양의 외부 지름. T. 벽 설계 두께: 단면 모양의 내부 표면과 외부 표면 사이 수직 설계 두께. t. 벽 공칭 두께: 단면 모양의 내부 표면과 외부 표면 사이 평균 수직 거리. y. 중심 수평: 단면 모양의 중심에서 수평 축을 따라 왼쪽 끝까지 거리. z. 중심 수직: 단면 모양의 중심에서 수직 축을 따라 아래 끝까지 거리. |
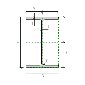
I-모양 평행 플랜지
![]() |
B. 폭: 단면 모양의 외부 폭. H. 높이: 단면 모양의 외부 높이. T 플랜지 두께: 단면 모양의 플랜지 외부 표면 간 거리. t. 웹 두께: 단면 모양의 웹 외부 표면 간 거리. r. 웹 모깎기: 웹과 플랜지 간 모깎기 반지름. y. 중심 수평: 단면 모양의 중심에서 수평 축을 따라 왼쪽 끝까지 거리. z. 중심 수직: 단면 모양의 중심에서 수직 축을 따라 아래 끝까지 거리. |
I-모양 경사 플랜지
![]() |
B. 폭: 단면 모양의 외부 폭. H. 높이: 단면 모양의 외부 높이. T 플랜지 두께: 단면 모양의 플랜지 외부 표면 간 거리. TL.플랜지 두께 위치: 경사 플랜지 끝에서 플랜지 두께가 배치되는 위치까지 측정되는 거리. SA.경사 플랜지 각도: 단면 모양에서 경사 플랜지 기준면과 수평면 사이의 각도. t. 웹 두께: 단면 모양의 웹 외부 표면 간 거리. r1. 웹 모깎기: 웹과 플랜지 간 모깍기 반지름. r2. 플랜지 모깎기: 단면 모양의 플랜지 끝에 있는 모깎기 반지름. y. 중심 수평: 단면 모양의 중심에서 수평 축을 따라 왼쪽 끝까지 거리. z. 중심 수직: 단면 모양의 중심에서 수직 축을 따라 아래 끝까지 거리. |
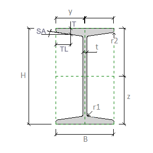
I-모양 와이드 플랜지
![]() |
B. 폭: 단면 모양의 외부 폭. H. 높이: 단면 모양의 외부 높이. T 플랜지 두께: 단면 모양의 플랜지 외부 표면 간 거리. t. 웹 두께: 단면 모양의 웹 외부 표면 간 거리. r. 웹 모깎기: 웹과 플랜지 간 모깎기 반지름. y. 중심 수평: 단면 모양의 중심에서 수평 축을 따라 왼쪽 끝까지 거리. z. 중심 수직: 단면 모양의 중심에서 수직 축을 따라 아래 끝까지 거리. |
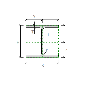
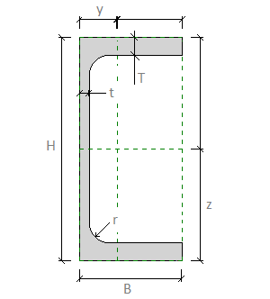
C-채널 평행 플랜지
![]() |
B. 폭: 단면 모양의 외부 폭. H. 높이: 단면 모양의 외부 높이. T 플랜지 두께: 단면 모양의 플랜지 외부 표면 간 거리. t. 웹 두께: 단면 모양의 웹 외부 표면 간 거리. r. 웹 모깎기: 웹과 플랜지 간 모깎기 반지름. y. 중심 수평: 단면 모양의 중심에서 수평 축을 따라 왼쪽 끝까지 거리. z. 중심 수직: 단면 모양의 중심에서 수직 축을 따라 아래 끝까지 거리. |
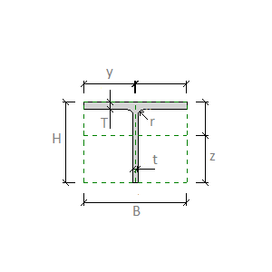
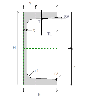
C-채널 경사 플랜지
![]() |
B. 폭: 단면 모양의 외부 폭. H. 높이: 단면 모양의 외부 높이. T 플랜지 두께: 단면 모양의 플랜지 외부 표면 간 거리. TL.플랜지 두께 위치: 경사 플랜지 끝에서 플랜지 두께가 배치되는 위치까지 측정되는 거리. SA.경사 플랜지 각도: 단면 모양에서 경사 플랜지 기준면과 수평면 사이의 각도. t. 웹 두께: 단면 모양의 웹 외부 표면 간 거리. r1. 웹 모깎기: 웹과 플랜지 간 모깍기 반지름. r2. 플랜지 모깎기: 단면 모양의 플랜지 끝에 있는 모깎기 반지름. y. 중심 수평: 단면 모양의 중심에서 수평 축을 따라 왼쪽 끝까지 거리. z. 중심 수직: 단면 모양의 중심에서 수직 축을 따라 아래 끝까지 거리. |
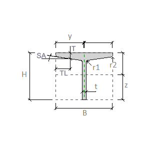
L-각도
![]() |
B. 폭: 단면 모양의 외부 폭. H. 높이: 단면 모양의 외부 높이. T 플랜지 두께: 단면 모양의 플랜지 외부 표면 간 거리. t. 웹 두께: 단면 모양의 웹 외부 표면 간 거리. r1. 웹 모깎기: 웹과 플랜지 간 모깍기 반지름. r2. 플랜지 모깎기: 단면 모양의 플랜지 끝에 있는 모깎기 반지름. r3.상단 웹 모깎기: 단면 모양의 웹 상단에 대한 모깎기 반지름. y. 중심 수평: 단면 모양의 중심에서 수평 축을 따라 왼쪽 끝까지 거리. z. 중심 수직: 단면 모양의 중심에서 수직 축을 따라 아래 끝까지 거리. 알파. 주 축 각도: 주 축과 횡단면 참조 평면 간의 회전 각도. 이것은 구조 해석 패밀리 매개변수로 나열됩니다. |
I-분할 평행 플랜지
![]() |
B. 폭: 단면 모양의 외부 폭. H. 높이: 단면 모양의 외부 높이. T 플랜지 두께: 단면 모양의 플랜지 외부 표면 간 거리. t. 웹 두께: 단면 모양의 웹 외부 표면 간 거리. r. 웹 모깎기: 웹과 플랜지 간 모깎기 반지름. y. 중심 수평: 단면 모양의 중심에서 수평 축을 따라 왼쪽 끝까지 거리. z. 중심 수직: 단면 모양의 중심에서 수직 축을 따라 아래 끝까지 거리. |
I-분할 경사 플랜지
![]() |
B. 폭: 단면 모양의 외부 폭. H. 높이: 단면 모양의 외부 높이. T 플랜지 두께: 단면 모양의 플랜지 외부 표면 간 거리. TL.플랜지 두께 위치: 경사 플랜지 끝에서 플랜지 두께가 배치되는 위치까지 측정되는 거리. SA.경사 플랜지 각도: 단면 모양에서 경사 플랜지 기준면과 수평면 사이의 각도. t. 웹 두께: 단면 모양의 웹 외부 표면 간 거리. r1. 웹 모깎기: 웹과 플랜지 간 모깍기 반지름. r2. 플랜지 모깎기: 단면 모양의 플랜지 끝에 있는 모깎기 반지름. y. 중심 수평: 단면 모양의 중심에서 수평 축을 따라 왼쪽 끝까지 거리. z. 중심 수직: 단면 모양의 중심에서 수직 축을 따라 아래 끝까지 거리. |
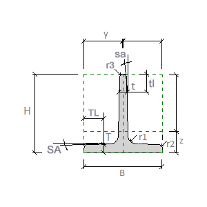
구조 T자형
![]() |
B. 폭: 단면 모양의 외부 폭. H. 높이: 단면 모양의 외부 높이. TL.플랜지 두께 위치: 경사 플랜지 끝에서 플랜지 두께가 배치되는 위치까지 측정되는 거리. SA.경사 플랜지 각도: 단면 모양에서 경사 플랜지 기준면과 수평면 사이의 각도. t. 웹 두께: 단면 모양의 웹 외부 표면 간 거리. tl.웹 두께 위치: 경사 웹의 끝에서 웹 두께가 배치되는 위치까지 측정되는 거리. sa.경사 웹 각도: 단면 모양에서 경사 웹 기준면과 수직면 사이의 각도. r1. 웹 모깎기: 웹과 플랜지 간 모깍기 반지름. r2. 플랜지 모깎기: 단면 모양의 플랜지 끝에 있는 모깎기 반지름. r3.상단 웹 모깎기: 단면 모양의 웹 상단에 대한 모깎기 반지름. y. 중심 수평: 단면 모양의 중심에서 수평 축을 따라 왼쪽 끝까지 거리. z. 중심 수직: 단면 모양의 중심에서 수직 축을 따라 아래 끝까지 거리. |