查看和修改冷成形钢结构框架图元的剖面形状尺寸标注参数值。
这些属性创建自图元的“剖面形状”族类别参数。
| 剖面形状 | 可用的形状尺寸的标注参数 |
|---|---|
矩形 HSS(冷成形钢)
![]() |
B. 宽度:剖面形状的外部宽度。 H. 高度:剖面形状的外部高度。 T. 墙设计厚度:剖面形状的内表面和外表面之间的垂直设计厚度。 t. 墙公称厚度:剖面形状的内表面和外表面之间的平均垂直距离。 r1. 内圆角:矩形空心结构剖面形状的内圆角的半径。 r2. 外圆角:矩形空心结构剖面形状的外圆角的半径。 y. 质心水平:沿水平轴从剖面形状质心到左端的距离。 z. 质心垂直:沿垂直轴从剖面形状质心到下端的距离。 |
圆形 HSS(冷成形钢)
![]() |
D. 直径:圆形剖面形状的外部直径。 T. 墙设计厚度:剖面形状的内表面和外表面之间的垂直设计厚度。 t. 墙公称厚度:剖面形状的内表面和外表面之间的平均垂直距离。 y. 质心水平:沿水平轴从剖面形状质心到左端的距离。 z. 质心垂直:沿垂直轴从剖面形状质心到下端的距离。 |
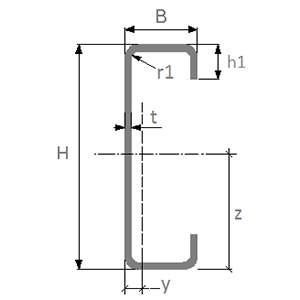
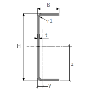
C 型轮廓
![]() |
B. 宽度:剖面形状的外部宽度。 H. 高度:剖面形状的外部高度。 T. 墙设计厚度:剖面形状的内表面和外表面之间的垂直设计厚度。 t. 墙公称厚度:剖面形状的内表面和外表面之间的平均垂直距离。 r1. 内圆角:冷成形结构剖面形状中的弯曲内圆角半径。 y. 质心水平:沿水平轴从剖面形状质心到左端的距离。 z. 质心垂直:沿垂直轴从剖面形状质心到下端的距离。 |
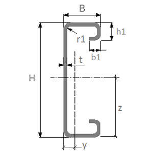
带折边 C 型轮廓
![]() |
B. 宽度:剖面形状的外部宽度。 H. 高度:剖面形状的外部高度。 h1. 唇缘长度:剖面形状外表面与唇缘段末端之间的距离。 b1. 折边长度:唇缘段外表面与折边末端之间的距离 T. 墙设计厚度:剖面形状的内表面和外表面之间的垂直设计厚度。 t. 墙公称厚度:剖面形状的内表面和外表面之间的平均垂直距离。 r1. 内圆角:冷成形结构剖面形状中的弯曲内圆角半径。 y. 质心水平:沿水平轴从剖面形状质心到左端的距离。 z. 质心垂直:沿垂直轴从剖面形状质心到下端的距离。 |
带唇缘 C 形轮廓
![]() |
B. 宽度:剖面形状的外部宽度。 H. 高度:剖面形状的外部高度。 h1. 唇缘长度:剖面形状外表面与唇缘段末端之间的距离。 T. 墙设计厚度:剖面形状的内表面和外表面之间的垂直设计厚度。 t. 墙公称厚度:剖面形状的内表面和外表面之间的平均垂直距离。 r1. 内圆角:冷成形结构剖面形状中的弯曲内圆角半径。 y. 质心水平:沿水平轴从剖面形状质心到左端的距离。 z. 质心垂直:沿垂直轴从剖面形状质心到下端的距离。 |
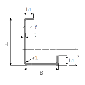
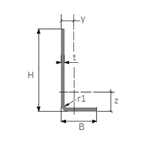
L 型轮廓
![]() |
B. 宽度:剖面形状的外部宽度。 H. 高度:剖面形状的外部高度。 T. 墙设计厚度:剖面形状的内表面和外表面之间的垂直设计厚度。 t. 墙公称厚度:剖面形状的内表面和外表面之间的平均垂直距离。 r1. 内圆角:冷成形结构剖面形状中的弯曲内圆角半径。 y. 质心水平:沿水平轴从剖面形状质心到左端的距离。 z. 质心垂直:沿垂直轴从剖面形状质心到下端的距离。 |
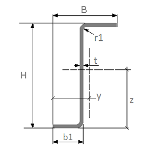
带唇缘 L 形轮廓
![]() |
B. 宽度:剖面形状的外部宽度。 H. 高度:剖面形状的外部高度。 h1. 唇缘长度:剖面形状外表面与唇缘段末端之间的距离。 T. 墙设计厚度:剖面形状的内表面和外表面之间的垂直设计厚度。 t. 墙公称厚度:剖面形状的内表面和外表面之间的平均垂直距离。 r1. 内圆角:冷成形结构剖面形状中的弯曲内圆角半径。 y. 质心水平:沿水平轴从剖面形状质心到左端的距离。 z. 质心垂直:沿垂直轴从剖面形状质心到下端的距离。 |
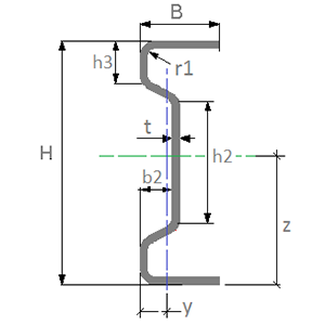
Sigma 型轮廓
![]() |
B. 宽度:剖面形状的外部宽度。 H. 高度:剖面形状的外部高度。 b2. 折弯宽度:剖面形状左端与中部折弯段外表面之间的距离。 h2. 中部折弯长度:中部折弯段内表面的长度。 h3. 顶部折弯长度:剖面形状顶部外表面与顶部折弯段末端之间的距离。 T. 墙设计厚度:剖面形状的内表面和外表面之间的垂直设计厚度。 t. 墙公称厚度:剖面形状的内表面和外表面之间的平均垂直距离。 r1. 内圆角:冷成形结构剖面形状中的弯曲内圆角半径。 y. 质心水平:沿水平轴从剖面形状质心到左端的距离。 z. 质心垂直:沿垂直轴从剖面形状质心到下端的距离。 |
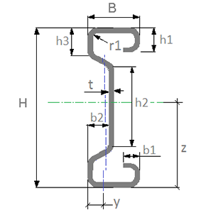
Sigma 型轮廓带折边
![]() |
B. 宽度:剖面形状的外部宽度。 H. 高度:剖面形状的外部高度。 b1. 折边长度:唇缘段外表面与折边末端之间的距离 h1. 唇缘长度:剖面形状外表面与唇缘段末端之间的距离。 b2. 折弯宽度:剖面形状左端与中部折弯段外表面之间的距离。 h2. 中部折弯长度:中部折弯段内表面的长度。 h3. 顶部折弯长度:剖面形状顶部外表面与顶部折弯段末端之间的距离。 T. 墙设计厚度:剖面形状的内表面和外表面之间的垂直设计厚度。 t. 墙公称厚度:剖面形状的内表面和外表面之间的平均垂直距离。 r1. 内圆角:冷成形结构剖面形状中的弯曲内圆角半径。 y. 质心水平:沿水平轴从剖面形状质心到左端的距离。 z. 质心垂直:沿垂直轴从剖面形状质心到下端的距离。 |
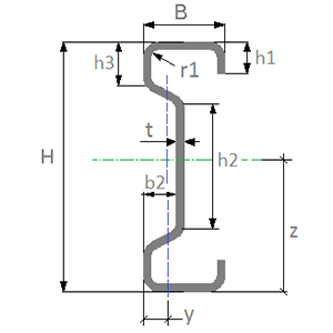
带唇缘 Sigma 形轮廓
![]() |
B. 宽度:剖面形状的外部宽度。 H. 高度:剖面形状的外部高度。 b2. 折弯宽度:剖面形状左端与中部折弯段外表面之间的距离。 h1. 唇缘长度:剖面形状外表面与唇缘段末端之间的距离。 h2. 中部折弯长度:中部折弯段内表面的长度。 h3. 顶部折弯长度:剖面形状顶部外表面与顶部折弯段末端之间的距离。 T. 墙设计厚度:剖面形状的内表面和外表面之间的垂直设计厚度。 t. 墙公称厚度:剖面形状的内表面和外表面之间的平均垂直距离。 r1. 内圆角:冷成形结构剖面形状中的弯曲内圆角半径。 y. 质心水平:沿水平轴从剖面形状质心到左端的距离。 z. 质心垂直:沿垂直轴从剖面形状质心到下端的距离。 |
Z 型轮廓
![]() |
B. 宽度:剖面形状的外部宽度。 H. 高度:剖面形状的外部高度。 b1. 底部翼缘长度:剖面形状内表面与底部翼缘段末端之间的距离。 T. 墙设计厚度:剖面形状的内表面和外表面之间的垂直设计厚度。 t. 墙公称厚度:剖面形状的内表面和外表面之间的平均垂直距离。 r1. 内圆角:冷成形结构剖面形状中的弯曲内圆角半径。 y. 质心水平:沿水平轴从剖面形状质心到左端的距离。 z. 质心垂直:沿垂直轴从剖面形状质心到下端的距离。 |
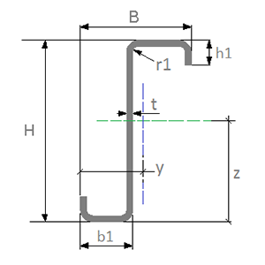
带唇缘 Z 形轮廓
![]() |
B. 宽度:剖面形状的外部宽度。 H. 高度:剖面形状的外部高度。 b1. 底部翼缘长度:剖面形状内表面与底部翼缘段末端之间的距离。 h1. 唇缘长度:剖面形状外表面与唇缘段末端之间的距离。 T. 墙设计厚度:剖面形状的内表面和外表面之间的垂直设计厚度。 t. 墙公称厚度:剖面形状的内表面和外表面之间的平均垂直距离。 r1. 内圆角:冷成形结构剖面形状中的弯曲内圆角半径。 y. 质心水平:沿水平轴从剖面形状质心到左端的距离。 z. 质心垂直:沿垂直轴从剖面形状质心到下端的距离。 |