查看和修改热轧钢结构框架图元的剖面形状尺寸标注参数值。
这些属性创建自图元的“剖面形状”族类别参数。
| 剖面形状 | 可用的形状尺寸标注参数 |
|---|---|
管道标准
![]() |
D. 直径:圆形剖面形状的外部直径。 T. 墙设计厚度:剖面形状的内表面和外表面之间的垂直设计厚度。 t. 墙公称厚度:剖面形状的内表面和外表面之间的平均垂直距离。 y. 质心水平:沿水平轴从剖面形状质心到左端的距离。 z. 质心垂直:沿垂直轴从剖面形状质心到下端的距离。 |
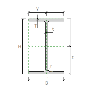
工字型平行翼缘
![]() |
B. 宽度:剖面形状的外部宽度。 H. 高度:剖面形状的外部高度。 T. 翼缘厚度:剖面形状中的翼缘的外表面之间的距离。 t. 腹板厚度:剖面形状中的腹板的外表面之间的距离。 r. 腹板圆角:腹板和翼缘之间的圆角的半径。 y. 质心水平:沿水平轴从剖面形状质心到左端的距离。 z. 质心垂直:沿垂直轴从剖面形状质心到下端的距离。 |
工字型倾斜翼缘
![]() |
B. 宽度:剖面形状的外部宽度。 H. 高度:剖面形状的外部高度。 T. 翼缘厚度:剖面形状中的翼缘的外表面之间的距离。 TL. 翼缘厚度位置:从倾斜翼缘末端至测量翼缘厚度处的距离。 SA. 倾斜翼缘角度:剖面形状中倾斜翼缘平面和水平平面的夹角角度。 t. 腹板厚度:剖面形状中的腹板的外表面之间的距离。 r1. 腹板圆角:腹板和翼缘之间的圆角的半径。 r2. 翼缘圆角:剖面形状中的翼缘末端的圆角的半径。 y. 质心水平:沿水平轴从剖面形状质心到左端的距离。 z. 质心垂直:沿垂直轴从剖面形状质心到下端的距离。 |
工字型宽翼缘
![]() |
B. 宽度:剖面形状的外部宽度。 H. 高度:剖面形状的外部高度。 T. 翼缘厚度:剖面形状中的翼缘的外表面之间的距离。 t. 腹板厚度:剖面形状中的腹板的外表面之间的距离。 r. 腹板圆角:腹板和翼缘之间的圆角的半径。 y. 质心水平:沿水平轴从剖面形状质心到左端的距离。 z. 质心垂直:沿垂直轴从剖面形状质心到下端的距离。 |
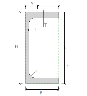
C 型平行翼缘
![]() |
B. 宽度:剖面形状的外部宽度。 H. 高度:剖面形状的外部高度。 T. 翼缘厚度:剖面形状中的翼缘的外表面之间的距离。 t. 腹板厚度:剖面形状中的腹板的外表面之间的距离。 r. 腹板圆角:腹板和翼缘之间的圆角的半径。 y. 质心水平:沿水平轴从剖面形状质心到左端的距离。 z. 质心垂直:沿垂直轴从剖面形状质心到下端的距离。 |
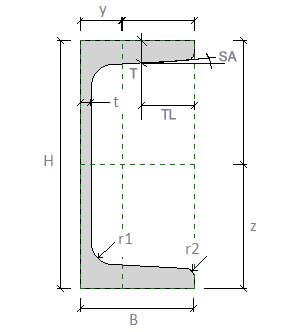
C 型槽倾斜翼缘
![]() |
B. 宽度:剖面形状的外部宽度。 H. 高度:剖面形状的外部高度。 T. 翼缘厚度:剖面形状中的翼缘的外表面之间的距离。 TL. 翼缘厚度位置:从倾斜翼缘末端至测量翼缘厚度处的距离。 SA. 倾斜翼缘角度:剖面形状中倾斜翼缘平面和水平平面的夹角角度。 t. 腹板厚度:剖面形状中的腹板的外表面之间的距离。 r1. 腹板圆角:腹板和翼缘之间的圆角的半径。 r2. 翼缘圆角:剖面形状中的翼缘末端的圆角的半径。 y. 质心水平:沿水平轴从剖面形状质心到左端的距离。 z. 质心垂直:沿垂直轴从剖面形状质心到下端的距离。 |
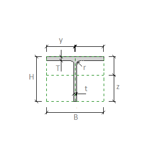
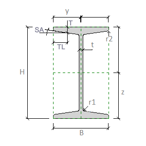
L 型
![]() |
B. 宽度:剖面形状的外部宽度。 H. 高度:剖面形状的外部高度。 T. 翼缘厚度:剖面形状中的翼缘的外表面之间的距离。 t. 腹板厚度:剖面形状中的腹板的外表面之间的距离。 r1. 腹板圆角:腹板和翼缘之间的圆角的半径。 r2. 翼缘圆角:剖面形状中的翼缘末端的圆角的半径。 r3.顶部腹板圆角:剖面形状中腹板顶端圆角的半径。 y. 质心水平:沿水平轴从剖面形状质心到左端的距离。 z. 质心垂直:沿垂直轴从剖面形状质心到下端的距离。 alpha。 主轴角度:主轴和横截面参照平面之间的旋转角度。 这是作为“结构分析”族参数列出的。 |
工字型拆分平行翼缘
![]() |
B. 宽度:剖面形状的外部宽度。 H. 高度:剖面形状的外部高度。 T. 翼缘厚度:剖面形状中的翼缘的外表面之间的距离。 t. 腹板厚度:剖面形状中的腹板的外表面之间的距离。 r. 腹板圆角:腹板和翼缘之间的圆角的半径。 y. 质心水平:沿水平轴从剖面形状质心到左端的距离。 z. 质心垂直:沿垂直轴从剖面形状质心到下端的距离。 |
工字拆分型倾斜翼缘
![]() |
B. 宽度:剖面形状的外部宽度。 H. 高度:剖面形状的外部高度。 T. 翼缘厚度:剖面形状中的翼缘的外表面之间的距离。 TL. 翼缘厚度位置:从倾斜翼缘末端至测量翼缘厚度处的距离。 SA. 倾斜翼缘角度:剖面形状中倾斜翼缘平面和水平平面的夹角角度。 t. 腹板厚度:剖面形状中的腹板的外表面之间的距离。 r1. 腹板圆角:腹板和翼缘之间的圆角的半径。 r2. 翼缘圆角:剖面形状中的翼缘末端的圆角的半径。 y. 质心水平:沿水平轴从剖面形状质心到左端的距离。 z. 质心垂直:沿垂直轴从剖面形状质心到下端的距离。 |
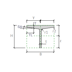
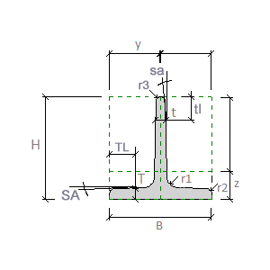
T 型结构
![]() |
B. 宽度:剖面形状的外部宽度。 H. 高度:剖面形状的外部高度。 TL. 翼缘厚度位置:从倾斜翼缘末端至测量翼缘厚度处的距离。 SA. 倾斜翼缘角度:剖面形状中倾斜翼缘平面和水平平面的夹角角度。 t. 腹板厚度:剖面形状中的腹板的外表面之间的距离。 tl.腹板厚度位置:从倾斜腹板末端至测量腹板厚度处的距离。 sa.斜腹板角度:剖面形状中倾斜腹板平面和垂直平面的夹角角度。 r1. 腹板圆角:腹板和翼缘之间的圆角的半径。 r2. 翼缘圆角:剖面形状中的翼缘末端的圆角的半径。 r3.顶部腹板圆角:剖面形状中腹板顶端圆角的半径。 y. 质心水平:沿水平轴从剖面形状质心到左端的距离。 z. 质心垂直:沿垂直轴从剖面形状质心到下端的距离。 |