About Selecting a Drafting Standard (AutoCAD Mechanical Toolset)

AutoCAD Mechanical toolset groups all settings governed by drafting standards and saves them to a profile referred to as a standard.

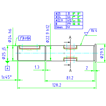
AutoCAD Mechanical toolset includes eight such profiles (ANSI, BSI, CSN, DIN, GB, ISO JIS, and GOST), each configured to match a drafting standard. These settings govern how AutoCAD Mechanical toolset’s built-in tools create geometry. Therefore, AutoCAD Mechanical toolset is said to be standards-driven. The following figure shows a drawing of a shaft created with the standard set to DIN. Note how the annotations comply with the DIN standard.

Default Drafting Standard

Because AutoCAD Mechanical toolset is standards-driven, assigning a drafting standard to a drawing is critical. When you create a drawing, AutoCAD Mechanical toolset automatically assigns a drafting standard to the drawing.

If you open an AutoCAD drawing or create a drawing using an AutoCAD template (.dwt), AutoCAD Mechanical toolset assigns the most appropriate standard for the drawing (see also the following discussion “making standard overrides and custom standards available for other drawings”). You can change the drafting standard easily.

Settings Controlled by the Drafting Standard

The drafting standard controls the following elements of the standard:

Overriding Elements of the Standard

You can override any of the standard-dependent settings to meet your special requirements. The program saves overrides with the standard. If you change to a different standard, the elements of the new standard become active. If you change standards in the middle of a drawing session, the drawing objects that exist in the drawing do not reflect the change. Only new objects follow the newly selected standard. If you change back to the original standard, the settings that were in force previously become active again.

Note: If you change standards in the middle of a drawing session and then override an element of the standard, the overrides apply only to the objects you create after you change the standard For example, you can create a note while the standard is ISO, then change the standard to DIN. If you then override the text color settings for notes, only the notes you created after you changed to DIN reflect that change. Notes you created under ISO keep their original colors. They are controlled by the ISO standard, not DIN.

Custom Standards and their Significance

When you override an element of a standard, AutoCAD Mechanical toolset validates the overrides and sometimes, prevents you from creating settings that violate the standard. To work around the validation process, create a custom standard and select it as the current drafting standard.

For example, the ANSI standard limits your choices for text height to 0.1, 0.12 and 0.24. To use a different text height, create a custom standard based on the ANSI standard. The custom standard enables you to change the text height to any value. All other settings comply with the ANSI standard.

Making Standard Overrides and Custom Standards available for other drawings

To make a custom standard or standard overrides available for future drawings, save them to a template drawing (*.dwt). If you set this template as the default template, whenever you open an AutoCAD drawing or create a drawing based on an AutoCAD template, the standard-dependent settings from the default template apply to the drawing. If there is a unit mismatch between the default template and the AutoCAD drawing/template, AutoCAD Mechanical toolset behaves as though no default template is set. If no default template is set, AutoCAD Mechanical toolset assigns either the ANSI standard (for imperial drawings) or the ISO standard (for metric drawings).

You can also import settings from a template drawing (.dwt) with the AMSETUPDWG command. Importing settings in the middle of a drawing session is like changing the drafting standard or changing the elements of a standard in the middle of a drawing session.