Acerca de la selección de una norma de dibujo (AutoCAD Mechanical Toolset)

AutoCAD Mechanical toolset agrupa todos los parámetros gobernados por normas de dibujo y los guarda en un perfil denominado norma.

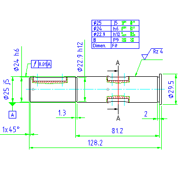
AutoCAD Mechanical toolset incluye ocho de estos perfiles (ANSI, BSI, CSN, DIN, GB, ISO, JIS y GOST), cada uno configurado para coincidir con una norma de dibujo. Estos parámetros determinan cómo se crea geometría mediante las herramientas integradas de AutoCAD Mechanical toolset. Por lo tanto, se entiende que AutoCAD Mechanical toolset funciona mediante normas. En la figura siguiente se muestra un dibujo de un árbol de transmisión creado con la norma establecida en DIN. Observe que las anotaciones cumplen la norma DIN.

Norma de dibujo por defecto

Puesto que AutoCAD Mechanical toolset funciona mediante normas, es muy importante asignar una norma a un dibujo. Al crear un dibujo, AutoCAD Mechanical toolset le asigna automáticamente una norma de dibujo.

Si abre un dibujo de AutoCAD o crea un dibujo mediante una plantilla de AutoCAD (.dwt), AutoCAD Mechanical toolset asigna la norma más adecuada para el dibujo (consulte también el siguiente tema sobre "disponibilidad de modificaciones de normas y de normas personalizadas en otros dibujos"). Puede cambiar la norma de dibujo fácilmente.

Parámetros que controla la norma de dibujo

La norma de dibujo controla los siguientes elementos de la norma:

Modificación de elementos de la norma

Puede modificar cualquier parámetro dependiente de la norma para satisfacer sus requisitos especiales. El programa guarda las modificaciones con la norma. Si cambia a una norma distinta, los elementos de la nueva norma se vuelven activos. Si cambia de norma durante una sesión de dibujo, los objetos que ya existen en el dibujo no reflejan el cambio. Solamente los objetos nuevos siguen la norma recién seleccionada. Si vuelve a cambiar a la norma original, los parámetros que estaban anteriormente en vigor pasan a estar activos de nuevo.

Nota: Si cambia de norma durante una sesión de dibujo y después modifica un elemento de la norma, la modificación sólo se aplicará a los objetos que cree tras cambiar de norma. Por ejemplo, puede crear una nota mientras la norma es ISO y, a continuación, cambiar la norma a DIN. Si a continuación modifica los parámetros de color del texto para notas, sólo las notas creadas después de haber cambiado a la norma DIN reflejarán dicho cambio. Las notas creadas bajo la norma ISO conservan sus colores originales. Las controla la norma ISO, no DIN.

Normas personalizadas y su significado

Cuando se modifica un elemento de una norma, AutoCAD Mechanical toolset valida la modificación y a veces evita que se creen parámetros que infrinjan esa norma. Para resolver el proceso de validación, cree una norma personalizada y selecciónela como la norma de dibujo actual.

Por ejemplo, la norma ANSI limita las opciones de altura del texto a 0.1, 0.12 y 0.24. Para utilizar una altura de texto distinta, cree una norma personalizada basada en la norma ANSI. La norma personalizada permite cambiar la altura del texto a cualquier valor. Todos los demás parámetros cumplen la norma ANSI.

Disponibilidad de modificaciones de normas y de normas personalizadas en otros dibujos

Para que una norma personalizada o modificación de norma esté disponible para futuros dibujos, guárdela en una plantilla de dibujo (*.dwt). Si define esta plantilla como plantilla por defecto, siempre que abra un dibujo de AutoCAD o cree un dibujo basado en una plantilla de AutoCAD, los parámetros dependientes de normas de la plantilla por defecto se aplicarán al dibujo. Si hay una disparidad de unidades entre la plantilla por defecto y el dibujo o plantilla de AutoCAD, AutoCAD Mechanical toolset se comporta como si no se hubiera definido ninguna plantilla por defecto. Si no se define ninguna plantilla por defecto, AutoCAD Mechanical toolset asigna la norma ANSI (para dibujos con medidas imperiales) o la norma ISO (para dibujos con medidas métricas).

También puede importar parámetros de una plantilla de dibujo (.dwt) con el comando AMSETUPDWG. La importación de parámetros en mitad de una sesión de dibujo equivale a cambiar la norma de dibujo o los elementos de una norma en mitad de una sesión de dibujo.